logo elektroda
logo elektroda
X
logo elektroda
REKLAMA
REKLAMA
Adblock/uBlockOrigin/AdGuard mogą powodować znikanie niektórych postów z powodu nowej reguły.

[Rozwiązano] Ford Focus 2014 1.6 ON - Schemat sterowania silnikami wycieraczek.

spinacz 09 Wrz 2022 10:29 1275 4
REKLAMA
  • #1 20181791
    spinacz
    Poziom 42  
    Koledzy potrzebuje jak w temacie schemat do silniczków wycieraczek, wsadzony nowy silnik i dalej zero reakcji.
    Mam na silniku stałą masę, stałe 12V, ale nie wiem co powinno być na trzecim pinie, czy jakieś sterowanie sygnałami czy jakaś komunikacja z autem.
    Będę wdzięczny za każdą rade.
  • REKLAMA
  • #2 20181930
    Konto nie istnieje
    Poziom 1  
  • REKLAMA
  • #3 20182665
    specjalistasamochody
    Poziom 21  
    Trzeci kabel to lin. Bcm lewy silnik prawy silnik.
  • REKLAMA
  • Pomocny post
    #4 20182750
    marszałekkom
    Poziom 30  
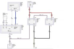
    Taki?
    Ford Focus 2014 1.6 ON - Schemat sterowania silnikami wycieraczek.
  • #5 20292241
    spinacz
    Poziom 42  
    Uszkodzony pierwszy silnik, nie puszczał komunikacji do drugiego.
REKLAMA