logo elektroda
logo elektroda
X
logo elektroda
REKLAMA
REKLAMA
Adblock/uBlockOrigin/AdGuard mogą powodować znikanie niektórych postów z powodu nowej reguły.

Chevrolet Spark: Wymiana radia JVC z przejściówką - brak działania po podłączeniu

kolokat 14 Wrz 2022 21:07 621 3
REKLAMA
  • #1 20190296
    kolokat
    Poziom 26  
    Cześć,

    Żona zażyczyła sobie wymiany radia - sprawa teoretycznie prosta.
    Kupiłem używane JVC, specjalnie szukałem już z przejściówką, żeby nie dokładać sobie przeróbek.

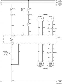
    Kostka z instalacji samochodowej wygląda tak:
    Chevrolet Spark: Wymiana radia JVC z przejściówką - brak działania po podłączeniu

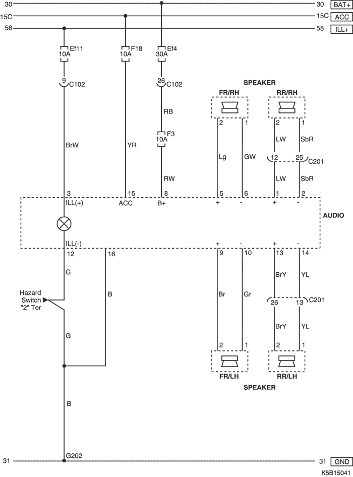
    Przejściówka z JVC:
    Chevrolet Spark: Wymiana radia JVC z przejściówką - brak działania po podłączeniu

    Niestety po podłączeniu radio nie działa.
    Inny schemat przewodów? W czym może tkwić problem?
  • REKLAMA
  • #2 20190304
    spinacz
    Poziom 42  
    Złącza obsadzone 8 pinami są ok bo to głośniki, problemem będzie konfiguracja pinów zasilania.
    Jedyne rozwiązanie to miernik do ręki i odnalezienie stałego i po kluczyku +12V, pokaż dokładnie wiązke radia.
  • REKLAMA
  • #3 20190308
    goraj krzysztof
    Poziom 31  
    Zobacz sobie schemat kostki ISO, potem miernik w dłoń i będziesz wiedział gdzie ciąć i lutować :D
  • #4 20190398
    g107r
    Poziom 41  
    Chevrolet Spark: Wymiana radia JVC z przejściówką - brak działania po podłączeniu
    Chevrolet Spark: Wymiana radia JVC z przejściówką - brak działania po podłączeniu
    Co to za JVC? Ile ma zasilań?
    Nie masz konfigurowalnych przewodów? Jak ten niepodłączony na drugim obrazku, od zasilania anteny?
    Zamiana BAT+ z ACC, lub ich połączenie?

    ISO z samochodu na 100% jest oryginalne?
REKLAMA