Cześć,
Dostałem do sprawdzenia cały stacjonarny zestaw komputerowy ze wskazaniem że "nie włącza się monitor". Cóż, diagnoza była dość szybka kiedy okazało się że po podłączeniu do zasilania monitor nie zrobił kompletnie nic.
W prawdzie powiedziano mi że mam go olać ale tak dla własnej satysfakcji chciałbym spróbować go postawić na nogi.
Sprzęt to Samsung S22A300N z płytą główną BN41-01592D(2011.04.19) REV NO:MP 1.0
Tak jak napisałem powyżej - monitor kompletnie nie reaguje na zasilanie. Co wiem i może, choć nie musi, okazać się przydatne:
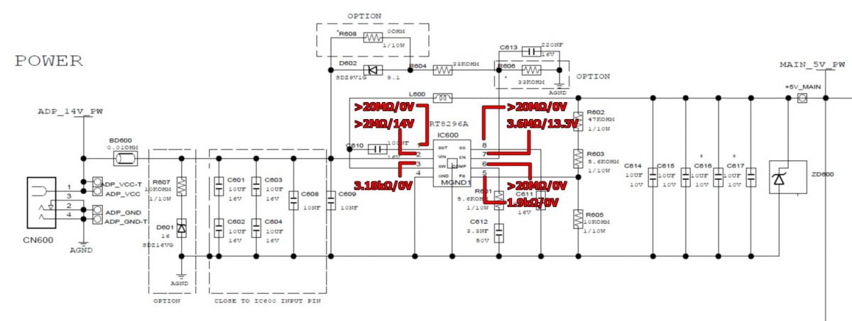
- uszkodzone gniazdo zasilana ale to nie problem jeśli można takie kupić
- zasilacz raczej sprawny - na wyjściu 14V
- po podaniu zasilania z zasilacza warsztatowego płyta nie pobiera żadnego prądu
- bezpiecznik F801 sprawny
- tranzystor 9997GH dostaje pełne 14V na dren, na bramce i źródle 0V
- brak zasilania pamięci flash
Co mogę sprawdzić jeszcze aby pomóc w diagnozie problemu?
Dostałem do sprawdzenia cały stacjonarny zestaw komputerowy ze wskazaniem że "nie włącza się monitor". Cóż, diagnoza była dość szybka kiedy okazało się że po podłączeniu do zasilania monitor nie zrobił kompletnie nic.
W prawdzie powiedziano mi że mam go olać ale tak dla własnej satysfakcji chciałbym spróbować go postawić na nogi.
Sprzęt to Samsung S22A300N z płytą główną BN41-01592D(2011.04.19) REV NO:MP 1.0
Tak jak napisałem powyżej - monitor kompletnie nie reaguje na zasilanie. Co wiem i może, choć nie musi, okazać się przydatne:
- uszkodzone gniazdo zasilana ale to nie problem jeśli można takie kupić
- zasilacz raczej sprawny - na wyjściu 14V
- po podaniu zasilania z zasilacza warsztatowego płyta nie pobiera żadnego prądu
- bezpiecznik F801 sprawny
- tranzystor 9997GH dostaje pełne 14V na dren, na bramce i źródle 0V
- brak zasilania pamięci flash
Co mogę sprawdzić jeszcze aby pomóc w diagnozie problemu?
