logo elektroda
logo elektroda
X
logo elektroda
REKLAMA
REKLAMA
Adblock/uBlockOrigin/AdGuard mogą powodować znikanie niektórych postów z powodu nowej reguły.

[Rozwiązano] Iiyama PLE1702S-B2 - piszcząca cewka/ transformator/ filtr

Sitekk2212 11 Paź 2022 17:08 432 3
REKLAMA
  • #1 20231571
    Sitekk2212
    Poziom 4  
    Dzień dobry, chciałem zabrać się za wymianę piszczącego elementu w sprawnym monitorze.
    Jest ktoś w stanie pomóc zidentyfikować ten element po prawo?
    Iiyama PLE1702S-B2 - piszcząca cewka/ transformator/ filtr
    Iiyama PLE1702S-B2 - piszcząca cewka/ transformator/ filtr
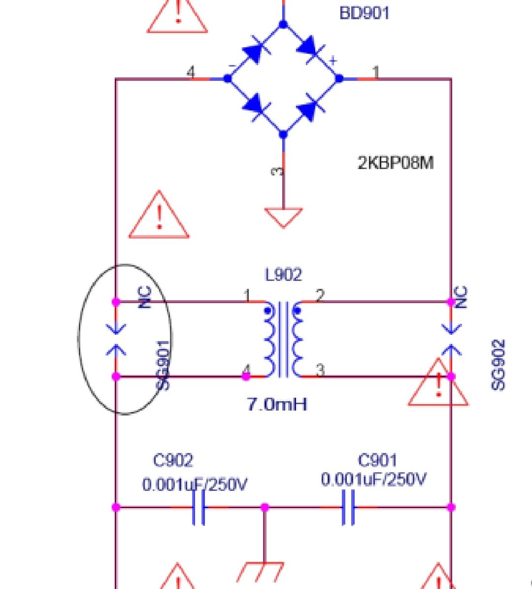
    Niby jakieś oznaczenie jest, ale przeszukując internet nie trafiłem na żadne informacje co to za cudo.
    Monitor Iiyama PLE1702S-B2.

    Dodano po 16 [minuty]:

    Iiyama PLE1702S-B2 - piszcząca cewka/ transformator/ filtr
    Na schemacie jest to element L902
  • REKLAMA
  • #2 20232720
    Telo
    Serwisant RTV
    Witam
    Element wymontuj i zanurz w lakierze , powinno pomóc
  • REKLAMA
  • #4 20329113
    Sitekk2212
    Poziom 4  
    Piszczało trafko
REKLAMA