Witam,
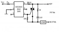
mam uszkodzoną dymiarkę, w której cały czas podawane jest napięcie na pompkę. Podejrzewam, że przez to uszkodziła się pompka ale zanim kupię nową, chciałbym naprawić sterownik. Zastanawia mnie w jaki sposób ma działać sterowanie pompki, skoro zasilanie idzie przez szeregowo połączony rezystor i kondensator na pompkę. Wylutowałem triak BTA16 a napięcie dalej jest na wyprowadzeniach pompki.
Proszę o podpowiedź w naprawie. [img-0]
mam uszkodzoną dymiarkę, w której cały czas podawane jest napięcie na pompkę. Podejrzewam, że przez to uszkodziła się pompka ale zanim kupię nową, chciałbym naprawić sterownik. Zastanawia mnie w jaki sposób ma działać sterowanie pompki, skoro zasilanie idzie przez szeregowo połączony rezystor i kondensator na pompkę. Wylutowałem triak BTA16 a napięcie dalej jest na wyprowadzeniach pompki.
Proszę o podpowiedź w naprawie. [img-0]
