logo elektroda
logo elektroda
X
logo elektroda
REKLAMA
REKLAMA
Adblock/uBlockOrigin/AdGuard mogą powodować znikanie niektórych postów z powodu nowej reguły.

Antena zewnętrzna zamiast teleskopowej do radia w łazience

Adso76 21 Paź 2022 19:20 1068 12
REKLAMA
  • #1 20246585
    Adso76
    Poziom 3  
    W łazience zamontowałem radio ze wzmacniaczem, które ma antenę teleskopową. W łazience na suficie mam zrobione 8 punktów oświetlenia. Antena odbiera poprawnie, gdy oświetlenie nie jest włączone, natomiast gdy jest włączone zakłócenia są na tyle silne, że ta antena nie daje rady.
    1. Czy jest jakiś sposób zniwelowania zakłóceń generowanych przez oświetlenie?
    2. Zastanawiałem się nad usunięciem anteny teleskopowej i wmontowanie gniazda antenowego i podłączenie jakiejś anteny zewnętrznej lub wewnętrznej ze wzmocnieniem. Po rozkręceniu obudowy widzę, że do anteny teleskopowej z płyty głównej radia idzie jeden kabelek. Gdybym chciał zamontować gniazdo, rozumiem, że ten kabel lutuję do bolce wewnętrznego gniazda antenowego. Co zrobić z ekranem gniazda?
  • REKLAMA
  • #3 20247012
    gumisie
    Poziom 43  
    Adso76 napisał:
    W łazience na suficie mam zrobione 8 punktów oświetlenia.
    Jakie?
    LED?
  • REKLAMA
  • #4 20248693
    Adso76
    Poziom 3  
    Mam rozciągnięty kabel nad podwieszanym sufitem, kabel ma 8 rozgałęzień do których podłączone są gniazda żarówek mr16. Oświetlenie jest na 12v.
    Bardziej mnie jednak interesuje przylutowanie gniazda antenowego do tego radia i podłączenie jakiejś anteny zewnętrznej.
  • #5 20248783
    Janusz_kk
    Poziom 38  
    Adso76 napisał:
    Bardziej mnie jednak interesuje przylutowanie gniazda antenowego do tego radia i podłączenie jakiejś anteny zewnętrznej.

    Musiałbyś radio rozebrać i polutować koncentryk i do niego na zewnątrz dopiero antena, samo przedłużanie anteny drutem nic nie da, bedzie tylko więcej śmieci zbierać z lamp w suficie, dlatego że tam masz zwykłą przetwornicę 230/12V która mocno śmieci, albo na wyjście jej (czyli na 12V) dasz filtry, podobne do juz pokazanego, albo wyrzucisz ją i dasz transformator 230/12V do halogenów.
  • REKLAMA
  • #6 20252254
    LeDy
    Poziom 43  
    Najpierw trzeba spr. którędy zakłócenia wchodzą czy przez prąd czy powietrzem.
    Jak antenę schowasz też słychać zakłócenia?
    Ledy 12V czy 230V?
  • #7 20252548
    gumisie
    Poziom 43  
    LeDy napisał:
    Ledy 12V czy 230V?
    Adso76 napisał:
    Oświetlenie jest na 12v.
    Problem jest z tym, że Autor tematu nie chce się podzielić informacją jakie to są "żarówki".
    LED, czy halogenowe.
    Jedyne info, to:
    Adso76 napisał:
    gniazda żarówek mr16
    I bądź tu mądry człowieku. :cry:
  • #8 20252554
    LeDy
    Poziom 43  
    Nie spotkałem aby halogenowe zakłócały. Jedynie LEDy.
  • #9 20252560
    gumisie
    Poziom 43  
    LeDy napisał:
    Nie spotkałem aby halogenowe zakłócały.
    Wszystko zależy od zastosowanego transformatora.
    Elektroniczne, potrafią tworzyć nie przewidywalne "cuda".
  • REKLAMA
  • #11 20257946
    LeDy
    Poziom 43  
    Impulsowy zasilacz i LED to bardzo podobne zakłócenia. Podstaw inny zasilacz 12V DC i zobaczysz czy zakłócenia ustana.
  • #12 20257984
    Adso76
    Poziom 3  
    Wymiana zasilacza na toroidalny niewiele pomogła.
    Co do anteny - gdybym chciał wlutować gniazdo anteny zewnętrznej do tego radia to gdzie mam wlutować ekran anteny? Z pyty głównej radia idzie tylko jeden kabelek do anteny teleskopowej.
  • #13 20258052
    Janusz_kk
    Poziom 38  
    Adso76 napisał:
    Z pyty głównej radia idzie tylko jeden kabelek do anteny teleskopowej.

    Tak jak ci napisałem, środek koncentryka lutujesz bezpośrednio do płytki tam gdzie był lutowany kabelek do anteny, zamiast niego, a ekran do masy, czyli szukasz omomierzem ścieżki co ma zwarcie do np ekranów filtrów czy puszki ekranującej i do niej lutujesz ekran.

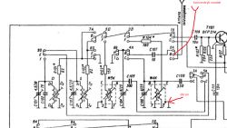
    Dodano po 15 [minuty]:

    Tu masz przykład radyjka przenośnego, na schemacie wygląda tak
    Antena zewnętrzna zamiast teleskopowej do radia w łazience
    tutaj wnętrze, przełącznik UKF to pierwszy z prawej i tam idzie koncentryk z anteny i tam zamiastniego lutujesz środek naszego koncentryka lutujemy do styku a ekran do ekranu głowicy UKF.
    Antena zewnętrzna zamiast teleskopowej do radia w łazience

Podsumowanie tematu

Użytkownik zainstalował radio z anteną teleskopową w łazience, gdzie występują zakłócenia od oświetlenia LED, które uniemożliwiają prawidłowe odbieranie sygnału. Proponowane rozwiązania obejmują zastosowanie filtrów przeciwzakłóceniowych na lampy oraz wymianę anteny teleskopowej na zewnętrzną, co wymaga przylutowania gniazda antenowego do radia. Wskazówki dotyczące lutowania obejmują podłączenie środkowego przewodu koncentryka do płytki radia oraz ekran do masy. Użytkownik zauważył, że zasilacz impulsowy oraz LED-y mogą generować podobne zakłócenia, co sugeruje potrzebę ich wymiany na bardziej stabilne komponenty.
Podsumowanie wygenerowane przez model językowy.
REKLAMA