logo elektroda
logo elektroda
X
logo elektroda
REKLAMA
REKLAMA
Adblock/uBlockOrigin/AdGuard mogą powodować znikanie niektórych postów z powodu nowej reguły.

[Rozwiązano] Alternator BOSCH - zbyt wysokie napięcie ładowania

cubeq99 21 Paź 2022 23:58 669 17
REKLAMA
  • #1 20247037
    cubeq99
    Poziom 3  
    Witam, borykam się z problem prawdopodobnie alternatora firmy BOSCH w Hondzie Accord VI F18b2. Jakiś czas temu przestał całkowicie ładować, podczas normalnej jazdy wieczorem, nagle zaczęły słabnąć światła migać licznik wskazówki do zera a gdy zatrzymałem sie na skrzyżowaniu, silnik zgasł po uruchomieniu z kabli wszystko było w porządku po odpięciu i sprawdzeniu napięcia na akumulatorze było 11,98 V i spadało, sprawdziłem miernikiem napięcie na alternatorze aby wykluczyć przewód ładowania było takie samo jak na akumulatorze, ciągłość przewodu również sprawdziłem dla pewności i wszystko było w porządku.
    Po rozebraniu alternatora moim oczom ukazały się zużyte szczotki jedna była o połowę krótsza od drugiej a pierścienie wyraźne wgłębienie, więc postanowiłem wymienić cały regulator ponieważ same szczotki są niewymienne(obudowa plastikowa jest zgrzewana) oraz komutator i łożyska wymieniłem tylko łożysko na komutatorze bo nie miałem możliwości wymiany drugiego przez brak posiadania imadła dla łatwiejszego działania na nim.
    Po wymianie i zamontowaniu alternatora na samochodzie i uruchomieniu napięcie na akumulatorze zaczęło rosnąć powoli, osiągnęło 13V z groszem i rosło dalej ale postanowiłem sprawdzić napięcie na alternatorze i było tam az 15 V i dalej rosło postanowiłem więc od razu wyłączyć silnik aby niczego nie przepalić. Stąd moje pytanie po wymianie regulatora napięcie było zbyt wysokie a wcześniej nie ładowało w ogóle, czy to jakiś błąd przy skręcaniu ?
  • REKLAMA
  • #2 20247061
    piachu1994
    Poziom 39  
    Regulator oryginał Bosch?
  • REKLAMA
  • #3 20247064
    gorki73
    Poziom 39  
    Witam, jakim miernikiem Kolega dokonał pomiaru napięcia?
  • #4 20247066
    cubeq99
    Poziom 3  
    piachu1994 napisał:
    Regulator oryginał Bosch?

    Na moim regulatorze widnieje takie oznaczenie F00M145206 jedyny jaki znalazłem pasujący do teog oznaczenia to z tej aukcji na innych stronach nic nie znalazłem pasującego :
    https://allegro.pl/oferta/regulator-alternato...DNmMDJkZGMzYmM4MjdmNzgzNDA4MzE1NjI0OWMwZDg%3D

    Dodano po 1 [minuty]:

    gorki73 napisał:
    Witam, jakim miernikiem Kolega dokonał pomiaru napięcia?

    Szczerze nie pamiętam bo miernik nie był mój tylko ze tak powiem osoby która podjechała nam pomóc uruchomić z kabli ale na kilku innych moich miernikach no najtańszych wszystkie pokazują tak samo
  • #5 20247071
    gorki73
    Poziom 39  
    Z drugiej strony patrząc na błąd miernika (najtańszego) i to że regulator powinien regulować pracę alternatora w granicach 14-14.4V z nie większą odchyłką niż 0.5V...to może należałoby sprawdzić działanie alternatora na możliwie obciążonym układzie- włączonych światłach, radiu i ogrzewaniu . Tak teraz trudno powiedzieć.
  • #6 20247073
    cubeq99
    Poziom 3  
    @gorki73 Sprawdzę tak jutro obciążę go maksymalnie ale i tak wydaje mi sie ze napiecie powinno być własnie maxymalnie na poziomie 14,4V i to własnie na nie obciązonym
  • REKLAMA
  • #7 20247077
    gorki73
    Poziom 39  
    No powinno, niedawno przeprowadziłem też regenerację alternatora w swoim aucie (uszkodziła się jedna tylko dioda) i po zmontowaniu i oczyszczeniu komutatora, styków napięcie mam 14.2-14.3V na jałowym biegu, przy jeździe i obciążeniu światłami i radiem mam 13.9V-14.1V -14-2V (monitoruję na założonym w aucie mierniku/ ładowarce- czyli też z dużym błędem).
  • #8 20247083
    cubeq99
    Poziom 3  
    @gorki73 a jak sprawdzić te diody dokładnie czy może nie są uszkodzone?
  • #9 20247090
    gorki73
    Poziom 39  
    Oj, jak miałbyś uszkodzone, tak jak w moim przypadku a była to tylko jedna dioda, która niby zwierała, niby działała miałbyś mniejsze napięcie- u mnie to było napięcie 12.8-13V.
    Aby to sprawdzić, musiałbyś się do nich dostać i odlutować wszystkie wspólne katody lub anody , które są połączone na jednym kowadełku i zmierzyć je multimetrem z możliwością pomiaru diod półprzewodnikowych.

    Ps. Zdjęcia z mojej naprawy.
    Alternator BOSCH - zbyt wysokie napięcie ładowania Alternator BOSCH - zbyt wysokie napięcie ładowania

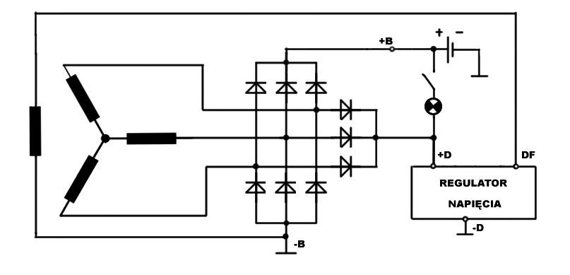
    Tu masz przykład połączenia typowego alternatora 9-cio diodowego:
    Alternator BOSCH - zbyt wysokie napięcie ładowania
  • #10 20247112
    piachu1994
    Poziom 39  
    cubeq99 napisał:
    piachu1994 napisał:
    Regulator oryginał Bosch?

    Na moim regulatorze widnieje takie oznaczenie F00M145206 jedyny jaki znalazłem pasujący do teog oznaczenia to z tej aukcji na innych stronach nic nie znalazłem pasującego

    Jest oryginalny regulator Bosch i kosztuje niewiele ponad 100 złotych. Nie wiem jak szukałeś.

    Powinieneś założyć Bosch, a nie jakiegoś chińczyka. Te alternatory na "no name" nie będą działać poprawnie.
  • REKLAMA
  • #11 20247150
    cubeq99
    Poziom 3  
    @piachu1994 Dobrze to proszę znajdź mi regulator pasujący do alternatora o numerach 0 124 325 006, numer regulatora to F00M 145 206, proszę bo na żadnej aukcji nie mogę znaleźć że pasuje do tego alternatora o tym numerze :):) :)
  • #13 20247157
    andrzej20001
    Poziom 43  
    Te regulatory nie psują się w ten sposób. Prawdopodobnie błąd przy naprawie
  • #14 20247182
    krzysiek7
    Moderator - Elektryka
    cubeq99 napisał:
    Po wymianie i zamontowaniu alternatora na samochodzie i uruchomieniu napięcie na akumulatorze zaczęło rosnąć powoli, osiągnęło 13V z groszem i rosło dalej ale postanowiłem sprawdzić napięcie na alternatorze i było tam az 15 V i dalej rosło

    Nie zastanowiło Cię, skąd tak duża różnica napięć na metrze przewodu?
  • #15 20247381
    decybel91
    Poziom 42  
    Chłop ma rozładowane baterie w mierniku napięcia a wy tutaj szukacie tysiąca przyczyn.
  • #16 20248686
    piachu1994
    Poziom 39  
    decybel91 napisał:
    Chłop ma rozładowane baterie w mierniku napięcia a wy tutaj szukacie tysiąca przyczyn.


    cubeq99 napisał:
    na kilku innych moich miernikach no najtańszych wszystkie pokazują tak samo
  • #17 20487784
    cubeq99
    Poziom 3  
    Problem był z chińskim zamiennikiem regulatora, okazało się że takiego regulatora o konkretnych numerach się nie znajdzie już, trzeba było dopisywać w sklepie, udało się
  • #18 20487789
    cubeq99
    Poziom 3  
    Problem był z chińskim zamiennikiem regulatora, okazało się że takiego regulatora o konkretnych numerach się nie znajdzie już, trzeba było dopisywać w sklepie, udało się

Podsumowanie tematu

Użytkownik zgłasza problem z alternatorem BOSCH w Hondzie Accord VI F18b2, który przestał ładować akumulator, co objawiało się migotaniem świateł i gaśnięciem silnika. Po rozebraniu alternatora stwierdzono zużyte szczotki oraz uszkodzone pierścienie. Użytkownik wymienił regulator, łożyska i część komutatora. W dyskusji poruszono kwestie pomiaru napięcia, zalecając sprawdzenie działania alternatora pod obciążeniem oraz wymianę na oryginalne części BOSCH, aby uniknąć problemów z zamiennikami. Użytkownik ostatecznie zidentyfikował problem z chińskim zamiennikiem regulatora, który nie był zgodny z wymaganiami.
Podsumowanie wygenerowane przez model językowy.
REKLAMA