Jak spełnić wymagania projektowe zasilaczy wykorzystujących szerokopasmowe klucze krzemowe? Pojawienie się usług internetowych opartych na chmurze, sztucznej inteligencji i kryptowalut zapoczątkowało silny wzrost zapotrzebowania na moc obliczeniową w centrach danych na całym świecie. W połączeniu z rosnącymi cenami energii elektrycznej i nieruchomości, trend ten stwarza wyraźny popyt na zwiększenie sprawności przy redukcji wymiarów zasilaczy. W poniższym artykule przyjrzymy się, jak osiągane są te parametry, dzięki nowatorskim rozwiązaniom obudów i chłodzenia nowych układów półprzewodnikowych.
Aby uzyskać wymaganą wyższą gęstość mocy, należy wziąć pod uwagę trzy główne czynniki:
* Zwiększona sprawność w celu utrzymania akceptowalnej całkowitej emisji mocy cieplnej w danej objętości. To napędza przejście na nowe topologie i technologie. Doskonałym przykładem jest przeskok z konwencjonalnego krzemowego układu PFC na totem-pole PFC z azotku galu (GaN) / węglika krzemu (SiC).
* Ulepszone obudowy i rozwiązania termiczne, które mogą rozpraszać energię z dala od złącza urządzenia do radiatorów i otoczenia. Staje się to trudniejsze w przypadku mniejszych sprzętów do montażu powierzchniowego (SMD), co jest głównym czynnikiem umożliwiającym zwiększenie gęstości elementów w przetwornicach.
* Zoptymalizowana konstrukcja systemu i częstotliwość przełączania w celu osiągnięcia maksymalnej gęstości bez naruszania wymagań dotyczących sprawności lub limitów wzrostu temperatury. Prowadzi to do zwiększania częstotliwości przełączania, napędzając przejście od konwencjonalnych do nowych pakietów i rozwiązań termicznych.
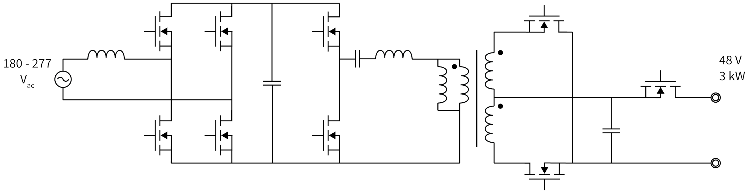
Zazwyczaj najnowocześniejsze zasilacze o wysokiej sprawności składają się z bezmostkowego stopnia PFC, takiego jak totem-pole, oraz rezonansowego stopnia DC/DC typu konwerter LLC (patrz rysunek 1). Przykładowa specyfikacja zasilania serwera to Vin = 180–277 V, Vout = 48 V, Pout = 3 kW.
Aby określić ilościowo osiągalny kompromis między sprawnością a gęstością mocy, stosuje się metodę optymalizacji Pareto. Ta technika systematycznie uwzględnia wszystkie dostępne stopnie swobody w projektowaniu różnych systemów przetwornic. Wykorzystując szczegółowe modele systemów i komponentów, identyfikuje optymalne projekty umieszczone w całości. Sprawność obliczana jest dla 50% znamionowej mocy wyjściowej i obejmuje zarówno straty stopnia PFC, jak i LLC.
Oblicza się front Pareto dla całego systemu zasilania serwerów, a wyniki optymalizacji przedstawiono na rysunku 2. Wykres pokazuje, że wydajność bliską 98,2% można osiągnąć dla średnich gęstości mocy (~40 W/cal³), podczas gdy projekty z ponad 80 W/cal³ mają sprawność poniżej 97,5%. Inną ważną obserwacją z tego rysunku jest wyższa częstotliwość przełączania stopnia LLC wymagana dla opcji o większej gęstości mocy. Obserwacje te potwierdzają konieczność pracy pakietów z większą częstotliwością z wyższą sprawnością.
Rys.2. Wyniki optymalizacji całego zasilacza serwera pokazujące sprawność w funkcji gęstości, przy optymalnej częstotliwości stopnia LLC.
Obudowy SMD używane w topologiach SMPS
Firma Infineon oferuje szerszą gamę obudów dla chłodzenia typu bottom-side (BSC) i top-side (TSC), czyli od dolnej i górnej strony układu, które wpisują się w trendy związane z wyższą mocą i gęstością w zastosowaniach serwerowych zasilaczy impulsowych (SMPS). Ta sekcja omawia i porównuje różne obudowy pod kątem takich tematów jak montaż, sprawność cieplna i pasożytnicze parametry elektryczne.
Implementacje montażowe obudów BSC i TSC
Chłodzenie od spodu
Rysunki 3 i 4 przedstawiają podstawową koncepcję chłodzenia BSC i TSC. W obu przypadkach obudowa SMD jest montowana na płytce drukowanej, zwykle w procesie lutowania rozpływowego. W przypadku BSC główny strumień ciepła jest kierowany z radiatora urządzenia (odsłoniętej podkładki) na spodzie obudowy przez płytkę drukowaną do zewnętrznego, zamontowanego po przeciwnej stronie PCB. W związku z tym, w przypadku korzystania z PCB opartego na FR4 do przenoszenia ciepła potrzebne są przelotki termiczne pod obudową. Z tyłu płytki, zewnętrzny radiator jest montowany na obszarze z przelotkami termicznymi. Radiator i PCB są elektrycznie oddzielone od siebie za pomocą materiału interfejsu termicznego (TIM). Dość często jako TIM stosuje się folię o grubości w zakresie 100–500 μm, która ma dobrą przewodność cieplną (λ). Idealnie prowadzi to do osiągnięcia niskiej impedancji termicznej (Zthja) dla całego systemu.
Płytka drukowana ma pewną grubość, na którą wpływ ma m.in. liczba warstw Cu potrzebnych do projektowania obwodów oraz ograniczenie gęstości dla przelotek termicznych. Z tego powodu efektywne pole przekroju do wymiany ciepła przez PCB jest mniejsze w porównaniu z powierzchnią oferowaną przez radiator urządzenia. To pierwsze wąskie gardło. Drugim jest TIM, który ma znacznie niższy λ niż radiator urządzenia i zewnętrzny.
W niektórych przypadkach zastąpienie podłoża opartego na FR4 izolowanym metalowym (IMS) pozwala na uzyskanie wyższego strumienia ciepła bez przekraczania maksymalnej temperatury sprzętu lub PCB. Zwłaszcza w przypadku jednowarstwowych projektów PCB nie są potrzebne ani przelotki termiczne, ani dodatkowe TIM. Zewnętrzny radiator można zaoszczędzić, gdy aluminiowy rdzeń płyty przejmuje tę funkcję. Jednak, chociaż Zthja jest zmniejszona, liczba cykli temperaturowych na pokładzie (TCoB) jest zredukowana, szczególnie w przypadku obudów SMD bez pinów, takich jak TO-leadless (TOLL) lub ThinPAK, spowodowanych przez sztywną płytkę drukowaną opartą na IMS w porównaniu z bardziej elastycznym FR4.
Chłodzenie od góry
W pakietach TSC radiator urządzenia na górze pakietu jest połączony bezpośrednio z radiatorem zewnętrznym przez TIM (rysunek 4). W tym przypadku ciepło nie przechodzi przez płytkę drukowaną i przelotki, co eliminuje ich impedancję termiczną z całkowitej systemu. Prowadzi to do zwiększonej przewodności cieplnej i wyższego maksymalnego rozpraszania mocy z obudowy.
Ponadto kolejną zaletą pakietów TSC jest wolna przestrzeń po przeciwnej stronie PCB, którą można wykorzystać do umieszczenia innych urządzeń, takich jak sterowniki bramek i elementy pasywne, a także miejsce na prowadzenie sygnałów bezpośrednio pod korpusem pakietu.
Aby uzyskać dobry interfejs termiczny, zaleca się dociśnięcie radiatora z pewną siłą do elementu chłodzonego. W przypadku obudów SMD z wyprowadzeniami z dodatnim odstępem pakietu (rysunek 5, po lewej), ta siła i inne wywołane przez cykliczne zmiany temperatury są absorbowane przez nóżki elementu, co skutkuje bardzo dobrym TCoB wynoszącym 2000 cykli w przypadku QDPAK.
W kwestii negatywnego odstępu między pakietami (rysunek 5, po prawej), należy wziąć pod uwagę inne ujęcia dotyczące projektu płytki drukowanej, aby uniknąć problemów z niezawodnością systemu, co może spowodować dodatkowy wysiłek i złożoność w projektowaniu i produkcji całości. Negatywna odległość opakowania ma tę zaletę, że niweluje produkt Zthja ze względu na zmniejszoną tolerancję wysokości, co prowadzi do zredukowania grubości TIM. Jednak biorąc pod uwagę inne tolerancje, takie jak wypaczenie PCB, szczególnie w przypadku większych rozmiarów płytki i wielu urządzeń zasilających korzystających ze wspólnego radiatora, przewaga termiczna negatywnego odstępu obudowy staje się mniej ważna.
Rys.5. Standardowe, dodatnie obsadzenie obudowy (po lewej) i ujemne odsunięcie (po prawej). Miedziana podkładka pod korpusem elementu jest korzystna jako mechaniczne podparcie o dobrze określonej wysokości i wysokiej niezawodności na poziomie płyty w przypadku negatywnego dystansu.
W przypadku wspólnego podejścia, rysunek 6 przedstawia schematycznie stos TIM pomiędzy urządzeniem a radiatorem, który w tym przykładzie składa się z folii izolacyjnej i wypełniacza szczelin. Ten ostatni służy do kompensacji tolerancji produkcyjnych związanych ze sprzętami, radiatorami i płytkami drukowanymi. Używając tylko wypełniacza szczelinowego do wymiany ciepła, należy zapewnić niezawodną izolację między urządzeniem a zewnętrznym radiatorem. Dodatkowo materiał wypełniający szczelinę musi spełniać niezbędną klasę napięcia przebicia i należy zapobiegać cząsteczkom zawartym w wypełniaczu szczeliny lub otworach podczas montażu PCB. Ogólnie rzecz biorąc, czyste środowisko pracy do montażu PCB może obniżyć ryzyko awarii systemu spowodowanych zanieczyszczeniem podczas produkcji całości.
Rys.6. Folia izolująca elektrycznie i wypełniająca szczeliny między zewnętrznym radiatorem a urządzeniem.
W celu dalszej redukcji Zthja i poprawy dynamicznego rozpraszania mocy dla TSC dobrym rozwiązaniem jest wdrożenie pośredniego rozpraszacza ciepła, jak pokazano na rysunku 7. Pojemność cieplna tej dodanej jednostki może magazynować przez pewien czas (kilka sekund) dodatkowe ciepło i przenieść je dalej do wspólnego radiatora i otoczenia. W zależności od projektu systemu, usunięcie wspólnego radiatora i TIM jest również możliwe w przypadku poprawionego Zthja, w którym rozpraszacz ciepła to główna jednostka i jest bezpośrednio chłodzona przez przepływ powietrza wentylatora.
Wydajność cieplna
Rysunek 8 przedstawia wykresy zależne od czasu Zthja dla wybranych urządzeń przewlekanych (THT), BSC SMD i TSC SMD, biorąc pod uwagę konstrukcję PCB opartą na FR4 z wymuszonym chłodzeniem powietrznym. Zakłada się, że to samo urządzenie jest we wszystkich pokazanych obudowach i ma jednakie straty mocy. Porównując DDPAK (pakiet TSC) z TO263 (BSC) na PCB opartej na FR4, DDPAK osiąga o 60% niższy Zthja, chociaż efektywna powierzchnia chłodzenia obu pakietów jest dość podobna. DDPAK omija wąskie gardło: „przelotek termicznych”, jak opisano w poprzedniej sekcji. Wykres ilustruje również, że opakowania chłodzone od góry mogą osiągnąć wartości Zthja porównywalne z elementami THT.
Rys.8. Typowa przejściowa impedancja termiczna złącze-otoczenie (Zthja) dla wielu obudów przy wymuszonej konwekcji.
Legenda wykresu pokazuje, że użycie cienkich warstw materiałów izolacyjnych o porównywalnym, wysokim λ jest kluczem do osiągnięcia dobrych wyników w zakresie Zthja. Poza tym stosowanie wypełniacza szczelin i folii izolacyjnej o jeszcze wyższym λ doprowadzi do sytuacji, w której pokazane opakowania TSC będą dostarczać niższą Zthja niż elementy THT.
Niska indukcyjność pasożytnicza jako zaleta w pracy z wysoką częstotliwością
Rysunek 9 przedstawia wpływ indukcyjności źródła pakietu (LSc) na stan nieustalony włączania. LSc zwiększa się z 0 do 4 nH. Wzrost prądu drenu (di/dt) powoduje indukcyjny spadek napięcia na LSc, który odejmuje od napięcia sterującego bramką, a tym samym zmniejsza prąd bramki. Zatem przejściowe napięcie trwa dłużej, a straty rosną. Ten sam mechanizm, ale w odwrotny sposób, dotyczy stanu nieustalonego podczas wyłączania.
Rys.9. Przykład wpływu indukcyjności źródła pakietu na włączanie: szczegóły przebiegu (po lewej) i straty (po prawej).
Omówiony powyżej negatywny wpływ LSc można wyeliminować za pomocą oddzielnego pinu czujnika źródła (źródło Kelvina) do sterowania bramką (rysunek 10, po prawej), co skutecznie zmniejsza straty przy przełączaniu. Wykorzystując połączenie czujnika i źródła do sterowania bramką, LSc wychodzi poza pętlę sterowania. Dlatego indukowane napięcia nie będą wracać do obwodu sterującego, jak miałoby to miejsce w standardowej konfiguracji (rysunek 10, po lewej) z tylko jednym połączeniem źródła z tranzystorem MOSFET.
Rys.10. Porównanie pętli sterowania bramki standardowego pakietu z trzema złączami (po lewej) i pakietu z czterema złączami w konfiguracji Kelvina (po prawej).
Należy wspomnieć również, że topologia Kelvina rozwiązuje negatywny wpływ LSc na sterowanie bramki i szybkość przełączania. Jednak LSc będzie nadal zwiększało całkowitą indukcyjność pętli, co jest kluczowym parametrem powodującym oscylacje w aplikacjach szybkiego przełączania, takich jak serwerowe zasilacze impulsowe z przełącznikami szerokopasmowymi (WBG). Z tego powodu istotne jest LSc obudowy, nawet przy użyciu topologii Kelvina.
Podsumowanie
W artykule omówiono znaczenie obudów półprzewodnikowych urządzeń w spełnianiu wymagań dotyczących sprawności i gęstości mocy zasilaczy serwerowych, w szczególności przełączników krzemowych i wykonanych z materiałów szerokoprzerwowych. Przedstawiono szybkie wprowadzenie do zastosowań i trendów serwerowych SMPS, a następnie przeanalizowano obudowy SMD pod względem implementacji montażu, sprawności termicznej i zalet elementów o niskiej indukcyjności pasożytniczej w pracy w systemach o wysokiej częstotliwości.
Tabela 1 podsumowuje portfolio obudów SMD firmy Infineon stosowanych w serwerowych SMPS i porównuje ich główne parametry.
Tab.1. Przegląd obudów SMD BSC i TSC do zastosowań serwerowych. Do oceny indukcyjności pakietu przyjmuje się urządzenie z podobnym RDS(on) wewnątrz pakietu.
Źródło: https://www.powerelectronicsnews.com/packaging-and-thermal-solutions-to-fulfill-trends-in-data-centers-and-server-smps/
Aby uzyskać wymaganą wyższą gęstość mocy, należy wziąć pod uwagę trzy główne czynniki:
* Zwiększona sprawność w celu utrzymania akceptowalnej całkowitej emisji mocy cieplnej w danej objętości. To napędza przejście na nowe topologie i technologie. Doskonałym przykładem jest przeskok z konwencjonalnego krzemowego układu PFC na totem-pole PFC z azotku galu (GaN) / węglika krzemu (SiC).
* Ulepszone obudowy i rozwiązania termiczne, które mogą rozpraszać energię z dala od złącza urządzenia do radiatorów i otoczenia. Staje się to trudniejsze w przypadku mniejszych sprzętów do montażu powierzchniowego (SMD), co jest głównym czynnikiem umożliwiającym zwiększenie gęstości elementów w przetwornicach.
* Zoptymalizowana konstrukcja systemu i częstotliwość przełączania w celu osiągnięcia maksymalnej gęstości bez naruszania wymagań dotyczących sprawności lub limitów wzrostu temperatury. Prowadzi to do zwiększania częstotliwości przełączania, napędzając przejście od konwencjonalnych do nowych pakietów i rozwiązań termicznych.
Zazwyczaj najnowocześniejsze zasilacze o wysokiej sprawności składają się z bezmostkowego stopnia PFC, takiego jak totem-pole, oraz rezonansowego stopnia DC/DC typu konwerter LLC (patrz rysunek 1). Przykładowa specyfikacja zasilania serwera to Vin = 180–277 V, Vout = 48 V, Pout = 3 kW.
Aby określić ilościowo osiągalny kompromis między sprawnością a gęstością mocy, stosuje się metodę optymalizacji Pareto. Ta technika systematycznie uwzględnia wszystkie dostępne stopnie swobody w projektowaniu różnych systemów przetwornic. Wykorzystując szczegółowe modele systemów i komponentów, identyfikuje optymalne projekty umieszczone w całości. Sprawność obliczana jest dla 50% znamionowej mocy wyjściowej i obejmuje zarówno straty stopnia PFC, jak i LLC.
Oblicza się front Pareto dla całego systemu zasilania serwerów, a wyniki optymalizacji przedstawiono na rysunku 2. Wykres pokazuje, że wydajność bliską 98,2% można osiągnąć dla średnich gęstości mocy (~40 W/cal³), podczas gdy projekty z ponad 80 W/cal³ mają sprawność poniżej 97,5%. Inną ważną obserwacją z tego rysunku jest wyższa częstotliwość przełączania stopnia LLC wymagana dla opcji o większej gęstości mocy. Obserwacje te potwierdzają konieczność pracy pakietów z większą częstotliwością z wyższą sprawnością.
Rys.2. Wyniki optymalizacji całego zasilacza serwera pokazujące sprawność w funkcji gęstości, przy optymalnej częstotliwości stopnia LLC.
Obudowy SMD używane w topologiach SMPS
Firma Infineon oferuje szerszą gamę obudów dla chłodzenia typu bottom-side (BSC) i top-side (TSC), czyli od dolnej i górnej strony układu, które wpisują się w trendy związane z wyższą mocą i gęstością w zastosowaniach serwerowych zasilaczy impulsowych (SMPS). Ta sekcja omawia i porównuje różne obudowy pod kątem takich tematów jak montaż, sprawność cieplna i pasożytnicze parametry elektryczne.
Implementacje montażowe obudów BSC i TSC
Chłodzenie od spodu
Rysunki 3 i 4 przedstawiają podstawową koncepcję chłodzenia BSC i TSC. W obu przypadkach obudowa SMD jest montowana na płytce drukowanej, zwykle w procesie lutowania rozpływowego. W przypadku BSC główny strumień ciepła jest kierowany z radiatora urządzenia (odsłoniętej podkładki) na spodzie obudowy przez płytkę drukowaną do zewnętrznego, zamontowanego po przeciwnej stronie PCB. W związku z tym, w przypadku korzystania z PCB opartego na FR4 do przenoszenia ciepła potrzebne są przelotki termiczne pod obudową. Z tyłu płytki, zewnętrzny radiator jest montowany na obszarze z przelotkami termicznymi. Radiator i PCB są elektrycznie oddzielone od siebie za pomocą materiału interfejsu termicznego (TIM). Dość często jako TIM stosuje się folię o grubości w zakresie 100–500 μm, która ma dobrą przewodność cieplną (λ). Idealnie prowadzi to do osiągnięcia niskiej impedancji termicznej (Zthja) dla całego systemu.
Płytka drukowana ma pewną grubość, na którą wpływ ma m.in. liczba warstw Cu potrzebnych do projektowania obwodów oraz ograniczenie gęstości dla przelotek termicznych. Z tego powodu efektywne pole przekroju do wymiany ciepła przez PCB jest mniejsze w porównaniu z powierzchnią oferowaną przez radiator urządzenia. To pierwsze wąskie gardło. Drugim jest TIM, który ma znacznie niższy λ niż radiator urządzenia i zewnętrzny.
W niektórych przypadkach zastąpienie podłoża opartego na FR4 izolowanym metalowym (IMS) pozwala na uzyskanie wyższego strumienia ciepła bez przekraczania maksymalnej temperatury sprzętu lub PCB. Zwłaszcza w przypadku jednowarstwowych projektów PCB nie są potrzebne ani przelotki termiczne, ani dodatkowe TIM. Zewnętrzny radiator można zaoszczędzić, gdy aluminiowy rdzeń płyty przejmuje tę funkcję. Jednak, chociaż Zthja jest zmniejszona, liczba cykli temperaturowych na pokładzie (TCoB) jest zredukowana, szczególnie w przypadku obudów SMD bez pinów, takich jak TO-leadless (TOLL) lub ThinPAK, spowodowanych przez sztywną płytkę drukowaną opartą na IMS w porównaniu z bardziej elastycznym FR4.
Chłodzenie od góry
W pakietach TSC radiator urządzenia na górze pakietu jest połączony bezpośrednio z radiatorem zewnętrznym przez TIM (rysunek 4). W tym przypadku ciepło nie przechodzi przez płytkę drukowaną i przelotki, co eliminuje ich impedancję termiczną z całkowitej systemu. Prowadzi to do zwiększonej przewodności cieplnej i wyższego maksymalnego rozpraszania mocy z obudowy.
Ponadto kolejną zaletą pakietów TSC jest wolna przestrzeń po przeciwnej stronie PCB, którą można wykorzystać do umieszczenia innych urządzeń, takich jak sterowniki bramek i elementy pasywne, a także miejsce na prowadzenie sygnałów bezpośrednio pod korpusem pakietu.
Aby uzyskać dobry interfejs termiczny, zaleca się dociśnięcie radiatora z pewną siłą do elementu chłodzonego. W przypadku obudów SMD z wyprowadzeniami z dodatnim odstępem pakietu (rysunek 5, po lewej), ta siła i inne wywołane przez cykliczne zmiany temperatury są absorbowane przez nóżki elementu, co skutkuje bardzo dobrym TCoB wynoszącym 2000 cykli w przypadku QDPAK.
W kwestii negatywnego odstępu między pakietami (rysunek 5, po prawej), należy wziąć pod uwagę inne ujęcia dotyczące projektu płytki drukowanej, aby uniknąć problemów z niezawodnością systemu, co może spowodować dodatkowy wysiłek i złożoność w projektowaniu i produkcji całości. Negatywna odległość opakowania ma tę zaletę, że niweluje produkt Zthja ze względu na zmniejszoną tolerancję wysokości, co prowadzi do zredukowania grubości TIM. Jednak biorąc pod uwagę inne tolerancje, takie jak wypaczenie PCB, szczególnie w przypadku większych rozmiarów płytki i wielu urządzeń zasilających korzystających ze wspólnego radiatora, przewaga termiczna negatywnego odstępu obudowy staje się mniej ważna.
Rys.5. Standardowe, dodatnie obsadzenie obudowy (po lewej) i ujemne odsunięcie (po prawej). Miedziana podkładka pod korpusem elementu jest korzystna jako mechaniczne podparcie o dobrze określonej wysokości i wysokiej niezawodności na poziomie płyty w przypadku negatywnego dystansu.
W przypadku wspólnego podejścia, rysunek 6 przedstawia schematycznie stos TIM pomiędzy urządzeniem a radiatorem, który w tym przykładzie składa się z folii izolacyjnej i wypełniacza szczelin. Ten ostatni służy do kompensacji tolerancji produkcyjnych związanych ze sprzętami, radiatorami i płytkami drukowanymi. Używając tylko wypełniacza szczelinowego do wymiany ciepła, należy zapewnić niezawodną izolację między urządzeniem a zewnętrznym radiatorem. Dodatkowo materiał wypełniający szczelinę musi spełniać niezbędną klasę napięcia przebicia i należy zapobiegać cząsteczkom zawartym w wypełniaczu szczeliny lub otworach podczas montażu PCB. Ogólnie rzecz biorąc, czyste środowisko pracy do montażu PCB może obniżyć ryzyko awarii systemu spowodowanych zanieczyszczeniem podczas produkcji całości.
Rys.6. Folia izolująca elektrycznie i wypełniająca szczeliny między zewnętrznym radiatorem a urządzeniem.
W celu dalszej redukcji Zthja i poprawy dynamicznego rozpraszania mocy dla TSC dobrym rozwiązaniem jest wdrożenie pośredniego rozpraszacza ciepła, jak pokazano na rysunku 7. Pojemność cieplna tej dodanej jednostki może magazynować przez pewien czas (kilka sekund) dodatkowe ciepło i przenieść je dalej do wspólnego radiatora i otoczenia. W zależności od projektu systemu, usunięcie wspólnego radiatora i TIM jest również możliwe w przypadku poprawionego Zthja, w którym rozpraszacz ciepła to główna jednostka i jest bezpośrednio chłodzona przez przepływ powietrza wentylatora.
Wydajność cieplna
Rysunek 8 przedstawia wykresy zależne od czasu Zthja dla wybranych urządzeń przewlekanych (THT), BSC SMD i TSC SMD, biorąc pod uwagę konstrukcję PCB opartą na FR4 z wymuszonym chłodzeniem powietrznym. Zakłada się, że to samo urządzenie jest we wszystkich pokazanych obudowach i ma jednakie straty mocy. Porównując DDPAK (pakiet TSC) z TO263 (BSC) na PCB opartej na FR4, DDPAK osiąga o 60% niższy Zthja, chociaż efektywna powierzchnia chłodzenia obu pakietów jest dość podobna. DDPAK omija wąskie gardło: „przelotek termicznych”, jak opisano w poprzedniej sekcji. Wykres ilustruje również, że opakowania chłodzone od góry mogą osiągnąć wartości Zthja porównywalne z elementami THT.
Rys.8. Typowa przejściowa impedancja termiczna złącze-otoczenie (Zthja) dla wielu obudów przy wymuszonej konwekcji.
Legenda wykresu pokazuje, że użycie cienkich warstw materiałów izolacyjnych o porównywalnym, wysokim λ jest kluczem do osiągnięcia dobrych wyników w zakresie Zthja. Poza tym stosowanie wypełniacza szczelin i folii izolacyjnej o jeszcze wyższym λ doprowadzi do sytuacji, w której pokazane opakowania TSC będą dostarczać niższą Zthja niż elementy THT.
Niska indukcyjność pasożytnicza jako zaleta w pracy z wysoką częstotliwością
Rysunek 9 przedstawia wpływ indukcyjności źródła pakietu (LSc) na stan nieustalony włączania. LSc zwiększa się z 0 do 4 nH. Wzrost prądu drenu (di/dt) powoduje indukcyjny spadek napięcia na LSc, który odejmuje od napięcia sterującego bramką, a tym samym zmniejsza prąd bramki. Zatem przejściowe napięcie trwa dłużej, a straty rosną. Ten sam mechanizm, ale w odwrotny sposób, dotyczy stanu nieustalonego podczas wyłączania.
Rys.9. Przykład wpływu indukcyjności źródła pakietu na włączanie: szczegóły przebiegu (po lewej) i straty (po prawej).
Omówiony powyżej negatywny wpływ LSc można wyeliminować za pomocą oddzielnego pinu czujnika źródła (źródło Kelvina) do sterowania bramką (rysunek 10, po prawej), co skutecznie zmniejsza straty przy przełączaniu. Wykorzystując połączenie czujnika i źródła do sterowania bramką, LSc wychodzi poza pętlę sterowania. Dlatego indukowane napięcia nie będą wracać do obwodu sterującego, jak miałoby to miejsce w standardowej konfiguracji (rysunek 10, po lewej) z tylko jednym połączeniem źródła z tranzystorem MOSFET.
Rys.10. Porównanie pętli sterowania bramki standardowego pakietu z trzema złączami (po lewej) i pakietu z czterema złączami w konfiguracji Kelvina (po prawej).
Należy wspomnieć również, że topologia Kelvina rozwiązuje negatywny wpływ LSc na sterowanie bramki i szybkość przełączania. Jednak LSc będzie nadal zwiększało całkowitą indukcyjność pętli, co jest kluczowym parametrem powodującym oscylacje w aplikacjach szybkiego przełączania, takich jak serwerowe zasilacze impulsowe z przełącznikami szerokopasmowymi (WBG). Z tego powodu istotne jest LSc obudowy, nawet przy użyciu topologii Kelvina.
Podsumowanie
W artykule omówiono znaczenie obudów półprzewodnikowych urządzeń w spełnianiu wymagań dotyczących sprawności i gęstości mocy zasilaczy serwerowych, w szczególności przełączników krzemowych i wykonanych z materiałów szerokoprzerwowych. Przedstawiono szybkie wprowadzenie do zastosowań i trendów serwerowych SMPS, a następnie przeanalizowano obudowy SMD pod względem implementacji montażu, sprawności termicznej i zalet elementów o niskiej indukcyjności pasożytniczej w pracy w systemach o wysokiej częstotliwości.
Tabela 1 podsumowuje portfolio obudów SMD firmy Infineon stosowanych w serwerowych SMPS i porównuje ich główne parametry.
Tab.1. Przegląd obudów SMD BSC i TSC do zastosowań serwerowych. Do oceny indukcyjności pakietu przyjmuje się urządzenie z podobnym RDS(on) wewnątrz pakietu.
Źródło: https://www.powerelectronicsnews.com/packaging-and-thermal-solutions-to-fulfill-trends-in-data-centers-and-server-smps/

