Witam, mam pytanie do kogoś kto posiada podnośnik Zippo.
Chcę go uruchomić ale mam pytanie jak podłączyć główne zasilanie.
Przewód jest 4- żyłowy.
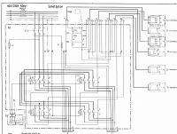
Wpinam tak jak na zdjęciu do włącznika głównego fazy L1, L2, L3 i zielono żółty na obudowę, ale nic się nie dzieje. Poniżej skrzynki jest gniazdo 230V, na którym napięcie 230 V jest dopiero jak przytknę miernik do jednego wtyku gniazdka i bolca ochronnego. Chyba trzeba połączyć N i PE. Tylko gdzie go wpiąć?
Chcę go uruchomić ale mam pytanie jak podłączyć główne zasilanie.
Przewód jest 4- żyłowy.
Wpinam tak jak na zdjęciu do włącznika głównego fazy L1, L2, L3 i zielono żółty na obudowę, ale nic się nie dzieje. Poniżej skrzynki jest gniazdo 230V, na którym napięcie 230 V jest dopiero jak przytknę miernik do jednego wtyku gniazdka i bolca ochronnego. Chyba trzeba połączyć N i PE. Tylko gdzie go wpiąć?
