logo elektroda
logo elektroda
X
logo elektroda
REKLAMA
REKLAMA
Adblock/uBlockOrigin/AdGuard mogą powodować znikanie niektórych postów z powodu nowej reguły.

Daewoo Lanos 1.5 v16 2000r. - silnik pracuje pomimo wyjęcia kluczyka, rozwiązania?

Gregi102 21 Lis 2022 20:31 831 28
REKLAMA
  • #1 20296522
    Gregi102
    Poziom 9  
    Witam panów, szukałem na forum i wszystkim gaśnie a u mnie nie.
    Nie gaśnie po wyjęciu kluczyka, wypięciu stacyjki z kostki, rozpiętej instalacji tylnych i przednich świateł i odłączeniu alternatora (przewody od kontrolki)
    Gaśnie tylko gdy wyjmę przekaźnik od pompy paliwa.
    Na kostce od stacyjki mam stały + na przewodzie biało czerwonym i czarno czerwonym.(środkowe przewody)
    Na przekaźniku pompy też mam stałe zasilanie, przekaźnik sprawny.
    Po wyjęciu kluczyka( przy wciąż pracującym silniku) ładowanie jest, nie działa radio ,szyby, kontrolki na pulpicie nie zapalają się (zapalają się jedynie przy rozruchu i jak go zadławię i w końcu zgaśnie)
    Rozebrałem skrzynki bezpiecznikowe żeby sprawdzić czy coś się nie stopiło i nic.
    Podejrzewam że coś z komputerem ale nie wiem jak się zabrać do tego.
    Brakuje mi pomysłów, proszę o pomoc.
  • REKLAMA
  • #3 20296847
    Gregi102
    Poziom 9  
    Radio też odłączone. Nic nie było robione. Problem pojawiał się parę razy w zeszłym tygodniu a teraz złapało na stałe.
  • #4 20297227
    michal_rybka
    Poziom 35  
    a nie zatankowałeś tam może jakiegoś "ruskiego" paliwa niskooktanowego? jak kiedyś takie zalaliśmy do malucha to też nie gasł po wyłączeniu zapłonu a nawet po zdjęciu kabli ze świec ;)

    jak normalne paliwo no to trzeba schemat Lanosa ściągnąć i zobaczyć może np jest jakiś przekaźnik od zapłonu który się skleił, albo się gdzieś wiązka przetarła i plus stały przywarł do plusa po stacyjce (dobrze że nie do masy)
  • REKLAMA
  • Pomocny post
    #5 20297356
    Plumpi
    Specjalista - systemy grzewcze
    Ja bym zaczął od sprawdzenia stacyjki czy czasami nie uszkodziły się styki zasilania opisywanego na schematach jako ACC i czy czasami po wyjęciu kluczyka, nadal nie ma tam napięcia zasilania +12V.
    Jeżeli silnik nie gaśnie po wyjęciu kluczyka ze stacyjny to znaczy, że nadal jest podawane zasilanie na komputer silnika, a tym samym na pompę paliwa, wtryski.

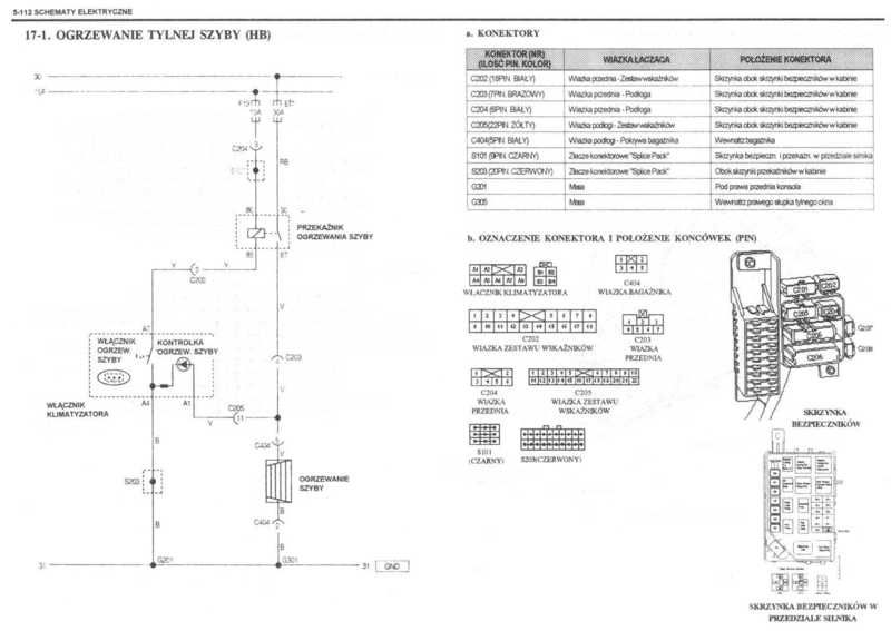
    Tutaj zobacz sobie fragment schematu https://www.elektroda.pl/rtvforum/topic3247669.html#gallery-1
    oraz bezpiecznik F17 czy po wyjęciu kluczyka ze stacyjki nadal jest napiecie na tym bezpieczniku.

    Jaki to jest silnik? SOHC czy DOHC?

    P.S.
    Proszę bzdur nie pisać. Lanos to nie Maluch.
    Lanos posiada wtryski, które podają paliwo tylko i wyłącznie wtedy, kiedy pracuje ECU, pompa paliwa, czujnik położenia wału oraz wtryski. Odłączenie zasilania, któegokolwiek z ww elementów powoduje, że silnik przestaje pracować.
    Maluch ma natomiast pompkę paliwa mechaniczną, sprzężoną bezpośrednio z silnikiem. Ponadto posiada gaźnik, który także działa mechanicznie, a nie elektronicznie.
  • #6 20297401
    sq3evp
    Poziom 36  
    Perpetuum mobile - a odłączenie WN do świec nie pomaga zgasić silnika benzynowego?

    Maluch także bez zasilania świec zgaśnie - to silnik benzynowy i potrzebuje iskry za zainicjowania zapłonu.
  • #7 20297754
    Plumpi
    Specjalista - systemy grzewcze
    sq3evp napisał:

    Maluch także bez zasilania świec zgaśnie - to silnik benzynowy i potrzebuje iskry za zainicjowania zapłonu.


    Akurat w to jeszcze można uwierzyć. Maluch, chłodzony powietrzem, silnik przegrzany, zawory wylotowe rozgrzane prawie do czerwoności, benzyna z dodatkiem jakiegoś "zajzajeru" :) i samozapłon gotowy.
    Ale tutaj bardziej od liczby oktanowej miałaby znaczenie obniżona temperatura samozapłonu.
    Może po prostu "chrzcili" tę benzynę naftą, olejem, napędowym, olejem opałowym lub parafiną, które mają o wiele niższą temperaturę samozapłonu od benzyny.
  • #9 20297925
    Gregi102
    Poziom 9  
    To silnik dohc, na bezpieczniku 17 zostaje napięcie ale tylko gdy silnik uruchomię i wyłączę kluczyk (silnik zgaśnie po wyjęciu bezpiecznika) ale gdy załączam zapłon i wyłączam bez odpalenia to napięcie pojawia się i znika za każdym razem. (Tak jak by jakiś przekaźnik miał podtrzymanie po odpaleniu , tylko który)
  • Pomocny post
    #10 20298186
    Plumpi
    Specjalista - systemy grzewcze
    Jak przekręcisz kluczyk w stacyjne w pierwsze położenie, słychać jak zaczyna pracować pompka paliwa w baku.
    Czy po kilku sekundach ona przestaje pracować czy też pracuje cały czas?
  • #11 20298280
    Gregi102
    Poziom 9  
    Chodzi cały czas
  • #12 20298328
    Plumpi
    Specjalista - systemy grzewcze
    Masz taki przekaźnik na podmianę? Albo masz jakiś miernik, aby sprawdzić czy czasami przekaźnik ten nie ma po prostu zwartych styków?
    Jak masz multimetr zmierz na zakresie omomierza czy jest przejście pomiędzy stykami:
    30-87
    30-87a
    oraz
    pomiędzy 85 i 86 do 30, 87, 87a

    Dodano po 2 [minuty]:

    Możesz tez zmierzyć napięcie pomiędzy stykami 85 i 86 w gnieździe przekaźnika.
    Wyjmij ten przekaźnik, podłącz tam woltomierz albo małą żaróweczkę na 12V
    Przekręć stacyjkę w pierwszą pozycję. Napięcie powinno się tam pojawić na kilka sekund i powinno zniknąć.
  • #13 20298359
    Gregi102
    Poziom 9  
    Jest napięcie cały czas na przekaźniku pompy. Przekaźnik sprawny.
  • Pomocny post
    #14 20298382
    Plumpi
    Specjalista - systemy grzewcze
    Ale to piszesz o napięciu pomiędzy 85 i 86?
  • #15 20298409
    Gregi102
    Poziom 9  
    Sorki źle popatrzyłem, mam plus na styku 30 ,pozostałe 86 85 87 dają masę.(na wyłączonym kluczyku)

    Dodano po 8 [minuty]:

    Na załączonej stacyjce między 85 a 86 pokazuje mi 6,3v.

    Dodano po 6 [minuty]:

    Napięcie nie zanika między 85 a 86 na włączonym zapłonie.

    Dodano po 5 [minuty]:

    Przekaźnik sprawdzałem nie ma przejścia między 87 a 30.(podłączyłem pod akumulator i działa tzn. klika i robi przejście na 87 i 30)
  • #16 20298502
    Plumpi
    Specjalista - systemy grzewcze
    To jeszcze ciekawiej.
    Tam pomiędzy 85 i 86 powinno się pojawić 12V na kilka sekund, a następnie zniknąć.
    Na 30 powinno być stale napięcie +12V względem masy. Podawane jest ono poprzez bezpiecznik EF16 znajdujący się w komorze silnika.
    Na 86 powinno się pojawiać +12V względem masy po przekręceniu kluczyka w pierwszą pozycję.
    87 powinien mieć cały czas potencjał masy, bo tutaj jest pompka paliwa połączona do masy.
    86 to sterowanie przekaźnikiem od ECU i tu podawana jest masa przez kilka sekund po przekręceniu kluczyka w pierwszą pozycję, a następnie powinno to przechodzić w stan wysokiej oporności.

    Zrób jeszcze eksperyment.
    Odpal auto, wyjmij kluczyk. Jeżeli silnik będzie nadal pracował to zacznij załączać i wyłączać, różne światła, dmuchawę, radio.
  • REKLAMA
  • #17 20298549
    Gregi102
    Poziom 9  
    Jest jeszcze lepiej. pompka pracuje nawet bez przekaźnika po przekręceniu kluczyka ,podałem plus z akumulatora na styk 85 i pokazało 12v na wyłączonym zapłonie i 6,4v na włączonym.(może to problem z masą na pompce albo zwarcie)
    A jeśli chodzi o eksperyment to bez kluczyka działają światła kierunki i ogrzewanie szyby.(dalej nie gaśnie)
    Dzisiaj muszę już kończyć ,dzięki za poświęcenie mi czasu.

    Dodano po 1 [minuty]:

    Nie ma styku 87, przekaźnik ma 4 styki.
  • #18 20298573
    michal_rybka
    Poziom 35  
    jeszcze inny pomysł, jako że to Lanos, to bardzo duże szanse że tam jest jakiś dokładany alarm, pewnie dawno nie działający, ja bym prześledził kable od stacyjki czy niema tam żadnych przeróbek, dodatkowych kabli, najlepiej to powywalać i przywrócić do orginału

    miałem kiedyś przypadek w Uno gdzie był dołożony immobilajzer że też się coś zadziało i cośtam nadal było zasilane bez kluczyka (nie pamiętam już co) ale okazała się usmażona dioda w dorobionej instalacji immobilajzera, oczywiście to wywaliłem i zrobiłem na orginał

    Plumpi: racja, przepraszam, zapomniałem o różnicy wtrysku/gaźnika, ale sytuacja z maluchem jest prawdziwa, jeździliśmy tak, zresztą na ropie też jeździł jak już był gorący (rozgrzany na benzynie) i też iskry nie potrzebował ;) a na denaturacie próbowaliśmy Skodę 105 jak była taka bida że nic palnego nie mieliśmy ale nawet nie prychnęła
  • #19 20298873
    g107r
    Poziom 41  
    Masz chyba cały czas zasilany sterownik silnika.
    Którędy nie wiem, przychodzi mi na myśl C203, lub S303 i C301, przetarta gdzieś wiązka.
    http://daewooforum.pl/temat79459-15.html
    http://daewooforum.pl/temat67184.html
    Także sprawdź te złącza, którymi wspólnie leci zasilanie z BAT+ i IGN1, bo mając na F17 zasilanie bez kostki stacyjki, jest gdzieś zwarcie.

    Dodano po 8 [minuty]:

    Gregi102 napisał:
    podałem plus z akumulatora na styk 85
    Gregi102 napisał:
    Nie ma styku 87, przekaźnik ma 4 styki.
    Nie wiem co robisz, ale podawanie plusa na końcówkę gdzie ma być masa, brak 87 z którego idzie zasilanie pompy paliwa... Coś nie teges...
    Daewoo Lanos 1.5 v16 2000r. - silnik pracuje pomimo wyjęcia kluczyka, rozwiązania?

    Dodano po 3 [minuty]:

    Daewoo Lanos 1.5 v16 2000r. - silnik pracuje pomimo wyjęcia kluczyka, rozwiązania?

    Dodano po 17 [minuty]:

    Gregi102 napisał:
    Rozebrałem skrzynki bezpiecznikowe żeby sprawdzić czy coś się nie stopiło i nic.
    S101, pomiędzy przekaźnikiem pompy i bezp. eF1
  • REKLAMA
  • #20 20299538
    Gregi102
    Poziom 9  
    Przepraszam, z tym podawaniem prądu chodziło mi o pomiar miernikiem z plusa akumulatora do styku przekaźnika. (Zmęczenie materiału)

    Dodano po 20 [minuty]:

    Po przekręceniu stacyjki mierząc w skrzynce bezpieczników na stykach przekaźnika mam plus na 30,87 i 86, czyli coś podaje mi napięcie od pompki albo wiązka między skrzynkami ma zwarcie. (Chyba)
  • Pomocny post
    #21 20299756
    g107r
    Poziom 41  
    C203 pin1 zasilanie z akumulatora (BAT+), pin 5, wyjście z przekaźnika na pompę.
    Gregi102 napisał:
    ogrzewanie szyby
    Fioletowy przewód o ile pamiętam, pin :?: numer 4 :?:
    Znajdź teraz obrazek złącza C203 na schemacie, właściwie obok - gdzie są te piny w kostce, złączu? Też obok siebie?
    Takich rzeczy masz szukać, przy skrzynce wiele się dzieje :( a to pod fotelami kierowcy i pasażera, to taka norma, i to sobie naprawdę zapamiętaj http://daewooforum.pl/temat67747.html http://daewooforum.pl/temat7719.html
  • #22 20299954
    Gregi102
    Poziom 9  
    No tak tego elementu mi brakowało, złączy S301 i 302, bo wiązkę między skrzynką bezpieczników pod maską a kabiną dzisiaj sprawdziłem ale dalej od skrzynki z kabiny do komputera coś mi nie grało a na forum co mi wysłałeś widać że to jest pod siedzeniem kierowcy.
    Dzięki , jutro wyjmę też fotel kierowcy.
  • Pomocny post
    #23 20300651
    g107r
    Poziom 41  
    S303 C301 jest pod pasażerem, kierowca http://daewooforum.pl/temat62918.html , oczywiście jak zobaczysz że jest mokro na podłodze, pod wykładziną, warto i tam zajrzeć.

    C203, o to mi chodzi

    Daewoo Lanos 1.5 v16 2000r. - silnik pracuje pomimo wyjęcia kluczyka, rozwiązania?
    g107r napisał:
    C203 pin1 zasilanie z akumulatora (BAT+), pin 5, wyjście z przekaźnika na pompę.
    Gregi102 napisał:
    ogrzewanie szyby
    Fioletowy przewód o ile pamiętam, pin numer 4

    To sprawdziłeś?
    Zwykle tu gdzieś tracił się kontakt i coś znikało, ale nie wykluczyłbym, że zrobi się odwrotnie, któryś może się przegrzać, i zewrzeć do tych obok.
    Pali się kontrolka?

    Daewoo Lanos 1.5 v16 2000r. - silnik pracuje pomimo wyjęcia kluczyka, rozwiązania?

    Żeby się paliła, musi być napięcie, z przewodów (zwartych z plusem), lub złącz.
    W których złączach, tych ze schematu, może obok być plus, co by zwarł? Przewody... cóż, w każdym miejscu może się przetrzeć i zwierać.
    Dlatego zaczynałbym od złącz, wspólnych miejsc, bo trochę łatwiej się do nich dostać, po za kilkoma wyjątkami.
    Tak w ogóle, czytasz schematy i wiesz co pokazuję?
    Światła są bez kluczyka, ale inne rzeczy, bez kluczyka "świecić" nie powinny, więc co nieco można sobie wywnioskować z objawów/efektów usterki w samochodzie, ale wypadałby mieć wszystkie rysunki i prawidłowo je interpretować.
  • #24 20300690
    sq3evp
    Poziom 36  
    Miałem Nexie, niby przodem Lanosa, ale wiem od mechanika z Daewoo, ze to nie było to samo.
    Lanos miał zmiany i mówił mechanik, ze ciezko było śledzić problemy z elektryka.
    Może Tobie się to właśnie trafiło? Zwarcie jakieś w instancji gdzieś? Nie było zmian? Odcięcia zapłonu, pompy itp?
    Prześledzić by trzeba całość od aku, poprzez bezpieczniki do pompy i zapłonu.
  • #25 20300726
    Mierzejewski46
    Poziom 37  
    Kiedyś miałem takiego poloneza plusa to jak się światła włącznikiem,włączyło to dopiero zgasł. We włączniku było uszkodzenie. Prześledzić jak zasilane jest ECU. Piszesz ze wypinales kostkę ze stacyjki. Odepnij kostkę z wiązki. Bo może kostka zwarta i krzaczy.
  • #26 20300789
    g107r
    Poziom 41  
    Musi przepatrzeć, kostki/złącza, przewody/wiązki z nich wychodzące, to nie było dobrą stroną lanosa, blaszki http://daewooforum.pl/temat77637.html
    Daewoo Lanos 1.5 v16 2000r. - silnik pracuje pomimo wyjęcia kluczyka, rozwiązania?
    a w środku takie coś
    Daewoo Lanos 1.5 v16 2000r. - silnik pracuje pomimo wyjęcia kluczyka, rozwiązania?
    to już w kilkuletnich śniedziało, to jak wygląda po 20 latach?
    Ogólnie zapraszam na PFD, bo nie ma co powielać rozkminionych tematów, a kilka wad jest...
    A w tym, po wyjęciu przekaźnika pompy gaśnie, ale byłby gaz, to by nie gasł, bo przy LPG pompy i benzyny nie trzeba?

    Mierzejewski46 napisał:
    Piszesz ze wypinales kostkę ze stacyjki. Odepnij kostkę z wiązki. Bo może kostka zwarta i krzaczy.
    Masz rację, umkło nam?
    Kostka ze stacyjki, to co innego, jak wtyczka z kostki stacyjki.
    Czy wypinał i kostkę, znaczy wtyczkę?
    "Kostka" myląca jest.
    Kostka z kablami i kostka - włącznik zapłonu.
    Zbyt proste by było...
  • #27 20303293
    Gregi102
    Poziom 9  
    Znalazłem, do pompy paliwa podpięty był dodatkowy kabelek zasilany z radia puszczony przez tunel.
    Widocznie kiedyś komuś przestała działać i jakiś magik wymyślił coś takiego.
    Problem zrobił się kiedy obie wiązki zaczęły działać jednocześnie i przekaźnik dostawał podtrzymanie,
    a pierwotnym problemem okazała się kostka wiązki pompy paliwa na tylnej belce (zaśniedziała)
    Dziękuje wszystkim za pomoc, bez was nie dał bym rady.
  • #29 20307167
    sq3evp
    Poziom 36  
    Niedawno widziałem film na YT - face miał błąd pompy paliwa w Audi A8, naszukał sie i znalazł odcięcie pompy paliwa.
    Ominął to i po problemie - tzn., jednym z wielu, ale tez był magik przed nim.

    Jak miałem Daewoo to tylko miałem jedną modyfikacją, ale za to na ECU - zworka informującą, ze używam paliwa min 95 oktanów. Auto było z 1997 roku to takie bajery były, ze mógł używać E91 benzyny.

Podsumowanie tematu

Użytkownik zgłosił problem z Daewoo Lanos 1.5 v16 z 2000 roku, gdzie silnik nie gaśnie po wyjęciu kluczyka. Po przeanalizowaniu sytuacji, stwierdzono, że zasilanie na komputer silnika oraz pompę paliwa jest podawane nawet po wyjęciu kluczyka. Użytkownik sprawdził różne elementy, w tym stacyjkę, przekaźnik pompy paliwa oraz bezpieczniki, ale problem nie ustępował. Ostatecznie zidentyfikowano, że dodatkowy kabel zasilający pompkę paliwa był podłączony do radia, co powodowało konflikt w zasilaniu. Po usunięciu tego połączenia problem został rozwiązany.
Podsumowanie wygenerowane przez model językowy.
REKLAMA