Dzień dobry.
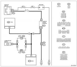
Mam nierozwiązany problem z moim Foresterem SG 2003 r 2.0 125 KM LPG. Check na desce się świeci a wskazówka spadając z obrotów tak jakby spada etapami, zawiesza się. Autocom pokazuje błąd prawdopodobnie czujnika "speed sensor" Znalazłem prawdopodobnie ten czujnik w skrzyni patrząc pod filtrem powietrza, za bagnetem oleju skrzyni.
Kostka 3 pinowa. Pin 2 środkowy to masa i jest, pin 3 to 12 V z zapłonu i też jest. Pin 1 idzie do komputera. Mierzyłem rezystancję pomiędzy masą czujnika i pinem 1 i 3 i nie ma zwarcia, są jakieś wartości. Czy ktoś miał podobny problem i znalazł rozwiązanie? Czujnik kosztuje dość sporo więc chciałbym muc wykluczyć inne przypadłości zanim go zamówię.

Mam nierozwiązany problem z moim Foresterem SG 2003 r 2.0 125 KM LPG. Check na desce się świeci a wskazówka spadając z obrotów tak jakby spada etapami, zawiesza się. Autocom pokazuje błąd prawdopodobnie czujnika "speed sensor" Znalazłem prawdopodobnie ten czujnik w skrzyni patrząc pod filtrem powietrza, za bagnetem oleju skrzyni.
Kostka 3 pinowa. Pin 2 środkowy to masa i jest, pin 3 to 12 V z zapłonu i też jest. Pin 1 idzie do komputera. Mierzyłem rezystancję pomiędzy masą czujnika i pinem 1 i 3 i nie ma zwarcia, są jakieś wartości. Czy ktoś miał podobny problem i znalazł rozwiązanie? Czujnik kosztuje dość sporo więc chciałbym muc wykluczyć inne przypadłości zanim go zamówię.