logo elektroda
logo elektroda
X
logo elektroda
REKLAMA
REKLAMA
Adblock/uBlockOrigin/AdGuard mogą powodować znikanie niektórych postów z powodu nowej reguły.

Zwrotnice Tonsil maestro 130 - Zmiana parametrów głośnika wysokoton

pipi_ja 21 Gru 2022 17:20 381 2
REKLAMA
  • #1 20346327
    pipi_ja
    Poziom 11  
    Podpowiedzcie proszę czy jest możliwość zmiany elementów w zwrotnicy żeby niejako "podgłośnić" wysokotonowca?
    Problem polega na tym, że głośnik gra ładnie tyle, że zdecydowanie zbyt cicho przez co ogólny odbiór jest wybitnie........zamulony. Myślałem, że to problem z samym głośnikiem i podłożyłem inny z kolumn Heco Allegro 350 i była taka sama lipa, mój głośnik w tamtej kolumnie grał bardzo fajnie.
    Tym sposobem padło na problem ze zwrotnicami. Wymieniłem wszystkie kondensatory na Jantzeny i jest lekka poprawa ale dalej bez szału.
    Do momentu mojej wymiany całe kolumny były w 100% w oryginale.
    Jest ktoś w stanie poradzić na co jeszcze zwrócić uwagę?

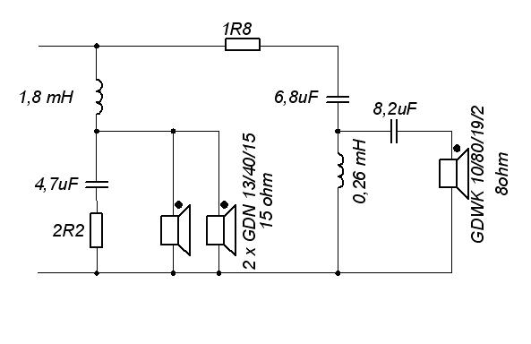
    W załączniku wstawiam schemat zwrotnicy.
  • REKLAMA
  • #2 20346547
    bwc
    Poziom 26  
    Możesz usunąć/zmniejszyć wartość rezystor 1,8 Ohm. Jeśli to nie pomoże możesz dokleić dodatkowy magnes w polaryzacji odpychającej do głównego magnesu głośnika wysokotonowego. Sprawdź średnicę magnesu i kup jakis z poniżej wskazanych.
    https://www.skleptonsil.pl/mp-65-x-32-x-10-f30-magnes-ferrytowy,id503.html
    https://stx.pl/magnes-m-70-32-15.html
    https://stx.pl/magnes-m-65-32-15.html
    Magnes musi być oczywiście namagnesowany
  • #3 20346657
    pipi_ja
    Poziom 11  
    Ogólnie działam trochę w temacie elektroniki ale dział audio i zwrotnice to dla mnie czarna magia.
    Jeśli chodzi o rezystory to ich wartości są lekko inne jak na schemacie, ale to Tonsil wprowadzał takie modyfikacje. Rezystor 1.8 jest zastąpiony 1.5 a ten 2.2 fizycznie jest 2.0 ohma. Gdzieś znalazłem stary temat dotyczący tych kolumn i facet wymienił wszystko wg schematu i kolumna mu się rozjechała. Po włożeniu starych rezystorów było ok.

    A teraz ciekawostka, zwierałem rezystor 1.5 ohma i nie zauważyłem różnicy w działaniu wysokotonowego.

    Nie wiem czy to moja psychika ale im dłużej słucham tego zestawu po wymianie kondensatorów tym bardziej odnoszę wrażenie, że z każdą godziną grają lepiej.
    Jest możliwe że te kondensatory jakoś się"układają" wraz z przegranymi godzinami?

    Może moje pytania są durne ale serio się na tym nie znam 😁
REKLAMA