Witam
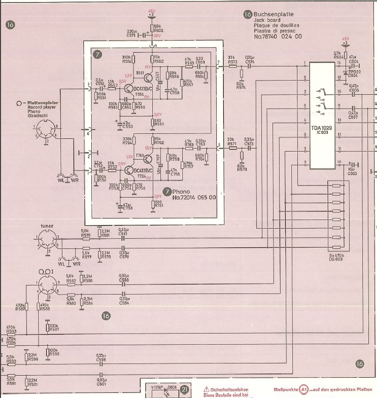
Dostałem ostatnio od szwagra stary wzmacniacz Saba Mi-212 (1978r podobno) bez pewności czy działa. Jedyne co mi wiadomo to że przeleżały +/-15 lat na strychu.
Podłączyłem do niego 70-watowych 3kanaowych głośników sony (6Ω), a sam wzmacniacz podłączyłem do pc z kabla rca-aux. Przez pierwsze 5 minut grał normalnie, później pojawił się szum w prawym głośniku nie znikający nawet po przyciszeniu amplifiera. Dalej były wszelkiego rodzaju trzaski strzały i prawa strona grała coraz ciszej. Przełączyłem input z "phono" na "tuner" i oba głośniki zaczęły grać ciszej oraz w obu głównie basowy głośnik stawał się głuchy i wstawał mocnym trzaskiem. Potem było tylko gorzej, grała prawa ale tylko po przekręceniu balansera na R i to bardzo cicho. Wkońcu po jakiejś godzinie z obu 0 dźwięku. (to nie wina głośników, sprawdzałem je na wieży w salonie i wszystko grało jak należy)
Czy ktoś by mi podpowiedział na co patrzeć, zwracać uwagę? Odkręciłem górną blachę i sprawdziłem każdy kondensator po kolei, żaden nie jest spuchnięty. Nie zauważyłem również żadnego spalonego układu a zapach wydaje się normalny jak na sprzęt z tamtych czasów który stał około dekady na strychu. Więc według was gdzie powinienem szukać problemu?
Z góry dziękuje za odpowiedzi
Dostałem ostatnio od szwagra stary wzmacniacz Saba Mi-212 (1978r podobno) bez pewności czy działa. Jedyne co mi wiadomo to że przeleżały +/-15 lat na strychu.
Podłączyłem do niego 70-watowych 3kanaowych głośników sony (6Ω), a sam wzmacniacz podłączyłem do pc z kabla rca-aux. Przez pierwsze 5 minut grał normalnie, później pojawił się szum w prawym głośniku nie znikający nawet po przyciszeniu amplifiera. Dalej były wszelkiego rodzaju trzaski strzały i prawa strona grała coraz ciszej. Przełączyłem input z "phono" na "tuner" i oba głośniki zaczęły grać ciszej oraz w obu głównie basowy głośnik stawał się głuchy i wstawał mocnym trzaskiem. Potem było tylko gorzej, grała prawa ale tylko po przekręceniu balansera na R i to bardzo cicho. Wkońcu po jakiejś godzinie z obu 0 dźwięku. (to nie wina głośników, sprawdzałem je na wieży w salonie i wszystko grało jak należy)
Czy ktoś by mi podpowiedział na co patrzeć, zwracać uwagę? Odkręciłem górną blachę i sprawdziłem każdy kondensator po kolei, żaden nie jest spuchnięty. Nie zauważyłem również żadnego spalonego układu a zapach wydaje się normalny jak na sprzęt z tamtych czasów który stał około dekady na strychu. Więc według was gdzie powinienem szukać problemu?
Z góry dziękuje za odpowiedzi
