logo elektroda
logo elektroda
X
logo elektroda
REKLAMA
REKLAMA
Adblock/uBlockOrigin/AdGuard mogą powodować znikanie niektórych postów z powodu nowej reguły.

Peugeot 306 1,4 KFX - Sagem SL96 błąd sondy, brak mocy,

staś pytalski 30 Gru 2022 17:18 453 15
REKLAMA
  • #1 20359757
    staś pytalski
    Poziom 41  
    Dzień dobry.

    Jak w temacie, Peugeot 306 o pojemności 1,4 model KFX.
    Samochód jakby nie ma mocy - prędkość maksymalna jaką udało mi się uzyskać to ok 110km/h a pedał w podłodze - wcześniej autem jeździł dziadek, hamulce nie są zablokowane, dywaniki wyjęte spod pedału przyspieszenia.
    W trakcie dłuższej trasy samochód zgasł sam z siebie, po czym odpalił za którymś razem. Inna sytuacja miała miejsce, w czasie jazdy po mieście, zgasł w czasie parkowania i nie chciał odpalić przez kilka prób.
    Po dłuższej jeździe mam wrażenie, że silnik hałasuje, jakby klekocze, ale nie ma na to reguły. Obroty po uruchomieniu nie falują.

    Po podłączeniu Peugeot Planet pojawił się błąd - Stały błąd: funkcja sondy lambda - układ rozwarty lub zwarcie do masy.
    Grzebiąc w internecie zauważyłem, że problemem może być sterownik (który można wymienić na jakiś inny ale nie wiem do końca jaki) i cewka.
    Na aktualnie zainstalowanej cewce nie widzę oznaczeń. Zamówiłem używaną i sugerowaną Electricfil Bougicord.


    Czytałem, ze nawet jak cewka będzie nowa to uszkodzony komputer może uszkodzić nową cewkę. Nie chciałbym błądzić i wymieniać wszystkiego po omacku.

    Proszę o wskazówki - takie łopatologiczne - co sprawdzić i w jaki sposób.
    Z góry dziękuję.

    P.S.
    Może najszybszym rozwiązaniem jest zakup zestawu startowego, kompatybilny komputer, pętla i pestka? Tylko jaki będzie pasował?
  • REKLAMA
  • #2 20360181
    Konto nie istnieje
    Poziom 1  
  • #4 20360794
    Konto nie istnieje
    Poziom 1  
  • REKLAMA
  • #5 20362450
    zi.ko
    Poziom 26  
    Kliknij w ikonę "i" na dole ekranu lub klawisz F6, pojawi się dodatkowy opis i numer kodu błędu.
  • #7 20362907
    zi.ko
    Poziom 26  
    Kod błędu jest w lewej uciętej części ekranu.
  • REKLAMA
  • #9 20364051
    staś pytalski
    Poziom 41  
    Peugeot 306 1,4 KFX - Sagem SL96 błąd sondy, brak mocy,

    koleś kit napisał:
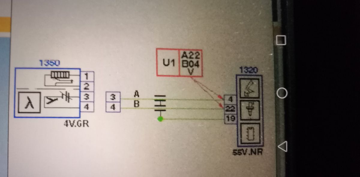
    Z tego co pamiętam, to klikasz na ten błąd albo enter, i wyskakuje kod. Tak czy tak raczej problem z sondą. Nie powiem ci dokładnie kolorów. Ale dwa białe to grzałka, czarny sygnał, a szary masa. Na białych masz mieć normalnie zasilanie 12v jak silnik pracuje. Na czarnym przy odłączonej sondzie masz mieć około 0.45v a na szarym 0v masa. Sprawdź to miernikiem to wtedy możemy myśleć dalej.


    Poproszę o wskazówkę, w brązowych jest grzałka - odpiąłem masę od akumulatora, sprawdziłem grzałkę omomierzem było ok 4.
    W brązowych jest ok 13-14V przy uruchomionym silniku i podłączonej sondzie.

    Z tego co znalazłem fioletowy (czarny) to sygnał i teraz mam odłączyć sondę jeszcze raz i nie wiem jak mam sprawdzić ten parametr - wpiąć się pod fioletowy i drugim przewodem do minusa na akumulatorze, czy jak? I tak samo z tym beżowym (masa) wpiąć się i do minusa (masy) na aku?
  • REKLAMA
  • #10 20364166
    Konto nie istnieje
    Poziom 1  
  • #11 20364229
    staś pytalski
    Poziom 41  
    Peugeot 306 1,4 KFX - Sagem SL96 błąd sondy, brak mocy,

    Sonda odłączona od gniazda.
    Podłączyłem akumulator, przekręciłem zapłon.
    Miernik ustawiony na Volty.
    Probnik do przewodu czerwonego (fioletowy w sondzie), drugi próbnik do minusa w akumulatorze - 0,77V
    Drugi pomiar, próbnik do zielonego przewodu (beżowy w sondzie), drugi próbnik do po plusa w Aku 12V z groszem.
  • #12 20364341
    Konto nie istnieje
    Poziom 1  
  • #13 20364362
    staś pytalski
    Poziom 41  
    Koleś Kit, dziękuję Ci - jak widzisz totalny amator ze mnie. Jeżeli bym wiedział jak to może i parametr "bias voltage" bym wyciągnął z Peugeot Planet.
    Jeżeli po tym co opisałem uważasz, że nie są to wartości prawidłowe, to muszę poszukać sondy.
  • #14 20364383
    Konto nie istnieje
    Poziom 1  
  • #16 20364454
    Konto nie istnieje
    Poziom 1  

Podsumowanie tematu

Dyskusja dotyczy problemu z Peugeot 306 1,4 KFX, który wykazuje brak mocy oraz błędy związane z sondą lambda. Użytkownik zauważył, że samochód osiąga maksymalną prędkość 110 km/h, a silnik gaśnie w trakcie jazdy. Po podłączeniu do diagnostyki Peugeot Planet, zidentyfikowano stały błąd dotyczący funkcji sondy lambda. Uczestnicy dyskusji sugerują sprawdzenie napięcia na przewodach sondy oraz wymianę sondy, jeśli pomiary wskazują na jej uszkodzenie. Użytkownik podaje wyniki pomiarów, które sugerują, że sonda może być uszkodzona, a także prosi o dalsze wskazówki dotyczące diagnostyki.
Podsumowanie wygenerowane przez model językowy.
REKLAMA