logo elektroda
logo elektroda
X
logo elektroda
REKLAMA
REKLAMA
Adblock/uBlockOrigin/AdGuard mogą powodować znikanie niektórych postów z powodu nowej reguły.

Fiat Doblo 2010 1,6 MultiJet - Brak podgrzewania sondy lambda

ABM 06 Sty 2023 14:09 1197 17
REKLAMA
  • #1 20371016
    ABM
    Poziom 11  
    Witam,

    Nie działa mi podgrzewanie sondy lambda. Sprawdziłem rezystancję grzałki sondy, wynosi 3 omy, podpiąłem też pod wiązkę sterującą nową sondę i pozostała zimna. Dzisiaj wpiąłem się w wiązkę w przewody od podgrzewania sondy i po przekręceniu kluczyka występuje napięcie 1,4V, po odpaleniu 1,36V. Mierząc plus zasilania z wiązki względem masy auta mamy napięcie akumulatora, co świadczy o sprawnym biegunie dodatnim zasilania.

    Problem ewidentnie leży po stronie ujemnego bieguna zasilania grzałki, który podobno jest regulowany przez sterownik silnika. Chciałbym stwierdzić czy uszkodzona jest wiązka czy ECU. Do tego potrzebuję schemat elektryczny, czy ktoś może udostępnić schemat do Doblo 1,6MultiJet 105 z 2010 roku lub analogiczny schemat do innego auta z tym silnikiem?

    Czy po wymianie ECU na inny o tym samym numerze części do takiego samego auta trzeba coś dodatkowo programować odblokowywać?
  • REKLAMA
  • #3 20371135
    ABM
    Poziom 11  
    Kaziu1991 napisał:
    Tak. Trzeba kodować nowy sterownik.


    Możesz coś więcej napisać? Jakie koszty, u kogo można to zrobić, czy do kodowania musi być zainstalowany w samochodzie?
  • REKLAMA
  • #5 20371524
    ABM
    Poziom 11  
    Gdyby ktoś wiedział i napisał, który pin w ECU steruje ujemnym biegunem grzałki sondy lambda to będę zobowiązany.
  • #6 20373037
    ABM
    Poziom 11  
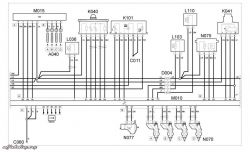
    Udało się zdobyć schemat połączeń czujników i elementów wykonawczych z ECU, może się komuś przyda na przyszłość. Za sterowanie podgrzewaniem lambdy odpowiedzialny jest styk 51 w dłuższym złączu.
    Fiat Doblo 2010 1,6 MultiJet - Brak podgrzewania sondy lambda
  • #7 20398773
    tomexxx
    Poziom 10  
    ABM napisał:
    Udało się zdobyć schemat połączeń czujników i elementów wykonawczych z ECU, może się komuś przyda na przyszłość. Za sterowanie podgrzewaniem lambdy odpowiedzialny jest styk 51 w dłuższym złączu.
    Fiat Doblo 2010 1,6 MultiJet - Brak podgrzewania sondy lambda


    mam prosbe jak i z ktorej strony liczyc styki

    Dodano po 1 [godziny] 56 [minuty]:

    i czy udało sie Panu rozwiazac problem bo mam to samo dziekuje
  • #9 20399140
    tomexxx
    Poziom 10  
    Kaziu1991 napisał:
    Styki masz podpisane w złączu. Pierwszy i ostatni w danym rzędzie. Trzeba się dobrze przyjrzeć.


    dzieki wezme latarke i lupe spróbuje namierzyc pin 51

    Dodano po 3 [minuty]:

    cxzy ktos przerabiał ten sam temat i czy mu sie udało i w jaki sposób byłbym bardzo wdzieczny bo czytam ze to czesta awaria ///

    Dodano po 5 [godziny] 9 [minuty]:

    Pomozecie koledzy..

    Dodano po 2 [godziny] 42 [minuty]:

    ponawiam Prośbe o pomoc odnosnie tego problemu ze sterownikiem jak w praktyce to mozna usunac
  • REKLAMA
  • #11 20400176
    tomexxx
    Poziom 10  
    moze to zimne luty czy wymiana tranzystora?
  • #12 20400553
    ABM
    Poziom 11  
    Na początek sprawdź sobie wiązkę. Przyznam szczerze, że dałem sobie spokój z naprawą, brak podgrzewania objawia się brakiem pracy sondy po odpaleniu kiedy jest zimna, po ruszeniu autem zaczyna działać po kilkudziesięciu sekundach i działa prawidłowo aż do zgaszenia silnika. Pracę sondy możesz sobie obejrzeć w Alfa OBD lub MultiEcuScan. Ilość tlenu musi oscylować od kilku procent przy przyspieszaniu, przez kilkanaście przy jednostajnej jeździe do prawie 21 procent przy hamowaniu silnikiem.
    Doszukałem się braku grzania sondy, ponieważ szukałem przyczyny dużego spalania i śmierdzących spalin. Po zrobieniu testu przelewowego winnym okazał się lejący pierwszy wtryskiwacz. Jutro wymieniam rozpylacz na nowy i mam nadzieję, że wszystko wróci do normy.
  • #13 20401709
    tomexxx
    Poziom 10  
    Dziekuje bardzo za wyczerpujaca odpowiedz w tym tygodniu wezme sie za sprawdzenie tej wiazki ..
    Fakt zauwazyłem ze jak jest rozgrzany silnik to komunikat o sprawdzeniu silnika nie pokazuje sie tylko bład zostaje po podłaczeniu diaga
    PS. a nie próbował Pan tych wynalazkow do czysczenia tudziez regeneracji wtryskiwaczy co tak reklamuja?

    Bardzo dziekuje za odpowiedz ,pzdr

    o postepie poinformuje na forum
  • #14 20401869
    ABM
    Poziom 11  
    tomexxx napisał:
    podłaczeniu diaga

    Kolego kup sobie odpowiedni interfejs za kilkadziesiąt zł i zainstaluj MultiEcuScan, będziesz mógł podglądać i kasować błędy, wykonywać testy modułów, kasować inspekcje olejowe, a nawet kodować kluczyki. Odezwij się na PW, powiem co trzeba kupić
    tomexxx napisał:

    PS. a nie próbował Pan tych wynalazkow do czysczenia tudziez regeneracji wtryskiwaczy co tak reklamuja?
    .
    Te płyny działają dość dobrze w przypadku zatkanych rozpylaczy niestety cieknących nie naprawią. Udało mi się kupić oryginalny nowy rozpylacz Bosch za 50 zł, więc taniej niż LM czy Tec.
    tomexxx napisał:
    Bardzo dziekuje za odpowiedz ,pzdr

    Proszę, także pozdrawiam.
    PS. U mnie nie pojawia się żaden błąd mimo, że podgrzewanie ewidentnie nie działa. Dziwne.
  • #15 20403525
    tomexxx
    Poziom 10  
    ja mam doblo 1,6 multijet 2015 i na wyswietlaczu pokazuje podst. komunikaty i błedy moze dlatego ..czy ja wiem czy to dobre lepiej nie wiedziec i spac spokojnie haha
  • REKLAMA
  • #16 20403658
    ABM
    Poziom 11  
    To masz DPF, jak będziesz miał ELM bluetooth to zainstaluj sobie na telefonie apkę DPF Monitor, bardzo przydatna rzecz.
  • #17 20403719
    tomexxx
    Poziom 10  
    mam zamontowana na tele fonie DPF monitor wersja bezpl bo jak jezdze od nowosci od 8 lat tylko raz wlaczyl mi sie komunikat zeby nie wyl silnik cyt,,trwa wypalanie filtra DPF nie wylaczaj sinika.
    wiem zenawet ludzie nawet montowali diode ktora zaswiecala sie jak trwalo wypalanie
    generalnie fajny programik dpf monitor
  • #18 20403827
    ABM
    Poziom 11  
    tomexxx napisał:
    mam zamontowana na tele fonie DPF monitor wersja bezpl bo jak jezdze od nowosci od 8 lat tylko raz wlaczyl mi sie komunikat zeby nie wyl silnik cyt,,trwa wypalanie filtra DPF nie wylaczaj sinika

    Jak nie masz podłączonego i sparowanego odpowiedniego interfejsu to ten program nie może działać.

Podsumowanie tematu

Użytkownik zgłasza problem z brakiem podgrzewania sondy lambda w Fiacie Doblo 1,6 MultiJet z 2010 roku. Po pomiarach stwierdzono, że rezystancja grzałki wynosi 3 omy, a napięcie na przewodach podgrzewania wynosi 1,4V przy włączonym zapłonie. Problem wydaje się leżeć po stronie ujemnego bieguna zasilania, który jest regulowany przez ECU. Użytkownik poszukuje schematu elektrycznego oraz informacji na temat kodowania nowego ECU. W odpowiedziach podano, że wymiana ECU wymaga kodowania, a także wskazano pin 51 w złączu ECU jako odpowiedzialny za podgrzewanie sondy. Użytkownicy dzielą się doświadczeniami oraz sugerują sprawdzenie wiązki i ewentualne naprawy, takie jak wymiana tranzystora lub sprawdzenie zimnych lutów.
Podsumowanie wygenerowane przez model językowy.
REKLAMA