logo elektroda
logo elektroda
X
logo elektroda
REKLAMA
REKLAMA
Adblock/uBlockOrigin/AdGuard mogą powodować znikanie niektórych postów z powodu nowej reguły.

Amica L60204 - typ C6E3.401ZPTEKDSR - potrzebny schemat okablowania

Lubanski26 18 Sty 2023 18:52 354 1
REKLAMA
  • #1 20392542
    Lubanski26
    Poziom 2  
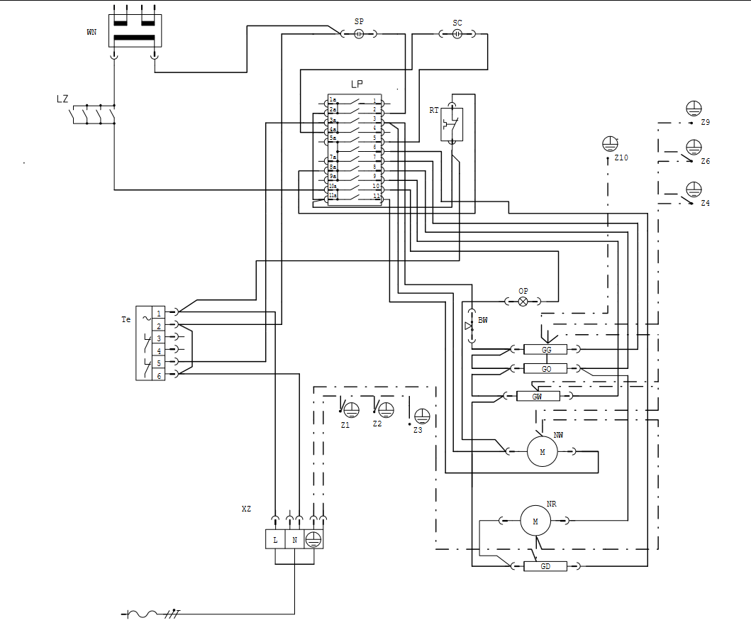
    Amica model L60204 typ C6E3.401ZPTEKDSR. Ojciec porozpinał i teraz problem xD. Jeśli ktoś by poratował schematem to byłoby świetnie!
    Dzięki z góry.
  • REKLAMA
  • Pomocny post
    #2 20393178
    skryn
    Specjalista AGD
    Lubanski26 napisał:
    Jeśli ktoś by poratował schematem to byłoby świetnie!


    Amica L60204 - typ C6E3.401ZPTEKDSR - potrzebny schemat okablowania
REKLAMA