logo elektroda
logo elektroda
X
logo elektroda
REKLAMA
REKLAMA
Adblock/uBlockOrigin/AdGuard mogą powodować znikanie niektórych postów z powodu nowej reguły.

Brak iskry w Honda Civic VI 1.4 75km: sprawdzenie świec, przewodów, aparatu i sterownika silnika

piotrdowis 22 Lut 2023 17:09 513 13
REKLAMA
  • #1 20452802
    piotrdowis
    Poziom 3  
    Witam mam poważny problem z samochodem, mam nadzieje, że mi ktoś pomoże bo już wyczerpały mi się pomysły. Mianowicie w aucie brak iskry. Świece, przewody, aparat zapłonowy są sprawne. Chciałem wykonać diagnozę. Znalazłem kostkę dwu pinową i ją zwarłem ale nic się nie dzieje. Nie wyświetla się żaden komunikat. Dodam, że był sprawdzany sterownik silnika. Gościu powiedział że nie widzi problemu jednak może być uszkodzony procesor a tego nie da się sprawdzić.
  • REKLAMA
  • REKLAMA
  • #3 20453256
    piotrdowis
    Poziom 3  
    Jak, skoro nie ma tam złączki obd?
  • REKLAMA
  • #4 20453338
    robokop
    VIP Zasłużony dla elektroda
    piotrdowis napisał:
    Jak, skoro nie ma tam złączki obd?
    To zaprowadź auto do elektryka.
    Po pierwsze - rocznik auta.
    Po drugie - kto stwierdził że aparat zapłonowy jest sprawny?
  • REKLAMA
  • #7 20453641
    piotrdowis
    Poziom 3  
    Honda to 97r. Aparat był wymieniony na używany sprawny, poza tym gościu co to sprawdzał powiedział ze nawet nie potrzebnie to stary był podobno okej. Mówił też, że prawdopodobnie jakiś czujnik nie daje sygnału i komputer odcina iskrę
  • #9 20453695
    robokop
    VIP Zasłużony dla elektroda
    Kaziu1991 napisał:
    A wyłącznik wstrząsowy posiada?

    robokop napisał:
    Kaziu1991 napisał:
    Ale jest złącze DIN honda. I tym się połączysz.
    Weź idź już stąd.

    piotrdowis napisał:
    prawdopodobnie jakiś czujnik nie daje sygnału i komputer odcina iskrę

    https://pl.cardigital.net/p0335_1997_honda_civic
  • Pomocny post
    #10 20453932
    ALIBABA I
    Poziom 32  
    Autorze tematu podeślę ci kilka opisów i fotek odnośnie tematu , Brak iskry w Honda Civic VI 1.4 75km: sprawdzenie świec, przewodów, aparatu i sterownika silnika ,

    Brak iskry w Honda Civic VI 1.4 75km: sprawdzenie świec, przewodów, aparatu i sterownika silnika

    Brak iskry w Honda Civic VI 1.4 75km: sprawdzenie świec, przewodów, aparatu i sterownika silnika

    Brak iskry w Honda Civic VI 1.4 75km: sprawdzenie świec, przewodów, aparatu i sterownika silnika

    Przyda ci się do strony którą podał " robokop " , schematy elektryczne gdy będą potrzebne to podeślę .
  • #11 20454292
    piotrdowis
    Poziom 3  
    Kurde, nie jestem wielkim znawcą w tej dziedzinie. Oddam auto do elektro mechanika, w ostateczności na złom 😂
    Dziękuje za pomoc
  • Pomocny post
    #12 20454900
    ALIBABA I
    Poziom 32  
    piotrdowis napisał:
    Kurde, nie jestem wielkim znawcą w tej dziedzinie. Oddam auto do elektro mechanika, w ostateczności na złom
    . Nie poddawaj się HONDA cierpiała na blacharkę a jeżeli tu jest w miarę w porządku to powalczył bym przy niej , tam były dwa rodzaje złączek , fotka drugiego złącza kolory kompatybilne , Brak iskry w Honda Civic VI 1.4 75km: sprawdzenie świec, przewodów, aparatu i sterownika silnika

    A co do "wstrząsówki" ona odcina tylko pompę paliwa , a tak przy okazji na pokrywje kompa masz oczko po włączeniu zapłonu ono musi i teraz nie pamiętam mrygać lub świecić , w razie czego gdyby to on był padnięty mam takiego kompa bez immo i wysterowany na dużo większą moc , tylko teraz przebieg no bo czy wnętrzności wytrzymają .

    Tak przy okazji do D4 nie polecał bym go , lecz do D5 to miał byś 120 i więcej patatajów a obroty ? zakresu brakuje na skali obrotomierza .

    z 1,4 tez to wyciągniesz pytanie na jak długo ? . nie pamiętam dokładnie, ale na kolektorze ssącym musisz mieć napis DPMFI tu mogłem pomylić się z nazewnictwem i pattaje są świetne tylko krótko żyją .
  • #13 20455166
    piotrdowis
    Poziom 3  
    Jestem pewny, że sam tego nie ogarnę i szukam kogoś kto sobie z tym poradzi. Mieszkam w okolicy Torunia i gdzie nie dzwonię mówię, że to Honda to słyszę jedno. Nie pomogę. Dziękuje za zaangażowanie 😃

    Dodano po 6 [minuty]:

    Nie wiem czy to istotne ale dodam, że podczas próby naprawy przy kręceniu rozrusznikiem spalił się brązowy kabel idący od aparatu zapłonowego do kostki od ecu. Wymieniłem go na nowy, niby to tylko masa i takie coś mogło mieć miejsce w tych autach
  • #14 20455479
    ALIBABA I
    Poziom 32  
    piotrdowis napisał:
    przy kręceniu rozrusznikiem spalił się brązowy kabel idący od aparatu zapłonowego do kostki od ecu.
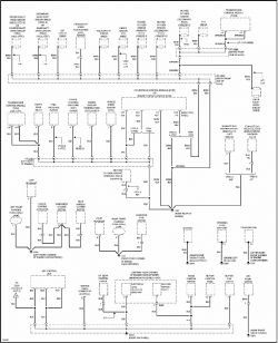
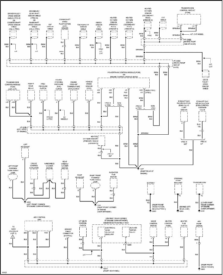
    Ok , /brown/ nie za bardzo mam czas na analizowanie tego obwodu , bo widzisz ECU ma diody zaporowe na wielu gałęziach , [warystor to inna bajka] , i teraz musiał bym znależć trasę tego kabelka a może tak zerknij na to " punkty masowe " Brak iskry w Honda Civic VI 1.4 75km: sprawdzenie świec, przewodów, aparatu i sterownika silnika tego jest 3 strony na razie dałem jedną , na i to nie ten kabelek z cytatu robi problem , za chwilę zrobię przerwę na kawę , Mam go jest ten kabelek pin A1 Ecu do inector , i Brak iskry w Honda Civic VI 1.4 75km: sprawdzenie świec, przewodów, aparatu i sterownika silnika z tego co piszesz inector wymieniałeś rzekomo sprawny pozostał by comp , podumaj nad tym , Od siebie dodam masz jednak problem w aparacie .

    Sory ten brązowy ma jeszcze pin B20 Ignition Timing Adjusting Connector , u ciebie to nie powinno być podłączone .

    Dodano po 12 [minuty]:

    Napisałeś ,
    piotrdowis napisał:
    Dziękuje za zaangażowanie
    Ok pozdrawiam .

Podsumowanie tematu

Użytkownik zgłasza problem z brakiem iskry w Honda Civic VI 1.4 75km. Sprawdził świece, przewody i aparat zapłonowy, które są sprawne. Diagnoza nie przyniosła rezultatów, a komputer silnika nie wykazuje problemów. Użytkownik podejrzewa uszkodzenie czujnika, który może odcinać iskrę. W dyskusji zasugerowano podłączenie urządzenia diagnostycznego, jednak brak złącza OBD w modelu z 1997 roku. Wskazano na możliwość uszkodzenia przewodów oraz konieczność sprawdzenia wyłącznika wstrząsowego. Użytkownik planuje oddać auto do elektro-mechanika.
Podsumowanie wygenerowane przez model językowy.
REKLAMA