logo elektroda
logo elektroda
X
logo elektroda
REKLAMA
REKLAMA
Adblock/uBlockOrigin/AdGuard mogą powodować znikanie niektórych postów z powodu nowej reguły.

[Rozwiązano] citroen berlingo 2000r - Szukam schematu licznika dwie kostki

grzebu 25 Lut 2023 17:12 348 2
REKLAMA
  • #1 20458023
    grzebu
    Poziom 13  
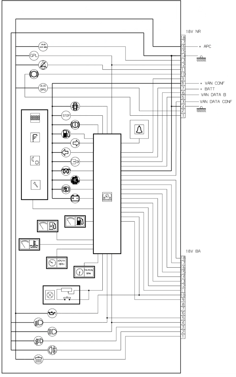
    Witam prosze o udostepnienie schematu podłączenia licznika (dwie kostki)Jaeger

    Berlingo VF7MBWJYB65562648
  • REKLAMA
  • Pomocny post
    #2 20470976
    artur.heise
    Poziom 27  
    grzebu napisał:
    Witam prosze o udostepnienie schematu podłączenia licznika (dwie kostki)Jaeger

    Berlingo VF7MBWJYB65562648


    Czyli BERLINGO VU FURGON KRÓTKI '600' 1.9 D 71 (DW8B) Skrzynia 5 :)

    Proszę:
    citroen berlingo 2000r - Szukam schematu licznika dwie kostki
  • #3 20472442
    grzebu
    Poziom 13  
    Posiadając wiarygodny schemat stwierdziłem uszkodzenie licznika.
    Dziękuję za udostępnienie .
REKLAMA