logo elektroda
logo elektroda
X
logo elektroda
REKLAMA
REKLAMA
Adblock/uBlockOrigin/AdGuard mogą powodować znikanie niektórych postów z powodu nowej reguły.

Corvette C4 - instalacja sterownika do centralnego zamka

darkhorseca 05 Mar 2023 22:37 627 8
REKLAMA
  • #1 20471636
    darkhorseca
    Poziom 3  
    Czesc,
    Probuje dolozyc sterownik do centralnego zamka ze sterowaniem na pilota do mojej Corvetty z 1994.
    Samochod ma juz centralny zamek (silowniki, elektryka), tylko pilot musial sie zgubic poprzedniemu wlascicielowi.
    Kupilem jeden z tych chinskich sterownikow (model LB-405). Sterownik podaje 12V do zamykania i otwierania zamka (dwa osobne kable). Teraz probuje sie wpiac w instalacje, w drzwiach kierowcy.
    Corvette C4 - instalacja sterownika do centralnego zamka Corvette C4 - instalacja sterownika do centralnego zamka
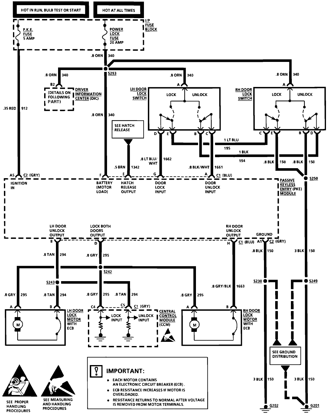
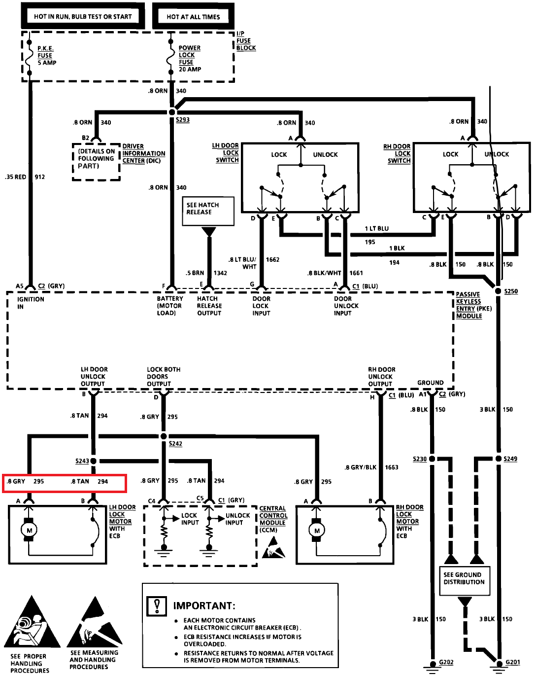
    1. Probowalem wpiac sie bezposrednio w kable do sterowania silownikiem w drzwiach kierowcy ( B-tan i D-gry przy Passive Keyless Entry (PKE). Silnik buczy, ale sie nie otwiera, prawdopodobnie dlatego, ze potrzebuje wiekszego natezenia pradu. Dodatkowo, otwieranie dziala tylko na drzwi kierowcy.
    2. Probowalem sie wpiac w kabele idace do PKE, punkt G oraz A (czyli door lock input i door unlock input). Nadal wydaje sie, ze sterownik podaje za niskie natezenie. Zdaje sie, ze starsze auta GM obywaly sie bez przekaznikow,
    3. Teraz planuje kupic dwa przekazniki (a wlasciwie trzy, ten trzeci do otwierania klapy bagaznika), ktore beda zwierac A-D przy zamykaniu oraz A-C przy otwieraniu na LH door lock switch. Beda sterowane 12V podawanymi ze sterownika LB-405.
    Wszystkie te chinskie sterowniki wygladaja na takie same, wiec pewnie wiele osob przerabialo temat. Moze ktos potwierdzic ze to dobry plan (3) ?
    Dzieki!
  • REKLAMA
  • #2 20471798
    milejow
    Poziom 43  
    Sterowanie zamkiem jest masą a sterownik ma możliwość konfiguracji, wystarczy poszukać w siecu albo zajżeć do instrukcji sterownika
  • REKLAMA
  • Pomocny post
    #3 20471800
    CameR

    Moderator Zabezpieczeń Pojazdów
    Znajdź przewody mikrosilnika A i B i wysteruj bezpośrednio z dołożonego sterownika.
    W spoczynku, fabryczny moduł na obu tych przewodach wystawia masę.
    Corvette C4 - instalacja sterownika do centralnego zamka

    Corvette C4 - instalacja sterownika do centralnego zamka
    Pomogłem? Kup mi kawę.
  • REKLAMA
  • #4 20473589
    darkhorseca
    Poziom 3  
    OK, dzieki.

    Czyli rozumiem ze nie zadzialalo w pierwszej probie, bo silniczek w stanie spoczynku jest podpiety pod mase na obu terminalach, wiec zapodalem 12V na mase. Musze ciac oba kable miedzy silniczkiem i PKE i podlaczyc poprzez przekazniki normally closed w dodatkowym sterowniku ktore beda otwierac obwod w momencie otwierania lub zamykania zamka. A przekaznik NC w centralce pozwala na otwieranie i ryglowania zamka za pomoca przyciskow na drzwiach.

    Problem jaki widze, to to, ze PKE ma dwa wyjscia do otwierania zamka, jeden dla kierowcy, drugi dla pasazera. Jezeli podlacze sie pod silniczek od strony kierowcy, drzwi pasazera nie beda sie otwieraly z pilota Chociaz z drugiej strony, sygnal idzie do central control module (CCM) a stamtad na lock/unlock input – jak sie domyslam, modulu PKE?
  • REKLAMA
  • #5 20473631
    CameR

    Moderator Zabezpieczeń Pojazdów
    Nie wiem jak tam jest zbudowany zamek w drzwiach kierowcy, ale muszą być wewnętrzne lub zewnętrzne mikrostyki uruchamiane mechanicznie kluczykiem w zamku drzwi.

    Powinno zamknąć się całe auto, bo zamykający się "zamek" w drzwiach kierowcy wysteruje mikrostyk w zamku i będzie taki sam efekt jak przekręcenie kluczyka w drzwiach kierowcy.

    Można też wykorzystać właśnie sygnały z tych mikroswitchy w drzwiach.
    Wtedy wyjścia przekaźników dodatkowej centralki, konfigurujesz do sterowania impulsami masy.
    Pomogłem? Kup mi kawę.
  • #6 20475267
    darkhorseca
    Poziom 3  
    OK, w weekend sprobuje to podlaczac. wepne sie w kable przy silowniku w drzwiach kierowcy. Jezeli nie zadziala, zaloze przekazniki na mikroswitche od otwierania/zamykania zamka.

    Jeszcze jedno pytanie. chcialem tez miec otwieranie klapy bagaznika. W moim aucie, jest taki duzy mechaniczny przycisk na konsoli, ktory zwiera obwod uruchamiajacy silnik w klapie.
    Chcialem uzyc przekaznika do zwierania tego obwodu, ktorego cewka ma byc podlaczona do masy i do niebieskiego kabelka od nowej centralki, ktoy jak sadze, ma podawac 12V.
    Problem jest taki, ze nie mam zadnego sygnalu na wyjsciu z centralki (niebieski kabel). Albo centralka jest uszkodzona, albo czegos nie rozumiem...
  • #8 20476201
    milejow
    Poziom 43  
    Przy siłowniku w drzwiach nie ma sterowania zamkiem,są przyciski lock/unlock (pytanie czy działa zamek z tych przycisków?). Podaj masę na G potem na A, zamek musi wtedy działać.
    Otwieranie masz na pinie A w złączu oryginalnego sterownika radiowego zamka.
    Zamykanie na G, centralkę konfigurujesz na sterowanie masą-żółte i czarno/żółte do masy, biały zamyka,biało czarny otwiera.
  • #9 20481291
    darkhorseca
    Poziom 3  
    Przy podlaczeniu tak jak na schematach @CameR zamykanie i otwieranie dziala, ale tylko na drzwi kierowcy, zgodnie z przewidywaniami.

    Nie bardzo rozumiem o co chodzi z tym podawaniem masy na G i na A. W stanie spoczynku wszystko jest na masie. Switch w drzwiach podaje 12V na G albo na A przy PKE, a PKE na B/H lub D. Mozna podac 12V na G lub A, ale trzeba najpierw odlaczyc mase.

    Co powiecie na takie polaczenie?

    Corvette C4 - instalacja sterownika do centralnego zamka

    Dodano po 2 [godziny] 23 [minuty]:

    Podlaczylem tak jak na schemacie powyzej i wszystko hula.

    Pozostalo jeszcze podlaczyc otwieranie klapy bagaznika. Bylbym wdzieczny jak ktos podrzucil pomysl jak zwierac obwod (2 przewody : masa i 12V) za pomoca centralki.
REKLAMA