logo elektroda
logo elektroda
X
logo elektroda
REKLAMA
REKLAMA
Adblock/uBlockOrigin/AdGuard mogą powodować znikanie niektórych postów z powodu nowej reguły.

Insignia A 2010 - Podłączenie uniwersalnych mat podgrzewających do kostki 4-pinowej

rafik39 08 Mar 2023 19:57 711 5
REKLAMA
  • #1 20476386
    rafik39
    Poziom 25  
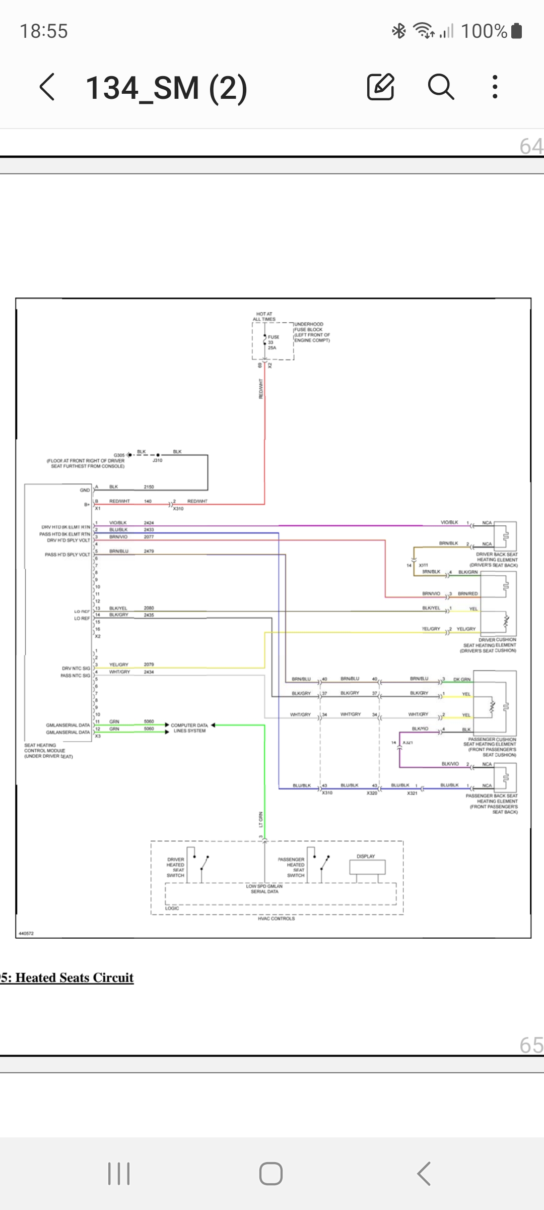
    Witam, potrzebuję pomocy, jak w temacie... nie działa podgrzewanie foteli, przerwane maty, mam nowe uniwersalne ,wg oryginalnego schematu i pod fotelem jest kostka 4 piny ( 2 żółte to termistor a brązowy i czarny to mata) a nowa uniwersalna mata ma 2 przewody (czarny i czerwony) przypuszczam,że termistor jest w macie , jak to podłączyć do tej oryginalnej kostki 4 piny ?
  • REKLAMA
  • REKLAMA
  • #3 20476432
    autoas
    Poziom 42  
    Myślę że musiałbyś zasymulować termistor rezystorem na żółtych, aby sterownik podtrzymywał napięcie....a matę podłączyć a ona ma własny termistor który ogranicza grzanie...
  • REKLAMA
  • REKLAMA
  • #5 20477059
    meches76
    Poziom 11  
    Zakładam że masz płynną regulacje temperatury fotela. Termisror służy do kontroli tej temperatury, zastąpisz go rezystorem otrzymasz tylko jedną wartość temperatury. Ja bym wypruł ten termistor i włożył go w nową matę. Co do kolorów to Opel na brązowym ma masę, a wszystkie uniwersalne z reguły czarny -, czerwony +.
REKLAMA