Cześć mam nadzieję , że piszę temat we właściwym dziale
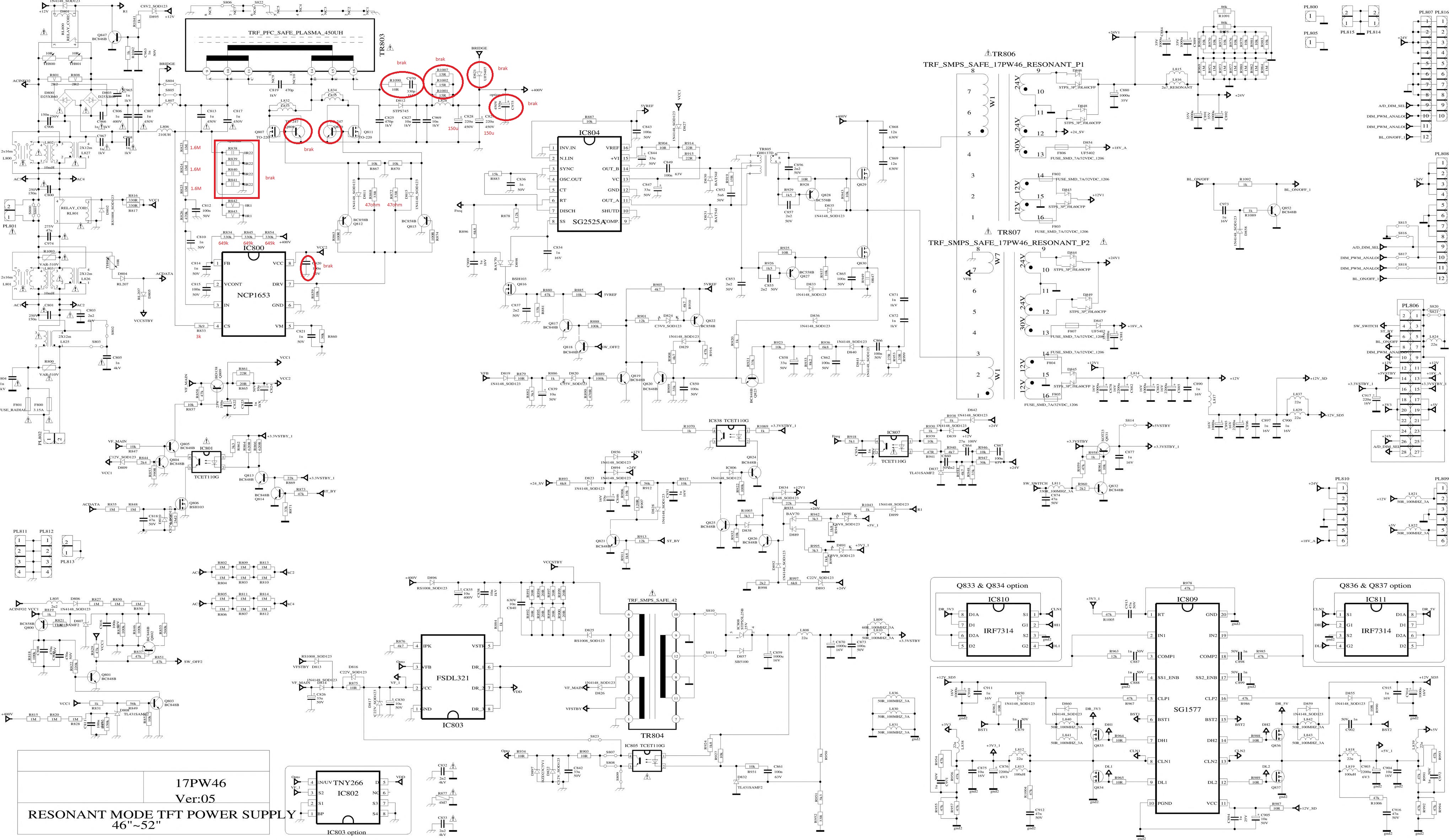
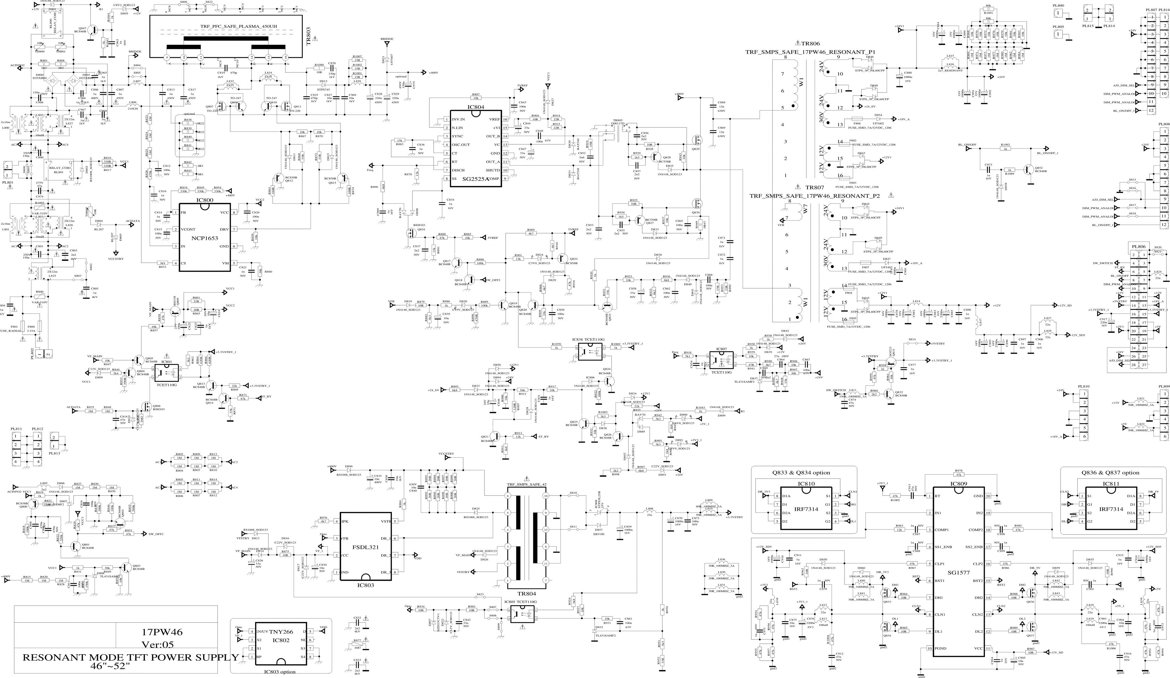
. Opisuję problem monitor interaktywny Avtek 1TV027 , płyta zasilacza Vestel 17PW46-8 ( wersja 8 ). Taka płyta zasilacz występuje w TV ale w moim wypadku brak typowego SM do takiej wersji. Jedyne co zlokalizowałem to uszkodzony rezystor TH802 ( 10ohm ) w oryginale były 2 szeregowo 4.7ohm / 2W. Wystrzelona była również cewka L832. Po wymianie monitor się załączył dosłownie na kilka sekund po czym znowu uszkodził się rezystor TH802 ( tym razem założyłem 10ohm /5 W ). Brak zwarć , uszkodzonych dodatkowych elementów. Proszę o wskazówki co może być problemem. Dodam , że zamówiłem już nowy FSDL321 (IC803 - jeszcze go nie podmieniłem bo czekam za dostawą) ale oryginał na pomiarach nie wskazuje, że jest uszkodzony. Praktycznie tylko on siedzi na linii VCCSTBY z rezystorem. Jest również dodatkowa linia ACDATA, która idzie na tranzystor Q806 oraz transoptor IC801. W tym wypadku brak uszkodzonych elementów. Podsuńcie świeże pomysły bo powoli wymiękam
. Załączam schemat od płyty 17PW46-5. Jest kilka drobnych różnic ale w większości się zgadza.
