Jako kontynuacja tego tematu powstał poniższy tekst. Zebrane informacje pozwolą na podjęcie decyzji co dalej z PV. Na poniższych wykresach przedstawiłem roczne osiągi wraz z wyszczególnieniem miesięcy. Dla przypomnienia instalacja to 0,825kWp skierowana na południe pod kątem nachylenia ~30°. Prawdę mówiąc, mimo bardzo niekorzystnej lokalizacji wyniki pozytywnie mnie zaskoczyły
. Spodziewałem się co prawda znacznego spadku produkcji energii zimą lecz nie aż tak drastycznej, no cóż, na pogodę nic nie można poradzić a ta zima była praktycznie bez słońca w mojej okolicy
. Łącznie od czasu prowizorycznego uruchomienia całości wyprodukowała nieco ponad 400kWh, tu jednak wcześniejsze dane zapisane przez regulator uległy skasowaniu w wyniku różnych czynności technicznych.
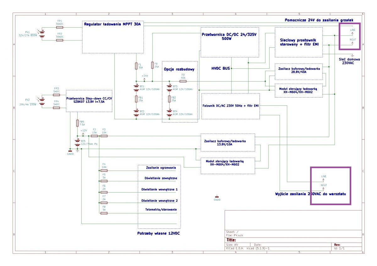
Już w listopadzie produkcja spadła tak mocno iż postanowiłem całkowicie odłączyć obciążenie, bardziej zależało mi na utrzymaniu dobrej kondycji akumulatorów. Pod koniec stycznia, gdy pokazało się trochę słońca oraz nieco wzrosła temperatura, uruchomiłem ponownie obciążenie. Prawdę mówiąc, większość energii zużyłem w warsztacie. Część do zasilania a część do ogrzewania (przerobiona dmuchawa "Farelka" z grzałką ~400W i oryginalnym silnikiem wentylatora 230VAC). Prace nad dedykowanym falownikiem przebiegły pomyślnie, docelowo będzie połączony w jedno urządzenie z komparatorem/monitorem energii.
W trakcie prób i testów z różnymi obciążeniami bywały też efekty świetlno/dźwiękowe, np. wybuch tranzystorów wyjściowych mostka H;
Docelowo falownik umieszczę w obudowie po falowniku silnikowym Apator, zmieści się tam wszystko poza filtrem wyjściowym. Tymczasowo całość współpracuje poprzez przetwornicę step-up z mikroinwerterem Enesys SMI360;
Od pierwszego września ubiegłego roku, rolę magazynu energii pełnią akumulatory kwasowe 2x225Ah/12V w konfiguracji szeregowej. Nie są mocno eksploatowane, ich głównym zadaniem jest zapewnienie rezerwy w razie zaniku zasilania sieciowego. Cena energii elektrycznej znacząco wzrosła, więc każda oszczędność się liczy. A taniej już raczej nie będzie... Badania wyszły na tyle interesująco, że jak tylko zdobędę fundusze to rozbuduję instalację o kolejne panele o podobnej mocy (0,825kWp). Tu jednak będzie mocno problematyczny dobór kierunku, dużo okolicznych drzew nie sprzyja optymalnemu dobraniu. Myślę o południowym-zachodzie lub północnym-zachodzie. Obecnie przy drzewach pozbawionych liści i w miarę czystym niebie efekty są dobre, latem na pewno wydajność spadnie lecz uwzględniając dłuższy dzień produkcja może być zbliżona. W trakcie pisania tego tekstu, przy przelotnym zachmurzeniu uzyskałem ciekawe osiągi;
Ponad 3 kWh/dzień! Wow! Gdyby nie okoliczne drzewa zapewne byłoby jeszcze więcej. Jak z opłacalnością? No cóż, zużywam około 230 kWh miesięcznie, czyli wyprodukowane ~400kWh daje mi blisko dwumiesięczne pokrycie energii. Po rozbudowie i zoptymalizowaniu oraz dobrej pogodzie możliwe będzie znaczne zminimalizowanie poboru z sieci w okresie letnim. Ten sezon zimowy jednak do tanich nie będzie się zaliczał, zanim przerobiłem "Farelkę" na zasilanie 24V, była zasilana z sieci wspomagając ogrzewanie warsztatu pracując kilka godzin dziennie (~1000W na pierwszym biegu) "dobierając" brakującą energię z sieci. Lada dzień powinny przyjść rachunki za prąd więc będę miał rozeznanie. Ceny zarówno samych paneli jak i osprzętu jednak znacząco wzrosły i choć ceny energii elektrycznej również, to opłacalność jest mocno dyskusyjna...
Dane zebrane po roku
Oraz szczegółowo miesiące (żółty-produkcja, zielony odbiór)
Już w listopadzie produkcja spadła tak mocno iż postanowiłem całkowicie odłączyć obciążenie, bardziej zależało mi na utrzymaniu dobrej kondycji akumulatorów. Pod koniec stycznia, gdy pokazało się trochę słońca oraz nieco wzrosła temperatura, uruchomiłem ponownie obciążenie. Prawdę mówiąc, większość energii zużyłem w warsztacie. Część do zasilania a część do ogrzewania (przerobiona dmuchawa "Farelka" z grzałką ~400W i oryginalnym silnikiem wentylatora 230VAC). Prace nad dedykowanym falownikiem przebiegły pomyślnie, docelowo będzie połączony w jedno urządzenie z komparatorem/monitorem energii.
Kilka zdjęć z budowy i uruchamiania prototypu
W trakcie prób i testów z różnymi obciążeniami bywały też efekty świetlno/dźwiękowe, np. wybuch tranzystorów wyjściowych mostka H;
Docelowo falownik umieszczę w obudowie po falowniku silnikowym Apator, zmieści się tam wszystko poza filtrem wyjściowym. Tymczasowo całość współpracuje poprzez przetwornicę step-up z mikroinwerterem Enesys SMI360;
"Asystentka" sprawdza współpracę inwertera z przetwornicą 
Od pierwszego września ubiegłego roku, rolę magazynu energii pełnią akumulatory kwasowe 2x225Ah/12V w konfiguracji szeregowej. Nie są mocno eksploatowane, ich głównym zadaniem jest zapewnienie rezerwy w razie zaniku zasilania sieciowego. Cena energii elektrycznej znacząco wzrosła, więc każda oszczędność się liczy. A taniej już raczej nie będzie... Badania wyszły na tyle interesująco, że jak tylko zdobędę fundusze to rozbuduję instalację o kolejne panele o podobnej mocy (0,825kWp). Tu jednak będzie mocno problematyczny dobór kierunku, dużo okolicznych drzew nie sprzyja optymalnemu dobraniu. Myślę o południowym-zachodzie lub północnym-zachodzie. Obecnie przy drzewach pozbawionych liści i w miarę czystym niebie efekty są dobre, latem na pewno wydajność spadnie lecz uwzględniając dłuższy dzień produkcja może być zbliżona. W trakcie pisania tego tekstu, przy przelotnym zachmurzeniu uzyskałem ciekawe osiągi;
Ponad 3 kWh/dzień! Wow! Gdyby nie okoliczne drzewa zapewne byłoby jeszcze więcej. Jak z opłacalnością? No cóż, zużywam około 230 kWh miesięcznie, czyli wyprodukowane ~400kWh daje mi blisko dwumiesięczne pokrycie energii. Po rozbudowie i zoptymalizowaniu oraz dobrej pogodzie możliwe będzie znaczne zminimalizowanie poboru z sieci w okresie letnim. Ten sezon zimowy jednak do tanich nie będzie się zaliczał, zanim przerobiłem "Farelkę" na zasilanie 24V, była zasilana z sieci wspomagając ogrzewanie warsztatu pracując kilka godzin dziennie (~1000W na pierwszym biegu) "dobierając" brakującą energię z sieci. Lada dzień powinny przyjść rachunki za prąd więc będę miał rozeznanie. Ceny zarówno samych paneli jak i osprzętu jednak znacząco wzrosły i choć ceny energii elektrycznej również, to opłacalność jest mocno dyskusyjna...
Fajne? Ranking DIY
