Witam,
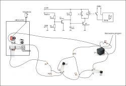
Pierwszy moduł zrobiłem bez ścieżek lutując kabel do kabelka lecz może lepiej jednak to zrobić starannie?
Mam prosty układ to zrobienia. Czy jest jakiś program on-line lub darmowa aplikacja która rozpisze mi jak zrobić taką ścieżkę na płytce?
Bo obecnie wygląda to tak, a muszę zrobić drugi taki i dla siebie nowy.
Czy robi się coś takiego na czuja po prostu w sensie rozrysować markerem specjalnym to co widzę na schemacie?
Dziękuję

Pierwszy moduł zrobiłem bez ścieżek lutując kabel do kabelka lecz może lepiej jednak to zrobić starannie?
Mam prosty układ to zrobienia. Czy jest jakiś program on-line lub darmowa aplikacja która rozpisze mi jak zrobić taką ścieżkę na płytce?
Bo obecnie wygląda to tak, a muszę zrobić drugi taki i dla siebie nowy.
Czy robi się coś takiego na czuja po prostu w sensie rozrysować markerem specjalnym to co widzę na schemacie?
Dziękuję
