Bezszczotkowe silniki prądu stałego są obecnie jednymi z najpopularniejszych rodzajów silników, ich trwałość jest porównywalna do typowych silników indukcyjnych gdzie jedynym elementem zużywającym się podczas pracy są łożyska. Ale co dokładnie znaczy skrót BLDC? Nazwa pochodzi z języka angielskiego i dokładnie oznacza Brush Less Direct Current Motor czyli właśnie bezszczotkowy silnik prądu stałego. Zasada działania przypomina silnik PMSM (silnik synchroniczny z magnesami stałymi) i w zasadzie jest jakby rozwinięciem takiego silnika. Często nazywany jest także, silnikiem prądu stałego z elektroniczną komutacją. Dlaczego komutacją? Dlatego iż w klasycznym silniku prądu stałego (szeregowym, bocznikowym oraz ich wariacjom a także takim z magnesami stałymi) to właśnie komutator we współpracy ze szczotkami zapewnia odpowiednio szybkie zmiany kierunku przepływającego prądu co skutkuje zmianą kierunku pola magnetycznego wytwarzanego przez wirnik i w efekcie otrzymujemy ruch wirowy. W silnikach PMSM jak i w indukcyjnych, wytworzenie wirującego pola magnetycznego stojana jest stosunkowo proste gdyż dysponujemy trójfazową siecią energetyczną. W przypadku zasilania prądem stałym wymagany jest odpowiedni sterownik. Tu też zależnie od specyfiki silnika wykorzystywane są czujniki Hall'a lub indukowana w uzwojeniach energia do ustalenia położenia wirnika względem stojana. Silniki z czujnikami Hall'a charakteryzują się większą kulturą pracy i stosowane są tam gdzie wymagany jest szeroki zakres zmian prędkości obrotowej np. napęd płyty w stacjach CD/DVD/BlueRay czy też pojazdy EV. Silniki bez tych czujników często są stosowane do napędu modeli czy też w zastosowaniach niewymagających dużej precyzji obrotów np. wentylatory.
Tytułowy bohater trafił do mnie zupełnie przypadkowo, szwagier znalazł go w jednej z przesyłek ze znanego portalu i nie wiedząc co to, przyniósł do mnie
. Ponieważ zbiegło się to w czasie z warsztatowymi porządkami gdzie znalazłem kilka różnych silników, to posłużył do ich testowego uruchomienia.
Moduł występuje w kilku wersjach, m/n z radiatorem oraz z wejściami czujników Hall'a. Mój jest bez radiatora i nie wykorzystuje Hall'a. Podłączenie jest bardzo proste;
Zasilanie/silnik;
MA - faza U
MB - faza V
MC - faza W
GND - masa (-)
VCC - zasilanie (+)
Sterowanie;
5V - 5V, dla np. potencjometru
Signal - wyjście impulsów prędkości
Z/F - kierunek obrotów (lewo/prawo), sterowanie 0/5V
VR - wejście napięciowe 0-5V sterujące prędkością obrotową, możliwe również sterowanie sygnałem PWM
GND - masa
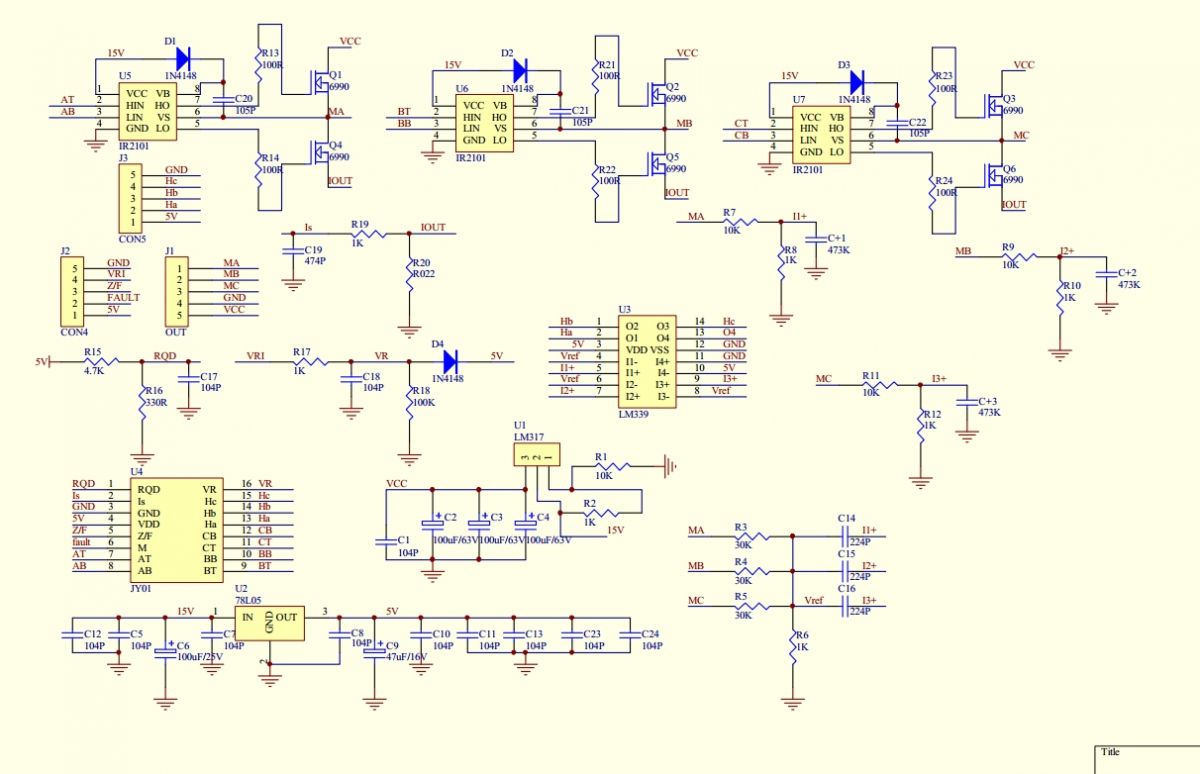
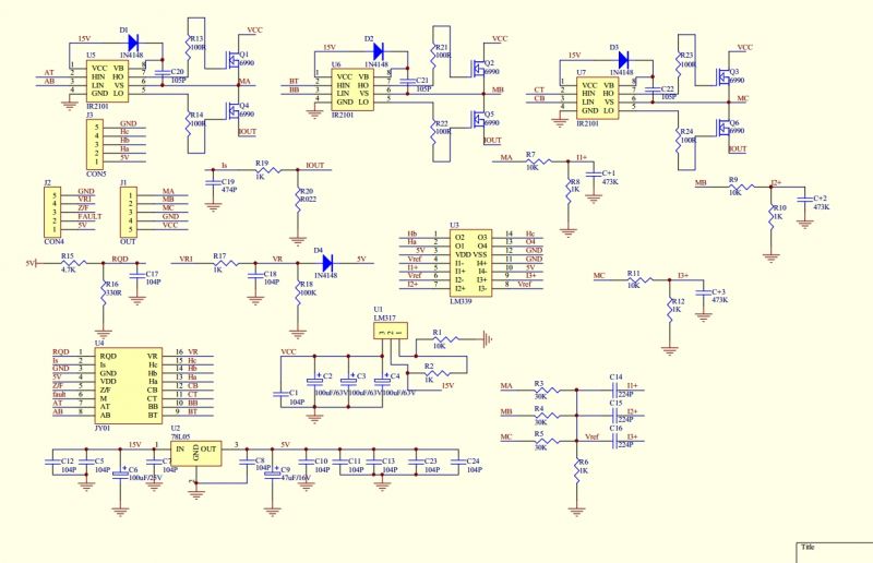
Po krótkich poszukiwaniach znalazłem schemat całego modułu;
W moim przypadku, większość elementów jest markowana symbolami producenta poza LM317, LM339, oraz 78L05. Tranzystory mostka wyjściowego H mają oznaczenie JY09M, zaś drivery JY21L. Całość kontroluje JY01.
Szczegółów odnośnie tranzystorów nie udało mi się ustalić. Najciekawszym jednak elementem jest sterownik JY01, najprawdopodobniej jest to mikrokontroler z autorskim firmware producenta.
Jak widać, producent przewidział układ do szerokiej gamy zastosowań. Jak wcześniej wspomniałem, podczas wiosennych porządków, znalazłem kilka silników BLDC. Część była z własnymi, łatwymi do uruchomienia kontrolerami a część bez takowych;
Oczywiście, w silnikach z kontrolerami, odłączyłem oryginalne sterowanie od uzwojeń, tak aby nie wpływało to na ich pracę. Podczas prób, zasilałem sterownik z zasilacza laboratoryjnego. Pobór prądu przy niepracującym silniku nie przekraczał 20mA dla 30V.
Na wyjściu prędkości występował poniższy przebieg o częstotliwości zmieniającej się wraz z obrotami;
Na wyjściach fazowych występował przebieg zbliżony do SPWM;
Jest to pokazane w dokumentacji sterownika;
Sterownik jest bardzo prosty w uruchomieniu, w DS jest przykład sterowania silnika BLDC 230V. Może to pomóc w uruchomieniu silników od różnego nowoczesnego sprzętu AGD.
Tytułowy bohater trafił do mnie zupełnie przypadkowo, szwagier znalazł go w jednej z przesyłek ze znanego portalu i nie wiedząc co to, przyniósł do mnie
Widok od strony Top
Widok od strony Bottom
Moduł występuje w kilku wersjach, m/n z radiatorem oraz z wejściami czujników Hall'a. Mój jest bez radiatora i nie wykorzystuje Hall'a. Podłączenie jest bardzo proste;
Zasilanie/silnik;
MA - faza U
MB - faza V
MC - faza W
GND - masa (-)
VCC - zasilanie (+)
Sterowanie;
5V - 5V, dla np. potencjometru
Signal - wyjście impulsów prędkości
Z/F - kierunek obrotów (lewo/prawo), sterowanie 0/5V
VR - wejście napięciowe 0-5V sterujące prędkością obrotową, możliwe również sterowanie sygnałem PWM
GND - masa
Po krótkich poszukiwaniach znalazłem schemat całego modułu;
W moim przypadku, większość elementów jest markowana symbolami producenta poza LM317, LM339, oraz 78L05. Tranzystory mostka wyjściowego H mają oznaczenie JY09M, zaś drivery JY21L. Całość kontroluje JY01.
Szczegółów odnośnie tranzystorów nie udało mi się ustalić. Najciekawszym jednak elementem jest sterownik JY01, najprawdopodobniej jest to mikrokontroler z autorskim firmware producenta.
Jak widać, producent przewidział układ do szerokiej gamy zastosowań. Jak wcześniej wspomniałem, podczas wiosennych porządków, znalazłem kilka silników BLDC. Część była z własnymi, łatwymi do uruchomienia kontrolerami a część bez takowych;
Od lewej; silnik napędu płyty CD, napęd drukarki, napęd kserokopiarki
Oczywiście, w silnikach z kontrolerami, odłączyłem oryginalne sterowanie od uzwojeń, tak aby nie wpływało to na ich pracę. Podczas prób, zasilałem sterownik z zasilacza laboratoryjnego. Pobór prądu przy niepracującym silniku nie przekraczał 20mA dla 30V.
Próba z silnikiem drukarki laserowej
Na wyjściu prędkości występował poniższy przebieg o częstotliwości zmieniającej się wraz z obrotami;
Próba z silnikiem kserokopiarki wraz ze zmianą kierunku obrotów
Na wyjściach fazowych występował przebieg zbliżony do SPWM;
Jest to pokazane w dokumentacji sterownika;
Sterownik jest bardzo prosty w uruchomieniu, w DS jest przykład sterowania silnika BLDC 230V. Może to pomóc w uruchomieniu silników od różnego nowoczesnego sprzętu AGD.
Fajne? Ranking DIY
