Panowie, potrzebuję pomocy, mam do podłączenia solardach w aucie, które nie miało fabrycznego solardachu.
I tutaj mam pytanie, kostki połączeniowe na zdjęciu z prawej strony dotyczą instalacji solardachu, a kostka z lewej bez.
Widać tutaj, że w kostce bez solardachu jest mniej przewodów a w solardachu więcej.
I tutaj prośba o podrzucenie schematu, lub podpowiedź gdzie brakujące przewody powinny być podłączone by działał solardach - czyli zamykanie szyby dachowej.
Przewód czerwony i zielono-żółty w kostce z solardachem pewnie idzie tutaj zasilanie +12 V, które trzeba dociągnąć.
- Czerwony +12 po stacyjce.
- Zielono-żółty masa.

A reszta przewodów?
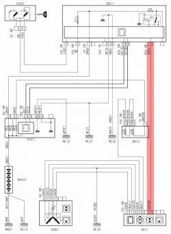
I tutaj mam pytanie, kostki połączeniowe na zdjęciu z prawej strony dotyczą instalacji solardachu, a kostka z lewej bez.
Widać tutaj, że w kostce bez solardachu jest mniej przewodów a w solardachu więcej.
I tutaj prośba o podrzucenie schematu, lub podpowiedź gdzie brakujące przewody powinny być podłączone by działał solardach - czyli zamykanie szyby dachowej.
Przewód czerwony i zielono-żółty w kostce z solardachem pewnie idzie tutaj zasilanie +12 V, które trzeba dociągnąć.
- Czerwony +12 po stacyjce.
- Zielono-żółty masa.
A reszta przewodów?