Cześć.
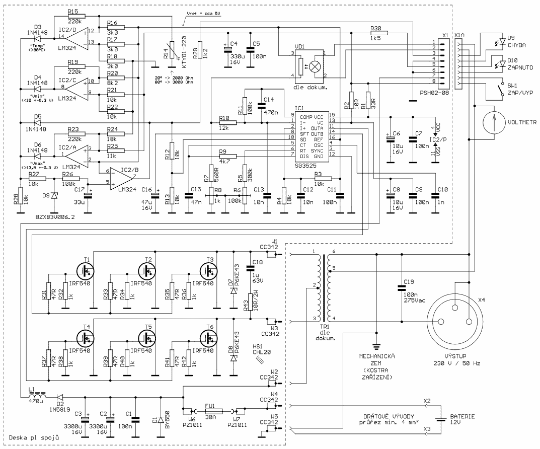
Wpadła mi w ręce jakaś chińska przetwornica samochodowa 12V DC/230V AC. Moc ciągła 1000W, chwilowa 2000W. Bez sinusa.
Wybuchły w niej MOSFETy stronywtórnejpierwotnej. Ze wstępnego przejrzenia zwarcie mają też dwa z czterech tranzystory 8550 sterujące tymi MOSFETami. Całość kontroluje KA7500B. Diody na spodzie płytki oraz MOSFETy po stronie pierwotnej wtórnej po wstępnych pomiarach są sprawne.
Zastanawia mnie co mogło spowodować takie uszkodzenia? Osoba ją użytkująca (od co najmniej 3 lat) twierdzi, że podłączony do niej był TV LCD 32", MiBox i ładowarka do telefonu. Wcześniej używana była też mała suszarka do włosów itp. Tranzystory strzeliły "od razu" po podłączeniu akumulatora. Wydaje mi się to dziwne, ale nie mam doświadczenia z przetwornicami i ciekawi mnie jak mogło dojść do takiej usterki.
Planuję wylutować resztki MOSFETów po stroniewtórnejpierwotnej i wymienić tranzystory sterujące oraz posprawdzać elementy w okolicy. Przed wlutowaniem nowych MOSFETów sprawdzę oscyloskopem sterowanie z kontrolera na bramkach. Coś jeszcze?

Wpadła mi w ręce jakaś chińska przetwornica samochodowa 12V DC/230V AC. Moc ciągła 1000W, chwilowa 2000W. Bez sinusa.
Wybuchły w niej MOSFETy strony
Zastanawia mnie co mogło spowodować takie uszkodzenia? Osoba ją użytkująca (od co najmniej 3 lat) twierdzi, że podłączony do niej był TV LCD 32", MiBox i ładowarka do telefonu. Wcześniej używana była też mała suszarka do włosów itp. Tranzystory strzeliły "od razu" po podłączeniu akumulatora. Wydaje mi się to dziwne, ale nie mam doświadczenia z przetwornicami i ciekawi mnie jak mogło dojść do takiej usterki.
Planuję wylutować resztki MOSFETów po stronie
