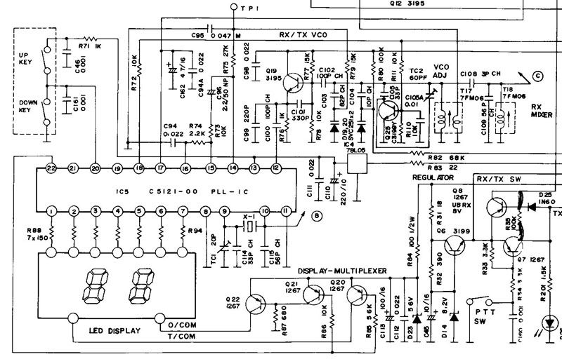
Witam, znalazłem kawałek radia Cobra 19 plus rocznik 1990. Rozglądam się za schematem, ale nie mogę nic znaleźć, radio jest z syntezą C5121. Niestety brak sporo elementów, a i sama synteza nie wiadomo czy sprawna, z tego, co widziałem, można jeszcze dostać ten układ. Ktoś posiada może schemat bądź ma takie radio i mógłby pomóc z wartościami elementów? Zrobię lepsze fotki, czego brak. Czy może rzucić za psami i nie babrać się w to. Radio tak, jak widać, brak obudowy i mikrofonu.

¼