logo elektroda
logo elektroda
X
logo elektroda
REKLAMA
REKLAMA
Adblock/uBlockOrigin/AdGuard mogą powodować znikanie niektórych postów z powodu nowej reguły.

[Rozwiązano] Peugeot 206 1,9 D 2001 rok - Potrzebny schemat elektryczny silnika

lew1977 01 Cze 2023 15:23 945 6
REKLAMA
  • #1 20602360
    lew1977
    Poziom 12  
    Witam. Potrzebny schemat elektryczny silnika Peugeot 206 1,9 D 2001 rok. Po diagnozie BSI, wyskakuje błąd połączenia z sterownikiem silnika. Silnik nie pali. Bardzo proszę o schemat silnika lub tylko połączenie silnik - BSI. Z góry bardzo dziękuję.
  • REKLAMA
  • #2 20602589
    pszczyna
    Poziom 30  
    Może wystarczy resztę mogę w sobotę (mam wyjazd) Peugeot 206 1,9 D 2001 rok - Potrzebny schemat elektryczny silnika Peugeot 206 1,9 D 2001 rok - Potrzebny schemat elektryczny silnika
  • REKLAMA
  • #3 20602696
    lew1977
    Poziom 12  
    Bardzo bardzo dziękuję !!! jak by można było w sobotę to bardzo poszę o przesłanie.Pozdrawiam
  • REKLAMA
  • Pomocny post
    #4 20603733
    pszczyna
    Poziom 30  
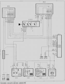
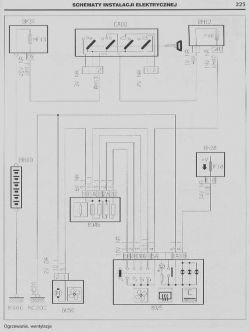
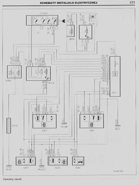
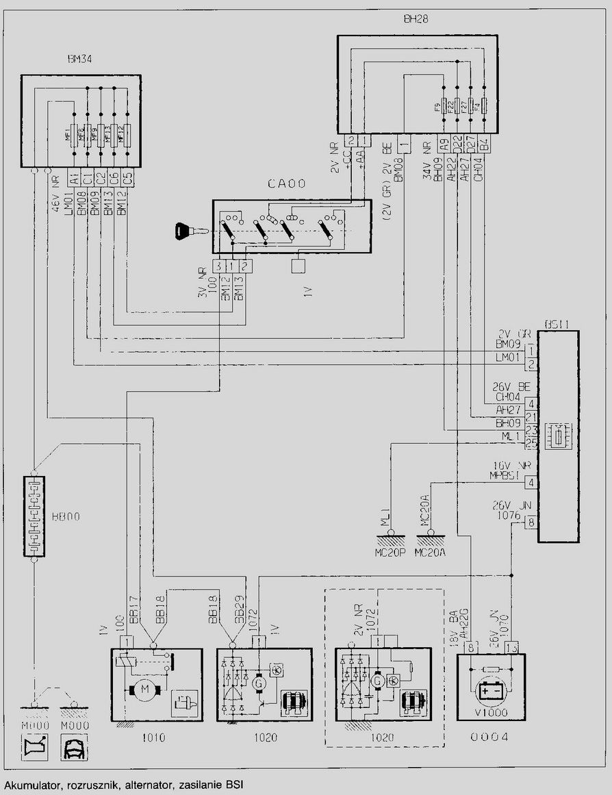
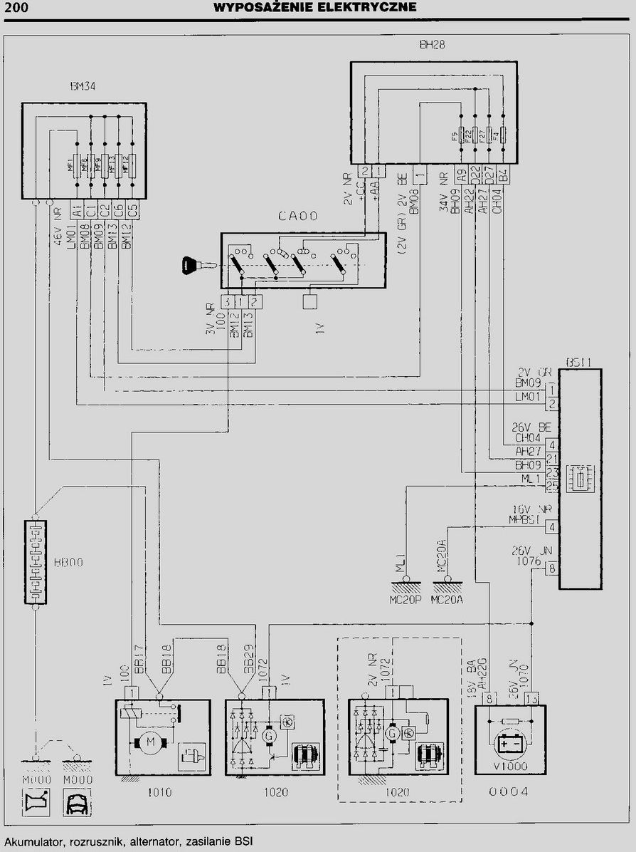
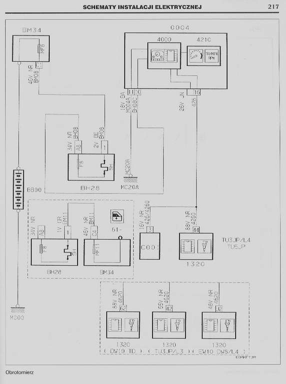
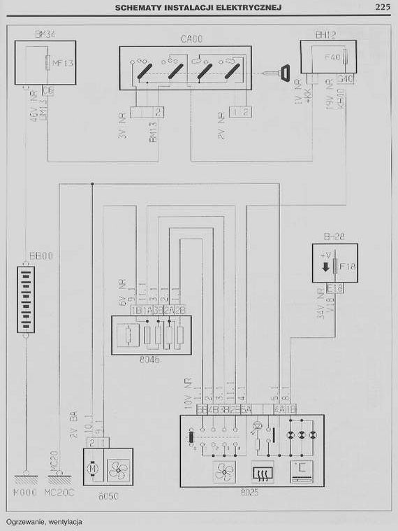
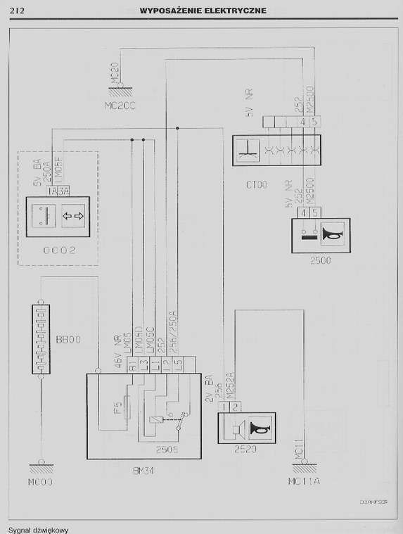
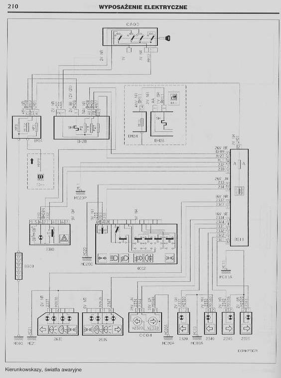
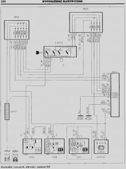
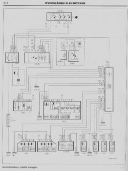
    Reszta skanów Peugeot 206 1,9 D 2001 rok - Potrzebny schemat elektryczny silnika Peugeot 206 1,9 D 2001 rok - Potrzebny schemat elektryczny silnika Peugeot 206 1,9 D 2001 rok - Potrzebny schemat elektryczny silnika Peugeot 206 1,9 D 2001 rok - Potrzebny schemat elektryczny silnika Peugeot 206 1,9 D 2001 rok - Potrzebny schemat elektryczny silnika Peugeot 206 1,9 D 2001 rok - Potrzebny schemat elektryczny silnika Peugeot 206 1,9 D 2001 rok - Potrzebny schemat elektryczny silnika Peugeot 206 1,9 D 2001 rok - Potrzebny schemat elektryczny silnika Peugeot 206 1,9 D 2001 rok - Potrzebny schemat elektryczny silnika Peugeot 206 1,9 D 2001 rok - Potrzebny schemat elektryczny silnika Peugeot 206 1,9 D 2001 rok - Potrzebny schemat elektryczny silnika Peugeot 206 1,9 D 2001 rok - Potrzebny schemat elektryczny silnika Peugeot 206 1,9 D 2001 rok - Potrzebny schemat elektryczny silnika Peugeot 206 1,9 D 2001 rok - Potrzebny schemat elektryczny silnika Peugeot 206 1,9 D 2001 rok - Potrzebny schemat elektryczny silnika Peugeot 206 1,9 D 2001 rok - Potrzebny schemat elektryczny silnika Peugeot 206 1,9 D 2001 rok - Potrzebny schemat elektryczny silnika Peugeot 206 1,9 D 2001 rok - Potrzebny schemat elektryczny silnika Peugeot 206 1,9 D 2001 rok - Potrzebny schemat elektryczny silnika Peugeot 206 1,9 D 2001 rok - Potrzebny schemat elektryczny silnika Peugeot 206 1,9 D 2001 rok - Potrzebny schemat elektryczny silnika Peugeot 206 1,9 D 2001 rok - Potrzebny schemat elektryczny silnika Peugeot 206 1,9 D 2001 rok - Potrzebny schemat elektryczny silnika Peugeot 206 1,9 D 2001 rok - Potrzebny schemat elektryczny silnika Peugeot 206 1,9 D 2001 rok - Potrzebny schemat elektryczny silnika Peugeot 206 1,9 D 2001 rok - Potrzebny schemat elektryczny silnika Peugeot 206 1,9 D 2001 rok - Potrzebny schemat elektryczny silnika Peugeot 206 1,9 D 2001 rok - Potrzebny schemat elektryczny silnika Peugeot 206 1,9 D 2001 rok - Potrzebny schemat elektryczny silnika Peugeot 206 1,9 D 2001 rok - Potrzebny schemat elektryczny silnika Peugeot 206 1,9 D 2001 rok - Potrzebny schemat elektryczny silnika Peugeot 206 1,9 D 2001 rok - Potrzebny schemat elektryczny silnika Peugeot 206 1,9 D 2001 rok - Potrzebny schemat elektryczny silnika Peugeot 206 1,9 D 2001 rok - Potrzebny schemat elektryczny silnika Peugeot 206 1,9 D 2001 rok - Potrzebny schemat elektryczny silnika Peugeot 206 1,9 D 2001 rok - Potrzebny schemat elektryczny silnika Peugeot 206 1,9 D 2001 rok - Potrzebny schemat elektryczny silnika Peugeot 206 1,9 D 2001 rok - Potrzebny schemat elektryczny silnika Peugeot 206 1,9 D 2001 rok - Potrzebny schemat elektryczny silnika Peugeot 206 1,9 D 2001 rok - Potrzebny schemat elektryczny silnika Peugeot 206 1,9 D 2001 rok - Potrzebny schemat elektryczny silnika Peugeot 206 1,9 D 2001 rok - Potrzebny schemat elektryczny silnika Peugeot 206 1,9 D 2001 rok - Potrzebny schemat elektryczny silnika Peugeot 206 1,9 D 2001 rok - Potrzebny schemat elektryczny silnika Peugeot 206 1,9 D 2001 rok - Potrzebny schemat elektryczny silnika Peugeot 206 1,9 D 2001 rok - Potrzebny schemat elektryczny silnika Peugeot 206 1,9 D 2001 rok - Potrzebny schemat elektryczny silnika
  • REKLAMA
  • #5 20604637
    lew1977
    Poziom 12  
    Witam bardzo dziękuje za schematy ale bym prosił czy by się nie dało bardziej czytelnego schematu bo ani po wydrukowaniu nie widać ani po powiększeniu . Może być od peugeota partner od roku 2003 1.9 D dw8 połączenie sterownika z BSI
  • #6 20604717
    pszczyna
    Poziom 30  
    Odezwij się na priv
  • #7 20608154
    lew1977
    Poziom 12  
    Witam temat rozwiązany przerwane dwa kable łączące BSI Z sterownikiem i BSM wiązce pod sinikiem, utlałe od wody . Dziękuje Bardzo pozdrawiam
REKLAMA