logo elektroda
logo elektroda
X
logo elektroda
REKLAMA
REKLAMA
Adblock/uBlockOrigin/AdGuard mogą powodować znikanie niektórych postów z powodu nowej reguły.

VW Touran 2004 1.9TDI (AVQ) - Błąd czujnika położenia pedału gazu (G79)

tlasota00 13 Cze 2023 11:47 1434 10
REKLAMA
  • #1 20615460
    tlasota00
    Poziom 3  
    Witam,
    Mam Tourana 2004r 1.9TDI silnik AVQ
    Od pół roku mam problem z pedałem gazu.
    16611 - Throttle Pedal Position Sensor (G79): Signal too Low
    P0227 - 000 - - - MIL ON
    Freeze Frame
    RPM: 924 /min
    Torque: 44.0 Nm
    Speed: 22.0 km/h
    Load: 0.0 %
    Voltage: 13.83 V
    Bin. Bits: 00001100
    Torque: 132.0 Nm
    Bin. Bits: 0 01 1
    16610 - Throttle Pedal Position Sensor (G79): Implausible Signal
    P0226 - 000 - -
    Freeze Frame:
    RPM: 1092 /min
    Torque: 2.0 Nm
    Speed: 40.0 km/h
    Load: 0.0 %
    Voltage: 14.52 V
    Bin. Bits: 00001000
    Voltage: 0.912 V
    Voltage: 0.532 V
    Pedał podmieniany.
    Wydaje mi się ze problem leży w okablowaniu. Przewody od pedału do komputera sprawdziłem miernikiem jest oki, ale jak jadę to silnik drga i są inne warunki.
    Pytanie czy przewody od pedał gazu idą bezpośrednio do ECU czy może przez jeszcze dodatkową wiązkę, bo może trzeba szukać przerwy w innym miejscu instalacji.
    Kiedyś pojawiał mi się błąd modułu ABS, a okazało się problemy z kabelkiem check miedzy alternatorem a kompem.
    Może ktoś miał podobny problem i coś doradzi lub coś więcej odczyta z błedów.
    Dzięki za pomoc.
  • REKLAMA
  • #2 20615476
    sigwa18
    Poziom 43  
    Voltage: 0.912 V
    Voltage: 0.532 V

    Suma napięć z dwóch czujników powinna być w okolicach 5V. Pierwsze podpiął bym miernik i sprawdził czy zasilanie 5 V jest stabilne pod obciążeniem. Można by też spróbować przy jakiej pozycji pedału gazu się to dzieje lub innych powtarzalnych warunkach. Czasem jakiś inny czujnik ma awarie i pobiera nadmiernie prąd z linii 5V i napięcie siada.
  • #3 20615486
    johnny833
    Poziom 38  
    Napięcie zasilania tak ,ale i masy. Stabilność cieżko będzie sprawdzić miernikiem ,nie ma bardzo jak obciążyć tego obwodu. Dlatego potrzebny jest najlepiej oscyloskop. Potem dopiero trzeba się skupić na napięciach wyjściowych i najlepiej wpiąć się przy samym ECM.
  • REKLAMA
  • #4 20615504
    sigwa18
    Poziom 43  
    Rezystor 1kΩ.
  • #5 20615505
    tlasota00
    Poziom 3  
    >>20615476
    Jak nie naciskam pedał gazu to sprawdzając napięcie w VCDS jakie odczytuje ECU mam odpowiednio 0.684 V i 0.380V wg specyfikacji jeden czujnik od drugiego powinien pokazywać x2.
    A jak pojawia się błąd to mam napięcia 0.684 V, 0.532V zależność x2 jest nie spełniona jest bład.

    Dodano po 7 [minuty]:

    >>20615486
    Co do masy to racja bo wydaje mi się ze masa od pedału gazu z czujnika G185 jest połączona z masą czujnika czujnik ciśnienia doładowania G31. Kiedyś dawno miałem przetarty kabel i błąd był podobny. Ale teraz sprawdziłem dokładnie kabel nie ma przetarć oczywiście na odcinku miedzy czujnikiem doładowania o kostką zbiorczą. Mam dostęp do oscyloskopu co mogę pomierzyć i gdzie?
  • REKLAMA
  • #6 20615538
    johnny833
    Poziom 38  
    tlasota00 napisał:
    [Mam dostęp do oscyloskopu co mogę pomierzyć i gdzie?

    Pomierz na pedale czy jest stabilne 5v i masa. Jak to jest ok ,to jedziesz dalej, potem zostaje sam czujnik ,wiązka albo ECM. Często przy tego tupu usterkach problemem jest wiązka albo rozepchane /skorodowane piny we wtyczkach.

    sigwa18 napisał:
    Rezystor 1kΩ.

    W sumie to nie wiemy jaki stabilizator tam siedzi ,wtedy bym to zrobił inaczej.
  • REKLAMA
  • #7 20615571
    tlasota00
    Poziom 3  
    johnny833 napisał:
    Pomierz na pedale czy jest stabilne 5v i masa. Jak to jest ok ,to jedziesz dalej, potem zostaje sam czujnik ,wiązka albo ECM. Często przy tego tupu usterkach problemem jest wiązka albo rozepchane /skorodowane piny we wtyczkach.

    Ciężko mierzyć bo błąd pojawia się podczas jazdy :( Zakładam ze wiązka tylko nie mam szczegółowego schematu.
    To co mam to
    VW Touran 2004 1.9TDI (AVQ) - Błąd czujnika położenia pedału gazu (G79)
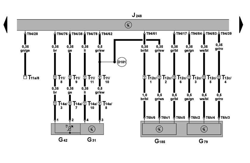
    Kiedyś uszkodzony miałem przewód miedzy G31 a kostką T14a. Widzę ze po drodze jest kostka T11 i połączenie D101 nie mogę jej zlokalizować. Kostka T12c sprawdzona i wygląda oki.
    Ktoś orientuje się gdzie mogę namierzyć kostkę T11 i połączenie D101?

    Dodano po 2 [minuty]:

    johnny833 napisał:
    Pomierz na pedale czy jest stabilne 5v i masa. Jak to jest ok ,to jedziesz dalej, potem zostaje sam czujnik ,wiązka albo ECM. Często przy tego tupu usterkach problemem jest wiązka albo rozepchane /skorodowane piny we wtyczkach.

    Masz rozpiskę na których pniach ma być 5V a na których masa ?
  • #8 20615686
    johnny833
    Poziom 38  
    Patrzyłem na schemat i wychodzi tak
    pin 1 i 2 zasilanie 5v
    pin 5i 3 masy
    pin 6 i 4 to sygnały wyjściowe (napięcie dla ECM)
    Z tego co podają to ma być (wyjście) na jednej linii 0,45v, i 0.83 na drugiej (na zwolnionym) I 2.2 i 4,4 (na wciśniętym).
  • #9 20615746
    tlasota00
    Poziom 3  
    Dzięki za info. Mierzyć napięcia mam przy ECM ?
    VCDS podaje mi napięcia jaki zarejestruje ECM:
    pedał nie wciśnięty:
    G79 - 0,684 V
    G185 - 0,380 V
    pedał wciśnięty na max
    G79 - 4,104 V
    G185 - 2,052 V
    Jak widać zasada ok x2
    Natomiast jak ECM złapie asymetrię pomiędzy czujnikami
    Voltage: 0.912 V
    Voltage: 0.532 V
    to jest error.
    Na postoju wszystko jest oki tylko podczas jazdy.
    Ciężko jest cokolwiek pomierzyć w jeździe.
    Pytanko może masz jakieś schematy rozmieszczenia kostek żebym je fizycznie posprawdzał?
  • #10 20615784
    johnny833
    Poziom 38  
    Napisze raz ostatni. Wpinasz dwie igły przy pedale albo chwytaki ,kabelki, oscyloskop i jazda. Jeden kieruje a drugi patrzy. Wszystko da się pomierzyć. Na razie pisanie i tylko pisanie a dalej nie wiemy czy mamy stabilne 5v, co było już powiedziane w pierwszej odpowiedzi. Do widzenia.
  • #11 20623162
    tlasota00
    Poziom 3  
    Jestem po pomiarach napięć i naprawach takie wnioski:
    Błąd:
    16610 - Throttle Pedal Position Sensor (G79): Implausible Signal
    P0226 - 000 - -
    Freeze Frame:
    RPM: 1092 /min
    Torque: 2.0 Nm
    Speed: 40.0 km/h
    Load: 0.0 %
    Voltage: 14.52 V
    Bin. Bits: 00001000
    Voltage: 0.912 V
    Voltage: 0.532 V
    Powodował uszkodzony przewód masowy miedzy czujnikiem doładowania G31, a kostką pod filtrem powietrza T14a. Już kiedyś było w tych okolicach uszkodzenie teraz wymieniłem cały przewód miedzy czujnikiem a kostką.

    Błąd:
    16611 - Throttle Pedal Position Sensor (G79): Signal too Low
    P0227 - 000 - - - MIL ON
    Freeze Frame
    RPM: 924 /min
    Torque: 44.0 Nm
    Speed: 22.0 km/h
    Load: 0.0 %
    Voltage: 13.83 V
    Bin. Bits: 00001100
    Torque: 132.0 Nm
    Bin. Bits: 0 01 1
    Powodował nie styk w złączce zielonej T12 która jest w podszybiu pod silnikiem lewej wycieraczki.
    Obie usterki poprawione zrobione 1000km i nie ma błędów. Mam nadzieję ze temat zamknięty.

    Nie przeglądnąłem połączenia między kostką T14a która jest pod filtrem powietrza, a kostką T11 która jest w podszybiu pod silnikiem lewej wycieraczki. Nie wiem którędy idą przewody, bo T14a jest w komorze silnika, a do kostki T11 wchodzi od strony kabiny. Gdzieś musi być jeszcze przejście miedzy komora silnika, a kabiną. Mam nadzieję, że ta wiązka jest oki.
    Dzięki wszystkim za pomoc.
    VW Touran 2004 1.9TDI (AVQ) - Błąd czujnika położenia pedału gazu (G79)
REKLAMA