logo elektroda
logo elektroda
X
logo elektroda
REKLAMA
REKLAMA
Adblock/uBlockOrigin/AdGuard mogą powodować znikanie niektórych postów z powodu nowej reguły.

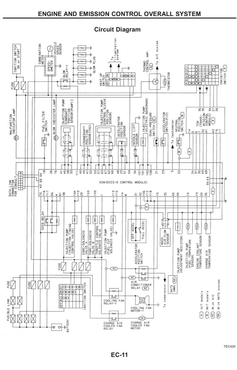
Schemat elektryczny silnika 3.0d w Patrolu Y61 z pompą BoschaVp44 i sterownikiem Zexel

decybel91 26 Cze 2023 19:47 801 2
REKLAMA
  • #1 20632074
    decybel91
    Poziom 42  
    Jak w temacie, potrzebny schemat elektryczny silnika 3.0d na pompie BoschaVp44. Brak mocy, brak komuniikacji z ECU,ABS itp przez OBDII.
    Rocznika nie znam.

    Dodano po 3 [minuty]:

    Sterownik silnika to zexel
  • REKLAMA
REKLAMA