logo elektroda
logo elektroda
X
logo elektroda
Adblock/uBlockOrigin/AdGuard mogą powodować znikanie niektórych postów z powodu nowej reguły.

[Rozwiązano] Amica HK1204 kuchenka- schemat i instrukcja obsługi?

Matheu 09 Lip 2023 12:57 828 4
  • #1 20647542
    Matheu
    Poziom 24  
    Amica HK1204
    kuchenka: płytaCeramiczna+piekarnik
    Szukam instrukji i przede wszystkim- schematu

    Amica
    model: HK1204
    typ: EHK2.834TeYDRL

    Fabr. nr
    07735031626205

    co do instrukcji:
    na stronie producenta www.amica.pl/instrukcje wpisując numer fabryczny
    - stronka odpowiada "niepoprawne dane"

    Amica HK1204 kuchenka- schemat i instrukcja obsługi?
  • #3 20655041
    Matheu
    Poziom 24  
    Dzięki wielkie, Skryn!

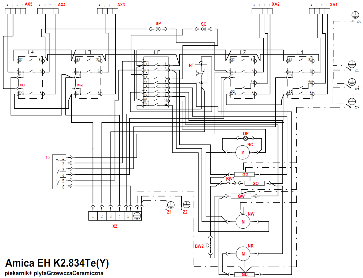
    mam pytanie do schematu, o oznaczenia:
    Amica HK1204 kuchenka- schemat i instrukcja obsługi?

    SP - sygnalizacja (neonówka) załączenia płyty grzewczej
    SC - sygnalizacja (neonówka) piekarnika
    OP- oświetlenie piekarnika (żarówka)

    L1..L4 - pokrętła/ sterowanie grzałek/ "palników" płyty grzewczej
    LP - "programator" krzywkowy piekarnika
    RT- termostat (nastawczy) temperatury piekarnika
    Te - timer elektroniczny (z możliwym rozłączaniem "palnika" lub piekarnika?)

    M- silnik (wentylatora)

    NC- ?
    NW- ?
    NR- ?


    GG - grzałka górna
    GW - ?
    GO - grzałka termoObiegu
    GD - grzałka dolna

    BW1, BW2- ?
  • Pomocny post
    #4 20655220
    skryn
    Specjalista AGD
    Matheu napisał:


    SP - sygnalizacja (neonówka) załączenia płyty grzewczej
    SC - sygnalizacja (neonówka) piekarnika
    OP- oświetlenie piekarnika (żarówka)

    L1..L4 - pokrętła/ sterowanie grzałek/ "palników" płyty grzewczej
    LP - "programator" krzywkowy piekarnika
    RT- termostat (nastawczy) temperatury piekarnika
    Te - timer elektroniczny (z możliwym rozłączaniem "palnika" lub piekarnika?)

    M- silnik (wentylatora)

    NC- ?
    NW- ?
    NR- ?


    GG - grzałka górna
    GW - ?
    GO - grzałka termoObiegu
    GD - grzałka dolna

    BW1, BW2- ?


    Na część oznaczeń sam sobie odpisałeś, niektóre oznaczenia błędnie odczytałeś i tak pokrótce reszta poniżej.

    M - oznaczenie, jako silnik (motor):
    NW - napęd silnika wentylatora termoobiegu
    NC - napęd silnika chłodzącego (włącza się od razu po przekręceniu na jakąkolwiek funkcję)
    NR - napęd silnika rożna (włącza się przy ustawieniu funkcji opiekacza plus pokrętło termoregulatora na zakresie załączenia)

    Grzałki:
    GW - grzałka wentylatora (termoobiegu)
    GO - grzałka opiekacza (grill, grzałka wewnętrzna górna)
    GG - grzałka górna, zewnętrzna
    GD - grzałka dolna

    Bezpieczniki:
    BW1 zabezpieczenie zespołu grzejnika górnego
    BW2 zabezpieczenie całej komory piekarnika przed nadmiernym przegrzaniem.
    Takie dwa okrągłe termostaciki, przyczepione na blaszce gdzieś do komory.

    Czy wszystko jasne?
  • #5 20655654
    Matheu
    Poziom 24  
    Skryn, dziękuję pięknie za Kompleksową pomoc!

    pozdrówka - Maciek
REKLAMA