Witam
Autko Citroen C5x7 2012r z systemem HIFi. Wzmacniacz oryginalny Philips HIFI 9664649780. Zmieniłem radio na android Mekede m700s i wszystko działało poprawnie poza tym ze radio nie pokazywało temp zewnętrznej (zmiana modeli aut nic nie pomogła). Postanowiłem zmienić CANBUS z dedykowanego PSA-RZ-15 na HiWorld PAF1.20. Temperatura jest, cale sterowanie po can - kierownica, czujnik parkowani czy otwieranie drzwi - działa. Ale wzmacniacz Philips HIFI 9664649780 się nie uruchamia i nie ma dźwięku (nie z parktronika tylko w ogóle nic nie gra) Przełożenie canbus na ten dedykowany od razu uruchamia wzmacniacz i znów muzyka gra, ale temperatury zewnątrz brak. Czy ktoś wie jak rozwiązać problem? W radiu Mekde jest kabel sterujący wzmacniaczem, ale gdzie go podłączyć do wzmacniacza Philips HIFI 9664649780 ? I jeśli oryginalny wzmacniacz Philipsa jest uruchamiany po CAN to czy w ogóle bez tego da się go uruchomić na krótko i sterować bezpośrednio z radia mekede? Nie dysponuje opisem pinow wzmacniacza - jeśli ktoś ma opis, będę wdzięczny za udostepnienie
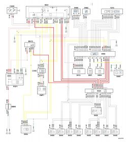
W sieci znalazłem taki schemat audio z citroena C5 - jeśli ktoś wie gdzie podać +12V zeby wystartować wzmacniacz to bede wdzieczny za pomoc. Wzmacniacz na schemacie to 8424

Autko Citroen C5x7 2012r z systemem HIFi. Wzmacniacz oryginalny Philips HIFI 9664649780. Zmieniłem radio na android Mekede m700s i wszystko działało poprawnie poza tym ze radio nie pokazywało temp zewnętrznej (zmiana modeli aut nic nie pomogła). Postanowiłem zmienić CANBUS z dedykowanego PSA-RZ-15 na HiWorld PAF1.20. Temperatura jest, cale sterowanie po can - kierownica, czujnik parkowani czy otwieranie drzwi - działa. Ale wzmacniacz Philips HIFI 9664649780 się nie uruchamia i nie ma dźwięku (nie z parktronika tylko w ogóle nic nie gra) Przełożenie canbus na ten dedykowany od razu uruchamia wzmacniacz i znów muzyka gra, ale temperatury zewnątrz brak. Czy ktoś wie jak rozwiązać problem? W radiu Mekde jest kabel sterujący wzmacniaczem, ale gdzie go podłączyć do wzmacniacza Philips HIFI 9664649780 ? I jeśli oryginalny wzmacniacz Philipsa jest uruchamiany po CAN to czy w ogóle bez tego da się go uruchomić na krótko i sterować bezpośrednio z radia mekede? Nie dysponuje opisem pinow wzmacniacza - jeśli ktoś ma opis, będę wdzięczny za udostepnienie
W sieci znalazłem taki schemat audio z citroena C5 - jeśli ktoś wie gdzie podać +12V zeby wystartować wzmacniacz to bede wdzieczny za pomoc. Wzmacniacz na schemacie to 8424