Posiadam radziecki oscyloskop C1-118A.
Był po wymianie elektrolitów, wszystko hulało.
Odstawiłem go na szafkę, wyjechałem na urlop i po powrocie (2 tyg) włączyłem go. Cały ekran natychmiastowo zaświecił się na zielono, szybko odłączyłem oscyloskop od sieci. Nic przy nim nie ruszałem, bo nie miałem czasu.
Gdy za kilka dni go podłączyłem (przez żarówkę) na ekranie nie wyświetla się nic. Transformator lekko brzęczy. Żarówka jasno się żarzy.
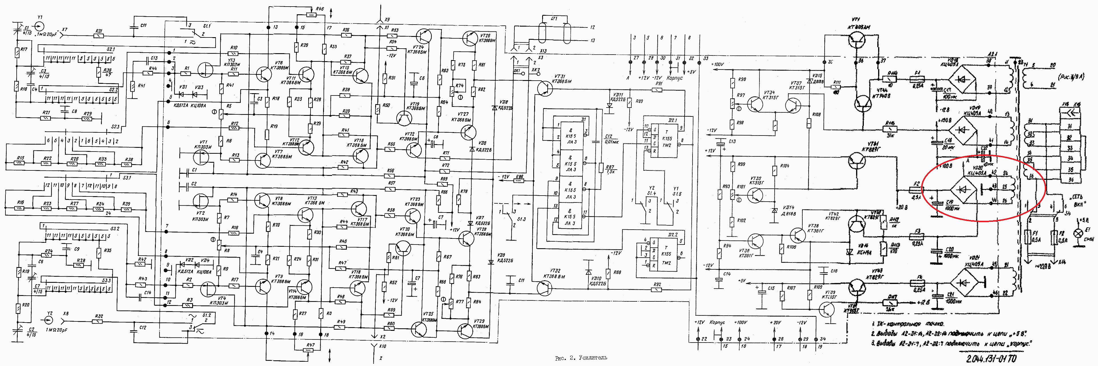
Dziś go rozebrałem, zauważyłem że na wyjściach trafa (42 i 43) względem masy jest rezystancja około 5om.
Wylutowałem dwa przewody i włączyłem oscyloskop. Żarówka mocno zaświeciła i bardzo leciuteńko się żarzy (prawie w ogóle).
Po odłączeniu ich dalej względem masy na tych przewodach od trafa jest po około 5om.
Co mogło mu się przydarzyć?
Co sprawdzić?
Co mogło się uszkodzić
Był po wymianie elektrolitów, wszystko hulało.
Odstawiłem go na szafkę, wyjechałem na urlop i po powrocie (2 tyg) włączyłem go. Cały ekran natychmiastowo zaświecił się na zielono, szybko odłączyłem oscyloskop od sieci. Nic przy nim nie ruszałem, bo nie miałem czasu.
Gdy za kilka dni go podłączyłem (przez żarówkę) na ekranie nie wyświetla się nic. Transformator lekko brzęczy. Żarówka jasno się żarzy.
Dziś go rozebrałem, zauważyłem że na wyjściach trafa (42 i 43) względem masy jest rezystancja około 5om.
Wylutowałem dwa przewody i włączyłem oscyloskop. Żarówka mocno zaświeciła i bardzo leciuteńko się żarzy (prawie w ogóle).
Po odłączeniu ich dalej względem masy na tych przewodach od trafa jest po około 5om.
Co mogło mu się przydarzyć?
Co sprawdzić?
Co mogło się uszkodzić