logo elektroda
logo elektroda
X
logo elektroda
REKLAMA
REKLAMA
Adblock/uBlockOrigin/AdGuard mogą powodować znikanie niektórych postów z powodu nowej reguły.

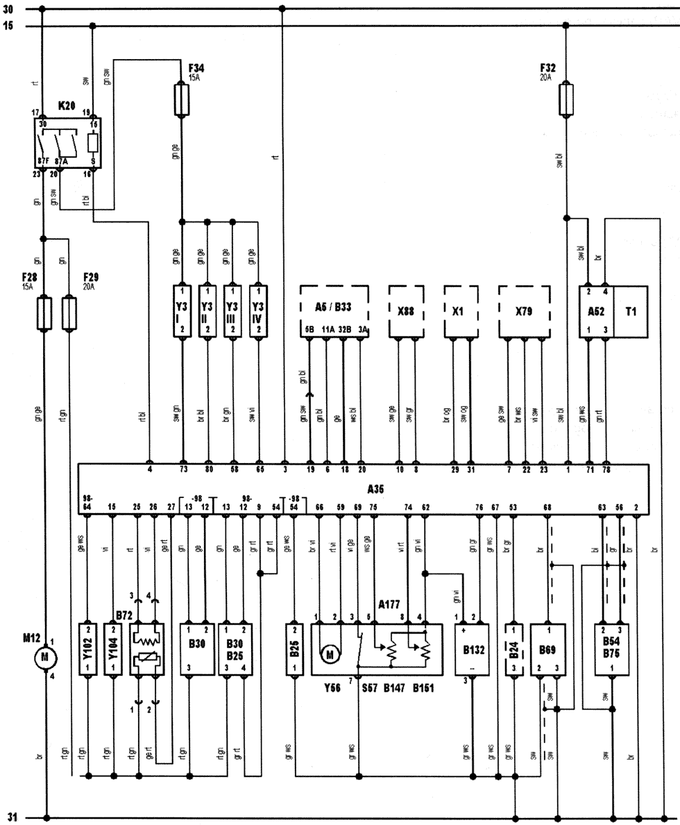
Kostka zasilająca cewkę zapłonową passat b5 1.6

rudygrzes 12 Sie 2023 18:58 621 24
REKLAMA
  • #1 20691189
    rudygrzes
    Poziom 9  
    Ktoś podpowie jakie napiecia i kiedy powinny się pojawiać na tych pinach. Jest to kostka zasilająca cewke zapłonową w pasacie b5 1.6 (AHL) 1998 r.
    Dodam, że po przekręceniu kluczyka pojawia się napięcie 12V między pinami 2 i 4, moje pytanie czy przy rozruchu na pozostałych pinach tzn. 1 i 3 (zielone kable) też powinno się pojawiać napiecie.
    Silnik nie pali na wszystkie garnki i wydaje mi się że problem tkwi właśnie w zasilaniu tej cewki, bo wszystko jest powymieniane( świece kable cewka) i dalej efektu brak
  • REKLAMA
  • #2 20691197
    spinacz
    Poziom 42  
    1 -> ECU pin 71
    2 -> +12V przez bezpiecznik
    3 -> ECU pin 78
    4 -> MASA
  • #3 20691199
    ladamaniac
    Poziom 40  
    Na dwóch pozostałych ma się pojawiać impuls podczas kręcenia wałem korbowym. Czas trwania około 3 milisekundy, sterowanie chyba plusem. Jeden z tych przewodów jest odpowiedzialny za cylinder 1 i 4 a drugi za 2 i 3. Jeżeli nie pali tylko na jeden, to nie jest problem z impulsem. Do wstępnej oceny wystarczy kontrolka led. Do pełnego obrazu sytuacji wymagany oscyloskop.
  • REKLAMA
  • #4 20691201
    spinacz
    Poziom 42  
    A w ogóle robiłeś diagnostykę ? Może ECU nie wstaje, może czujnik uszkodzony. Jak doszło do awarii ?
  • #5 20691300
    johnny833
    Poziom 38  
    ladamaniac napisał:
    Do wstępnej oceny wystarczy kontrolka led. Do pełnego obrazu sytuacji wymagany oscyloskop.

    Wszystko w temacie. Zapytał bym jeszcze jak tam sprężanie na garach?
  • #6 20691339
    carrot
    Moderator Samochody
    Na zielonych kablach impulsy sterujące driverami cewek 1-4 oraz 2-3 +5V
  • #7 20692187
    rudygrzes
    Poziom 9  
    a więc tak ciśnienia na wszystkich garkach po ok 10 bar, nie widać jakiś mega odchyleń, ale na komuterze pojawiło się trochę błędów:
    515 - - - - - 0203 Czujnik HALL'a obrotów silnika CKP (G40) lub jego obwód -to chyba normalne na zgaszonym silniku
    1252 - - - - - 04E4 Wtryskiwacz cylindra 4 (N33) > przewody, bezpiecznik, wtryskiwacz
    282 - - - - - 011A Czujnik położenia przepustnicy TPS lub obwód ISC (V60)
    518 - - - - - 0206 Potencjometr przepustnicy TPS (G69) lub jego obwód > przewody, TPS
    530 - - - - - 0212 Potencjometr przepustnicy / czujnik pozycji nastawnika obrotów ISC (G88)
  • #8 20692208
    carrot
    Moderator Samochody
    Masz błąd obwodu wtryskiwacza IV cylindra, na tym się skup w pierwszej kolejności
  • REKLAMA
  • #10 20692382
    rudygrzes
    Poziom 9  
    no właśnie zapomniałem pisać ale jest i na gazie też przestał jeździć
  • #11 20692404
    ladamaniac
    Poziom 40  
    To najczęściej jest wina instalacji lpg. Najczęściej wiązka, miejsca rozcięcia wtryskiwaczy benzynowych, rzadziej sterownik lpg i wtryskiwacze benzynowe, najrzadziej usterka sterownika benzynowego. Poszukaj miejsca rozcięcia wtryskiwaczy benzynowych sprawdź połączenia na 4 wtryskiwaczu 4 cylindra. W razie potrzeby zmostkuj, przywróć obwód do oryginału i sprawdź. Ponownie kłania się kontrolka diodowa, tym razem dołączona do plusa, ja używam dwóch ledów połączonych antyrównolegle.
  • #12 20693332
    rudygrzes
    Poziom 9  

    Udało się znaleźć problem. Kwestia polega na tym, jak go rozwiązać. W przypadku wtryskiwacza numer 4, napięcie jest podawane ciągle od momentu przekręcenia kluczyka na zapłon. W rezultacie benzyna jest ciągle podawana do komory spalania. Teraz moje pytanie brzmi: co jest przyczyną takiego stanu rzeczy? Na co powinienem zwrócić uwagę? Czy ktoś ma jakieś pomysły?
  • #13 20693354
    johnny833
    Poziom 38  
    Tylko zwarcie do masy albo uszkodzony ECM gazu/benzyny.
  • #14 20693377
    rudygrzes
    Poziom 9  
    No właśnie kable przejrzane, i nic niepokojącego nie ma, więc zwarcie raczej bym wykluczył, pytanie czy jest jakaś opcja żeby sprawdzić czy to ecm gazu czy benzyny?
  • #15 20693396
    johnny833
    Poziom 38  
    Odłącz/odetnij kabel wtrysku przy samym ECM to się dowiesz. A miejsce wtrysku żaróweczka . Albo odłącz złącza i przemierz wiązkę ile to roboty ?
  • #16 20693398
    carrot
    Moderator Samochody
    Kostka zasilająca cewkę zapłonową passat b5 1.6
    Sprawdź miernikiem czy masz przejście do masy z pinu 65 sterownika (wyjście 4 wtryskiwacza)
  • REKLAMA
  • #17 20693440
    rudygrzes
    Poziom 9  
    No tak jest przejście do obudowy sterownika z pinu 65, nastawiając miernik na buzer, miernik tita informując o ciągłości obwodu, czyli rozumiem, że to wina ECM samochodu ?
  • #18 20693442
    ociz
    VIP Zasłużony dla elektroda
    Porównaj z pozostałymi wtryskiwaczami.
  • #19 20693463
    rudygrzes
    Poziom 9  

    No właśnie na pozostałych pinach od wtryskiwaczy przejść nie ma
  • #20 20693469
    johnny833
    Poziom 38  
    No i co to według ciebie może być?
  • #21 20693476
    rudygrzes
    Poziom 9  
    johnny833, dzięki bardzo za garść cennych informacji, to, że nie jestem jakoś super biegły z tej elektroniki to wiem, coś tam kumam, resztę się po prostu pytam, nie musisz dogryzać, zakładam że jak na trzech przejścia nie ma, a na tym jednym jest to znaczy, że tu jest problem i to by tylko potwierdzało przypuszczenia, na pewno bez tych podpowiedzi każdego z was bym do tego momentu nie dotarł
  • #22 20693496
    ociz
    VIP Zasłużony dla elektroda
    Warto zainteresować się też instalacją gazową, czy nie działa tylko dlatego że brak impulsów na tym jednym wtryskiwaczu, czy może tam być tez przyczyna uszkodzenia ECU, choć to mało realne się wydaje.
  • #23 20693528
    johnny833
    Poziom 38  
    Jak poszedł "driver" w ECM to warto się zainteresować przebiegiem prądu na wtryskach albo sprawdzić rezystancję przy samym ECM. Tak dla zasady czy nie ma jakiego zwarcia po drodze np w sterowniku gazu. Bo może nie spalił się bez przyczyny?
  • #24 20693619
    rudygrzes
    Poziom 9  
    Pewnie masz rację, a tak jeszcze bardziej łopatologicznie, sprawdzić rezystancję przy samym ecm w jaki sposób? Prosiłbym bez uszczypliwości 🙂
  • #25 20693927
    johnny833
    Poziom 38  
    Odłącz wtyczki wtrysków i i zmierz ile omów ma każdy. Jak wiązkę sprawdzałeś to wymieniasz ECM i tyle. Można jeszcze by sprawdzić przy zdjętych wtyczkach ECM i wtrysków czy ta linia co idzie od wtrysków do kompa (cztery kable) nie ma zwarcia.

Podsumowanie tematu

Dyskusja dotyczy problemu zasilania cewki zapłonowej w Passacie B5 1.6 (AHL) z 1998 roku. Użytkownik zauważył, że po przekręceniu kluczyka pojawia się napięcie 12V między pinami 2 i 4, ale nie jest pewien, czy na pinach 1 i 3 powinno również występować napięcie podczas rozruchu. Odpowiedzi wskazują, że na pinach 1 i 3 powinny pojawiać się impulsy sterujące podczas kręcenia wałem korbowym. Użytkownik zgłasza problemy z zapłonem, mimo wymiany świec, kabli i cewki. W trakcie diagnostyki pojawiły się błędy związane z czujnikiem Halla oraz wtryskiwaczem cylindra 4. Użytkownik zauważył, że wtryskiwacz 4 ma ciągłe napięcie, co może wskazywać na problem z ECM. Wskazówki dotyczące diagnostyki obejmują sprawdzenie rezystancji wtryskiwaczy oraz potencjalnych zwarć w instalacji gazowej, co może być przyczyną problemów z zasilaniem.
Podsumowanie wygenerowane przez model językowy.
REKLAMA