Witam, mam radio CB Alan 28, w którym chcę uzyskać tak zwane dziury, czyli kanały 3A, 7A, 11A, 15A, 19A. Czy ktoś na forum wie, jak wykonać tę przeróbkę w tym modelu radia?
Czy wolisz polską wersję strony elektroda?
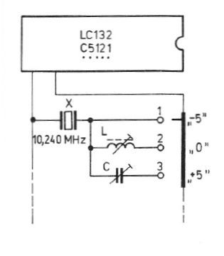
Nie, dziękuję Przekieruj mnie tamJacekCz napisał:+10 to będzie 5 kHz za wysoko a -10 to będzie 5 kHz za nisko.Przez podbicie syntezy +10 lub -10 kHz
