logo elektroda
logo elektroda
X
logo elektroda
Adblock/uBlockOrigin/AdGuard mogą powodować znikanie niektórych postów z powodu nowej reguły.

Dostępność diod LED dla lampy ogrodowej o napięciu 1.2v, wymiana komponentów płytki

grunek 17 Sie 2023 21:53 588 5
  • #1 20697717
    grunek
    Poziom 12  
    Witam, ostatnio chciałem naprawić nieświecącą lampkę ogrodową, solarną. W lampie prawdopodobnie padły diody LED. Czy są gdzieś dostępne diody LED, które świecą przy napięciu 1.2V? Takie napięcie występuje na płytce po naładowaniu baterii (bateria 1.2V 40mA). Na płytce znajduje się panel solarny, który posiada napięcie około 1.8-2V w słońcu. Jest on wlutowany w układ ładowania YX805. Podłączenie panelu do układu daje napięcie 0.45V, być może dlatego, że bateria się ładuje. Diody są przepalone, sprawdzałem. Są dwie połączone szeregowo. Dodatkowo na płytce jest dziwny rezystor lub dławik, który po pomiarze na multimetrze pokazał wartość 4.2 ohm, a z pasków wynika, że powinien mieć 180 kΩ (brązowy, szary, brązowy, srebrny). Zamówię i również wymienię. Gdzie mogę dostać diody LED, które zaświecają przy napięciu 1.2V? Pozdrawiam.
  • #2 20697745
    rb401
    Poziom 39  
    grunek napisał:
    Ale pytanie brzmi gdzie mogę dostać diody LED które zaświeca na napięciu 1,2v??? Pozdrawiam


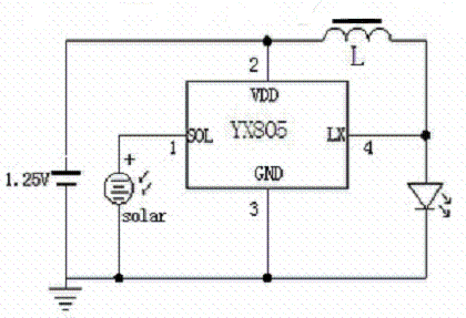
    LED są całkiem normalne, ok. 3V napięcia pracy. Ale to właśnie ten układ YX805 zawiera w sobie przetwornicę podwyższającą napięcie 1,2V na napięcie ok. 3V przy którym świecą białe LED. Ten dławik też jest elementem przetwornicy.

    Tu jest najprostszy schemat takiej lampki na układzie YX805:
    Dostępność diod LED dla lampy ogrodowej o napięciu 1.2v, wymiana komponentów płytki


    grunek napisał:
    podłączony panel do układu daje napięcie 0,45v może dlatego że się bateria ładuje....


    To wyraźnie za małe napięcie przy prawidłowo oświetlonym panelu. Podczas ładowania napięcie mierzone na panelu powinno być lekko wyższe (ułamek wolta) niż na akumulatorze.
    Z Twojego pomiaru wyglądałoby, jakby akumulator miał zwarcie, lub LED miał zwarcie (co jest może mniej prawdopodobne).
    Więcej informacji dał by pomiar napięcia na akumulatorze, przy oświetlonym panelu i sprawdzenie czy pojawi się na nim napięcie jeśli odłączy się tymczasowo dławik.
  • #3 20697751
    Bartek0009102
    Poziom 9  
    W tme powinny być na około 2V, ale czy na 1.2V? Podeślij jakieś zdjęcie jak to wygląda. Zmierz też suwmiarką te diody, wymiary pomogą w szukaniu.
  • #4 20697853
    grunek
    Poziom 12  
    >>20697745
    Sprawdzałem to faktycznie przy pełnym oświetleniu panelu na akumulatorze wg nie ma napięcia lecz sprawdzałem to przy wlutowany dławiku. Ok, diody zamówię zwykłe biały alby się średnica zgadzała, a co jeśli uszkodzony jest dławik ? Czyli to nie jest rezystor tak?
  • #5 20697903
    rb401
    Poziom 39  
    grunek napisał:
    Ok, diody zamówię zwykłe biały alby się średnica zgadzała


    O diodach w tej chwili nic nie da się powiedzieć, bo czy dobre czy uszkodzone i tak nie będą świecić dopóki nie będzie zasilania. Czyli tych ok. 1,2V.
    To że panel generuje prąd nie wystarczy, bo w tym układzie scalonym jest logika, że jak napięcie na wejściu z panelu jest (czyli jest dzień) to przetwornica podwyższająca napięcie na LED jest wyłączona i na LED jest tylko napięcie jakie ma akumulator. Czyli zbyt niskie do zaświecenia normalnej białej LED.

    Na teraz nie jest możliwe z Twojej relacji, jednoznacznie wskazać co jest uszkodzone. Osobiście dla mnie najbardziej prawdopodobne jest wewnętrzne zwarcie w akumulatorze. Ale też nie wykluczam innej przyczyny.

    Czyli jeden test to by było wyeliminowanie ewentualnej przyczyny w postaci zwarcia LED lub jej połączeń (co w konsekwencji zwiera obwód akumulatora przez dławik). Czyli tymczasowe wypięcie dławika i obserwacja czy zaczyna pojawiać się napięcie na akumulatorze przy oświetlonym panelu.
    Drugi proponowany test, jeśli już wykluczymy zwarcie na LED, to odpięcie akumulatora i w jego miejsce podpięcie bateryjki 1,5V (paluszek itp. , pilnując zgodności biegunów) i zaciemnienie panelu. Jeśli LED normalnie zaświeci to już wiemy że akumulator jest wewnętrzne zwarty a reszta dobre.

    Z innych przyczyn, może też być tak że po prostu uszkodził się ten układ scalony i on zwiera akumulator. Może być też panel słoneczny uszkodzony że nie daje pełnego napięcia i tym samym nie ładuje akumulatora. Ale bez testów nie da się orzec.


    grunek napisał:
    a co jeśli uszkodzony jest dławik ?


    Akurat dławik, obojętnie czy uszkodzony czy nie, nie jest w stanie spowodować zerowego napięcia na akumulatorze przy oświetlonym panelu, bo w tym czasie i tak przetwornica jest wyłączona. A dławik mierzyłeś i było przejście. Możesz dla pewności go zmierzyć też jak go odepniesz do próby. Ale ewentualność awarii dławika można rozpatrywać dopiero w sytuacji kiedy napięcie na akumulatorze by było a LED nie świecił (przy zaciemnionym panelu). Tak że na razie dławikiem się nie przejmuj. Na chwilę obecną musi być załatwiona kwestia napięcia na akumulatorze, by było prawidłowe.
  • #6 20713470
    mati211p
    Specjalista - HDD i odzyskiwanie danych
    Są 4 możliwości: Skorodowane połączenie panel/PCB, zwarcie na układzie poprzez diodę, zwarcie samego układu, zwarcie na akumulatorze raczej mniej prawdopodobne, szybciej uszkodzony. Te pastylkowe 40 mAh to są niewiele warte. Ten mały element to nie rezystor tylko dławik osiowy, nim regulujesz prąd podawany na LED, od niego zależy XL układu.
    Sprawdzasz wylutowując po kolei wadliwe elementy, możesz potwierdzić też, że coś jest uszkodzone poza panelem/akumulatorem mierząc na zakresie diodowym spadek napięcia między + a - akumulatora po jego odlutowaniu. Przydałoby się też zamontować lepszy akumulator min. te 200-600 mAh, zależnie od prądu ładowania. Sprawny układ ma około ponad 1V spadku napięcia w kierunku + do plusa i około 0,6V w kierunku przeciwnym. Wynik poniżej 1V na kierunku + do + to problem z układem/diodą. Swego czasu zostało przeze mnie zbudowane nawet od zera ponad 100 lamp solarnych, włącznie z przeróbkami z normalnych lamp, moce od 0,06W do 3W. Naprawionych zostało ponad 200 przez kilka lat także i doświadczenia sporo i przeróżnych awarii. Odpukać w tym roku wszystkie 100 świeci od maja.
REKLAMA