logo elektroda
logo elektroda
X
logo elektroda
Adblock/uBlockOrigin/AdGuard mogą powodować znikanie niektórych postów z powodu nowej reguły.

Zabezpieczenie silników wyłącznikami silnikowymi za falownikiem

Daniel_GSM 02 Wrz 2023 12:43 1014 15
  • #1 20718592
    Daniel_GSM
    Poziom 25  
    Jedni mówią, że można a inni, że nie powinno się tak robić.

    Poniżej załączam schemat od ABB z wykorzystaniem falownika AC310.
    Jak widać silniki zabezpieczone są wyłącznikami silnikowymi ZA falownikiem.

    Czy takie nagłe odłączenie obciążenia (gdy zadziała wyłącznik silnikowy) będzie zdrowe dla falownika?

    Co o tym myślicie?

    Zabezpieczenie silników wyłącznikami silnikowymi za falownikiem
  • #2 20718656
    vorlog
    Poziom 40  
    To jest układ umożliwiający pracę silników alternatywnie/awaryjnie z pominięciem falownika.
    W suwnicach stosuje się dwa lub cztery siniki pracujące z jednym falownikiem bez dodatkowych dobezpieczeń (za wyjątkiem silników większej mocy) i jakoś to działa...
    V.
  • #3 20718776
    linx
    Poziom 21  
    Podobny układ widziałem w przepompowniach, gdzie jeden falownik przypadał na kilka silników - w tym przypadku pomp. Falownik służył głównie do rozruchu pomp, po tym były od niego odłączane i przełączane bezpośrednio do sieci.

    W wyżej wymienionym przypadku zastosowane są wyłączniki silnikowe ze stykami sterującymi, które być może są spięte z K1.1/K2.1, a więc kiedy falownik jest już odłączony. Silnik odłączany za falownikiem podczas pracy najczęściej wywołuje błąd falownika.
  • #4 20718789
    vorlog
    Poziom 40  
    linx napisał:
    Silnik odłączany za falownikiem podczas pracy najczęściej wywołuje błąd falownika.

    Lub uwalenie mostka IGBT w falowniku.
    V.
  • #5 20718850
    Rariusz
    Specjalista Automatyk
    Witam,

    Mi wygląd to na zastosowanie falownika do rozruchu. Pytanie czy w takim układzie można włączyć K1 i K1.1 jednocześnie.
    Jeśli tak, to po włączeniu dajemy stop do falownika i wyłączamy K1. Falowniki nie zgłosi błędu.

    Pozdrawiam,
  • #6 20719568
    Daniel_GSM
    Poziom 25  
    Nie jest to układ rozruchu na falowniku.

    Jest to typowa aplikacja dla pomp hydroforowych do utrzymywania zadanego ciśnienia w rurociągu.

    Jeśli zadane ciśnienie jest możliwe do osiągnięcia na jednej pompie to wszystko działa na jednej i na falowniku bez zapinania na sieć. Jeśli jednak ciśnienie nie jest możliwe do osiągnięcia przez jedną pompę to jedna zostaje zapięta na sztywno do sieci a druga jest regulowana przez falownik.

    Jak widzicie przed pompami są wyłączniki silnikowe, które mogą się wyłączyć nawet podczas pracy pompy na falowniku.


    Pytanie - czy to niebezpieczne? Takie nagłe odłączenie silnika podczas pracy na falowniku może uwalić IGBT jak ktoś wyżej napisał czy nie?


    W sumie to schemat od producenta...

    Dodano po 2 [minuty]:

    Rariusz napisał:
    Witam,

    Pytanie czy w takim układzie można włączyć K1 i K1.1 jednocześnie.


    No coś Ty! Zwariowałeś czy co? Gdybyś tak zrobił to masz po falowniku.
    K1 i K1.1 mają blokady mechaniczne i dodatkowo zabezpieczenia elektryczne :)
  • #7 20719587
    vorlog
    Poziom 40  
    Daniel_GSM napisał:
    może uwalić IGBT jak ktoś wyżej napisał czy nie

    Tak Ci trudno napisać kto?
    Stosując w swych projektach ok. 1000 falowników rocznie ten "ktoś" twierdzi, że niekontrolowane przerwanie obwodu falownik-silnik podczas pracy układu grozi zniszczeniem falownika i takich rozwiązań stosować nie wolno. Proponuję też poczytać zalecenia producentów falowników.
    To, co zamieściłeś na obrazku to fragment schematu- część wykonawcza bez części sterowniczej, a ta druga właśnie zawiera całą "logikę" działania układu.
    Dyskusja więc obecnie to gadka teoretyzująca o dupie Maryni.
    V.
  • #8 20719907
    Rariusz
    Specjalista Automatyk
    Witam,

    Daniel_GSM napisał:

    Jest to typowa aplikacja dla pomp hydroforowych do utrzymywania zadanego ciśnienia w rurociągu.


    Trzeba było tak od razu. Nie pisałbym głupot ;).

    Pozdrawiam,
  • #9 20720368
    romulus73
    Poziom 28  
    @Daniel_GSM jeżeli falownik jest zabezpieczeniem silnika to ten schemat przedstawia taniochę i badziew.
    @vorlog kolega już napisał co o tym sądzi, ale doprecyzuję na wyjściu falownika stosuje się zabezpieczania, asymetrii faz, prądu, pojemności uzwojeń, zabezpieczeń termicznych, nagłego wzrostu dociążenia, czasu narastania prądu. Stosując takie rozwiązania taniochy nie zabezpieczysz silnika. Po co właściwie ten temat?

    Dodano po 5 [minuty]:

    Daniel_GSM napisał:
    Jeśli zadane ciśnienie jest możliwe do osiągnięcia na jednej pompie to wszystko działa na jednej i na falowniku bez zapinania na sieć. Jeśli jednak ciśnienie nie jest możliwe do osiągnięcia przez jedną pompę to jedna zostaje zapięta na sztywno do sieci a druga jest regulowana przez falownik.

    Teraz aby to zrealizować to prawidłowo jest zatrzymać falownik, zapiąć stycznik i uruchomić falownik z drugą pompą. Aby efektywnie to zrobić to rampa dla pompy powinna być 2 sekundy, dla pomp do 5.5KW oczywiście nie masz wpisanej mocy silników typowa amatorszczyzna
    zacytują ".
    Dyskusja więc obecnie to gadka teoretyzująca o dupie Maryni."
  • #10 20720380
    vorlog
    Poziom 40  
    @romulus73 Autor, spec od GSM, wrzucił obrazek, będący odzwierciedleniem czegoś, co później dookreślił jako kawałek przepompowni.
    Ja zaryzykowałem powyżej twierdzenie, że jest to układ oferujący możliwość awaryjnego zasilania silnika/silników i to pasuje moim zdaniem, bo schematu układu sterowania tym ustrojstwem już autor zapewne nie ma.
    Otóż- w przepompowni zachodzi konieczność zapewnienia określonego ciśnienia w układzie, ale też dopasowania wydajności do stopnia zapotrzebowania na wodę, stąd falownikowy system sterowania z kupą czujników w sprzężeniu zwrotnym.
    Ale! Co się stanie, jak w nocy falownik dostanie cipca, jak wysiądzie któryś czujnik? Odłączamy pół miasta od sieci, bo siadło sterowanie precyzyjne pomp? A może przełączamy się na sterowanie "on/off" przez głupi stycznik? Ale żeby nie robić tego śrubokrętem, to operator, niekoniecznie elektryk, przełącza jeden czy więcej knypków na pulpicie na sterowanie awaryjne i jedziemy dalej, a falownik czy co innego to wymienią rano elektryki z serwisu...
    Bardzo podobny układ stosowałem we wciągarkach pracujących pod ziemią w pewnej kopalni znanego koncernu polskiego, gdzie użytkownik obawiał się przerwy w pracy wciągarki, gdyby wskutek wilgoci (zaj...stej!) elektronika (mimo wszelkich zabezpieczeń) wysiadła. Ponoć jak dotąd (kilka lat) nie korzystał z alternatywnego sterowania, niemniej co jakiś czas je testuje w ramach prób okresowych. A tam silniczki mają, jak pamiętam, po 38kW/500V
    V.
  • #11 20720607
    Daniel_GSM
    Poziom 25  
    Stary o czym Ty piszesz?
    Zacząłeś analizować temat na wyrost a chyba nie przeczytałeś pytania.

    Brandujesz się na automatyka-elektronika a nie przeczytałeś pytania więc napiszę je jeszcze raz:

    Moje pytanie brzmi:
    Czy powinno się stosować dodatkowe zabezpieczenia silników za falownikiem.
    Powiedz no mi "automatyku-elektroniku" - jakie znaczenie ma dla Ciebie reszta schematu przy tak zadanym pytaniu?


    Co ma schemat do tego pytania? co ma schemat do aplikacji SPFC w falowniku ABB czy innych?
    Co ma do tego hydrofornia?
    Przecież tą aplikacją można zrealizować dużo więcej niż tylko hydrofornię. Można utrzymywać zadany przepływ, ciśnienie, poziom tlenu w zbiorniku itd.

    PO CO CI RESZTA SCHEMATU do pytania z pierwszego postu? automatyku-elektroniku :)
  • #12 20720620
    Rariusz
    Specjalista Automatyk
    Witam,

    Typowo nie zabezpiecza się dodatkowo silniki za falownikiem. Jeśli aplikacja wymaga inaczej, sprawdź
    sprawdzone rozwiązania dla Twojej aplikacji. Stosuj dobre praktyki inżynierskie.

    Pozdrawiam,
  • #13 20720656
    lopr_pol
    Poziom 31  
    Ja to codziennie składam kawałek automatyki dla dużego klienta niemieckiego, urządzenie projektowane przez "renomowanych" inżynierów niemieckich i za falownikiem dwa zabezpieczenia silnikowe + dwa silniki. Jakoś chyba im działa ;)
  • #14 20721033
    vorlog
    Poziom 40  
    @lopr_pol ja w swych projektach na jeden falownik pakuję często cztery silniki, przy większych mocach każdy z własnym wyłącznikiem silnikowym plus bimetalem w uzwojeniu- też działa, można? Można, ale trzeba wiedzieć co się robi.
    Jak będę jutro w firmie to podrzucę stosowny schemat.
    Tak w sumie to mam "na liczniku" dopiero trochę ponad trzy tysiące suwnic zaprojektowanych, sprzedanych, działających, plus tak z tysiąc wciągarek i trochę innego drobiazgu, więc co ja mogę wiedzieć w porównaniu z jakimś wybitnym specem, próbującym obsikiwać mi nogawki swymi zaczepkami...
    V.
  • #15 20721221
    atlantel
    Specjalista Automatyk
    Daniel_GSM napisał:
    PO CO CI RESZTA SCHEMATU do pytania z pierwszego postu? automatyku-elektroniku

    A po to, aby sprawdzić prawidłowość wyłączania falownika!
    Wszyscy zagłębiają się w wyłączenie (odłączenie silnika za falownikiem) wyimaginowanym wyłącznikiem silnikowym. A to mamy zgodnie ze sztuką projektową zastosowane zabezpieczenie termiczne zwane przekaźnikiem termicznym (tzw. termikiem), aparat ten nie otwiera obwodu prądowego natomiast umożliwia wykonanie w prawidłowym połączeniu poprzez swoje styki blokadę pracy falownika i sygnalizację takiego stanu po przekroczeniu nastawionego prądu danego silnika. Kłania się tu typowa aplikacja wielu silników np. wentylatorów na jednym falowniku, lub zasilanie z ominięciem falownika ale w dalszym ciągu zabezpieczanego.
  • #16 20722527
    vorlog
    Poziom 40  
    Owszem, autorowi chodziło o dobezpieczanie silników za falownikiem i potencjalnym efektem przerwania obwodu podczas pracy układu.
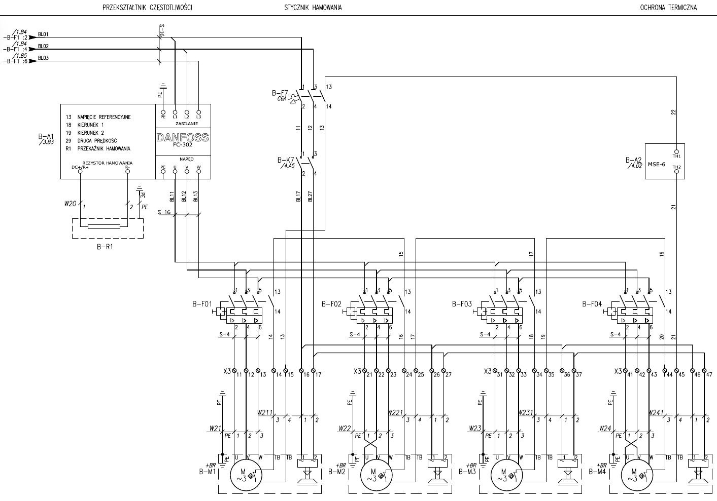
    Tak wygląda zastosowanie czterech niewyimaginowanych wyłączników silnikowych za falownikiem w klasycznym układzie napędu suwnicy.
    Zabezpieczenie silników wyłącznikami silnikowymi za falownikiem
    Zestyki pomocnicze wyłączników, czujniki bimetaliczne w uzwojeniach silników, zestyk pomocniczy wyłącznika nadprądowego obwodu zasilania hamulców są połączone w szereg i przyłączone do wejść specyficznego modułu (B-A2, tu fragment), robiącego za rodzaj karty wejściowej falownika (moje autorskie rozwiązanie). Przerwanie pętli skutkuje odcięciem wejść sterujących kierunkiem jazdy w falowniku i w konsekwencji wyłączeniem jazdy suwnicy. W innych zastosowaniach możliwe jest wykorzystanie takiej pętli wraz z przekaźnikiem pracującym w obwodzie STO falownika (w suwnicach niepraktykowane z pewnych względów).
    Możliwość jednoczesnego zadziałania wszystkich czterech wyłączników silnikowych jest żadna, a dopóki choć jeden wyłącznik jest załączony i choć jeden silnik przyłączony do falownika, temu ostatniemu nic nie grozi.
    Powyższe nie jest ściśle moim "patentem", to standard w suwnicach, przykład (fragment) poniżej z największej zachodniej firmy suwnicowej, ale tam silniki nie mają czujników w uzwojeniach, niemniej zestyki wyłączników silnikowych też są połączone w szereg i w razie bidy odcinają sterowanie falownika.
    Zabezpieczenie silników wyłącznikami silnikowymi za falownikiem
    Oczywiście z przyczyn wiadomych schematy mają obcięte ramki, nie zajmuję się pokątną reklamą :)
    Przy okazji- mam na "rozkładzie" bardzo precyzyjną suwnicę montażową dla segmentów synchrotronu w Narodowym Centrum Promieniowania Synchrotronowego "SOLARIS" UJ, gdzie w podobnym układzie napędowym pracuje OSIEM silniczków :P
    Zapraszam na wirtualny spacer :)
    https://synchrotron.wkraj.pl/html5/index.php?id=74276&lng=PL#74128/41,2



    "Moja" zabawka jest niespecjalnie widoczna w 4:28 (takie długie, żółte, pod sufitem :D)
    Przy okazji polecam wątek naszego przyjaciela @androot , znającego ten instytut dokładnie
    https://www.elektroda.pl/rtvforum/viewtopic.php?t=3937795&highlight=

    V.

Podsumowanie tematu

Dyskusja dotyczy zastosowania wyłączników silnikowych za falownikiem, w kontekście ich wpływu na bezpieczeństwo i funkcjonowanie falowników, takich jak model AC310 od ABB. Uczestnicy wymieniają różne doświadczenia i opinie, wskazując, że nagłe odłączenie silnika podczas pracy na falowniku może prowadzić do uszkodzenia, w tym zniszczenia mostka IGBT. Wskazują również na konieczność stosowania odpowiednich zabezpieczeń, takich jak przekaźniki termiczne, oraz na praktyki inżynierskie w projektowaniu układów z falownikami. Wiele osób podkreśla, że dodatkowe zabezpieczenia silników za falownikiem są rzadko stosowane, ale w niektórych aplikacjach, takich jak hydrofornie, mogą być wymagane.
Podsumowanie wygenerowane przez model językowy.
REKLAMA