logo elektroda
logo elektroda
X
logo elektroda
REKLAMA
REKLAMA
Adblock/uBlockOrigin/AdGuard mogą powodować znikanie niektórych postów z powodu nowej reguły.

[Rozwiązano] Renault Clio 3 1.2 16V: Nie odpala po wymianie komputera SIM32 - poszukiwany pinout sterownika

lowicz112 23 Wrz 2023 22:37 1653 12
REKLAMA
  • #1 20744751
    lowicz112
    Poziom 10  
    Witam mam problem z renault Clio 3 1.2 16v
    A mianowicie był zasiedziały komputer w środku sim32 auto nie odpalało, zamówiłem drugi komputer przyszedł z odcięta wiązka i fajnie, zrobiony klon starego kompa podłączony auto nie odpala świeci się błąd elektroniki, przelutowane całe kostki od kompa i nic dalej to samo wymieniony moduł ucp pod maską na jakiś inny z renault i to samo poma chodzi na plaku pali ale po zaprzestaniu podawania płakał gaśnie, błędy w kompie zasilanie kompa 8v oraz z brakiem zasilania na osprzęt silnika jak by komputer nie dostawał zasilania

    Czy ktoś ma opis kabli które są od zasilania bo niby znalazłem pinout kompa pokazuje że są tam 2 kable z + 12v i niby zasilanie jest na nich a gdzieś ginie po drodze

    Podmienialem również uch z immo i kluczami i nic to samo

    Po woli kończą mi się pomysły jeszcze muszę sprawdzić zasilanie na wtryski bo mogły wtryski paść ale wątpię bo oznak żadnych nie było auto zgaszone po jeździe i na drugi dzień już kaplica.

    Jak ktoś może coś doradzić albo podesłać prawidłowy pinout sterownika

    lowicz112(_at_)wp.pl
  • REKLAMA
  • Pomocny post
    #2 20744757
    polonez15
    Poziom 33  
    Błędy? Parametry przy kręceniu?
  • REKLAMA
  • #3 20744758
    lowicz112
    Poziom 10  
    Czujnika wału oczywiście też założony nowy

    Dodano po 3 [minuty]:

    Renault Clio 3 1.2 16V: Nie odpala po wymianie komputera SIM32 - poszukiwany pinout sterownika

    Dodano po 43 [sekundy]:

    >>20744757
    Renault Clio 3 1.2 16V: Nie odpala po wymianie komputera SIM32 - poszukiwany pinout sterownika
  • REKLAMA
  • #4 20744763
    polonez15
    Poziom 33  
    No to widać przecież, że coś na wyjsciu na zasilaniu elementów wykonwaczych ma zwarcie. Stąd niskie napięcie zapewne.
  • REKLAMA
  • #5 20744766
    lowicz112
    Poziom 10  
    Możesz powiedzieć coś więcej bo brałem to pod uwagę po odpinane wszystkie kostki poza wtryskami błędów kupę kasowane i podpinane po kolei błędy poznikały poza tymi co widać

    Wiązka całą jest prawie rozplatanie od modułu do sterownika bo szukałem uszkodzonych kabli i nic nie znalazłem
  • #6 20744772
    polonez15
    Poziom 33  
    Trzeba znaleźć schemat i zobaczyć co jest na wspólnym zasilaniu.
  • #7 20744777
    lowicz112
    Poziom 10  
    No właśnie ale mam różne programy że schematami i nie mogę znaleźć sim32 tego co w tym renault siedzi dla tego mam problem. Różne auta ogarniam ale z tym po woli się poddaje.
    Jak by ktoś miał w miarę ogarnięty schemat to chętnie przyjmę ewentualnego za same informacje o pinoucie i pinie z zasilaniem który może powodować zżeranie prądu komputerowi. W delphim jest trochę inny opis błędów niż mam w Autelu dla tego tu nie pisze o tym zasilaniu 8v
  • #8 20744790
    polonez15
    Poziom 33  
    Jutro poszukam jak się przypomnisz.
  • #9 20744791
    lowicz112
    Poziom 10  

    Renault Clio 3 1.2 16V: Nie odpala po wymianie komputera SIM32 - poszukiwany pinout sterownika Renault Clio 3 1.2 16V: Nie odpala po wymianie komputera SIM32 - poszukiwany pinout sterownika

    Mam ten schemat i pytanie, bo tu jest pokazany jakiś przekaźnik, który może być przyczyną zwarcia w moim rozumieniu, a fizycznie w aucie go nie mogę znaleźć. Te, które znalazłem, są sprawdzone przez podmienienie na sprawne i to nic nie zmieniło.
  • Pomocny post
    #10 20745781
    grala1
    Specjalista grupy V.A.G.
    Tak czytam i nie mogę zrozumieć bardzo dużo rzeczy z twojego opowiadania.
    Może dla ciebie to nieistotne szczegóły ale dla innych to podstawa zrozumienia i co ci chodzi.

    lowicz112 napisał:
    moduł ucp pod maską na jakiś inny z renault i to samo poma chodzi na plaku pali ale po zaprzestaniu podawania płakał gaśnie, błędy w kompie zasilanie kompa 8v oraz z brakiem zasilania na osprzęt silnika jak by komputer nie dostawał zasilania


    Tego jest więcej.

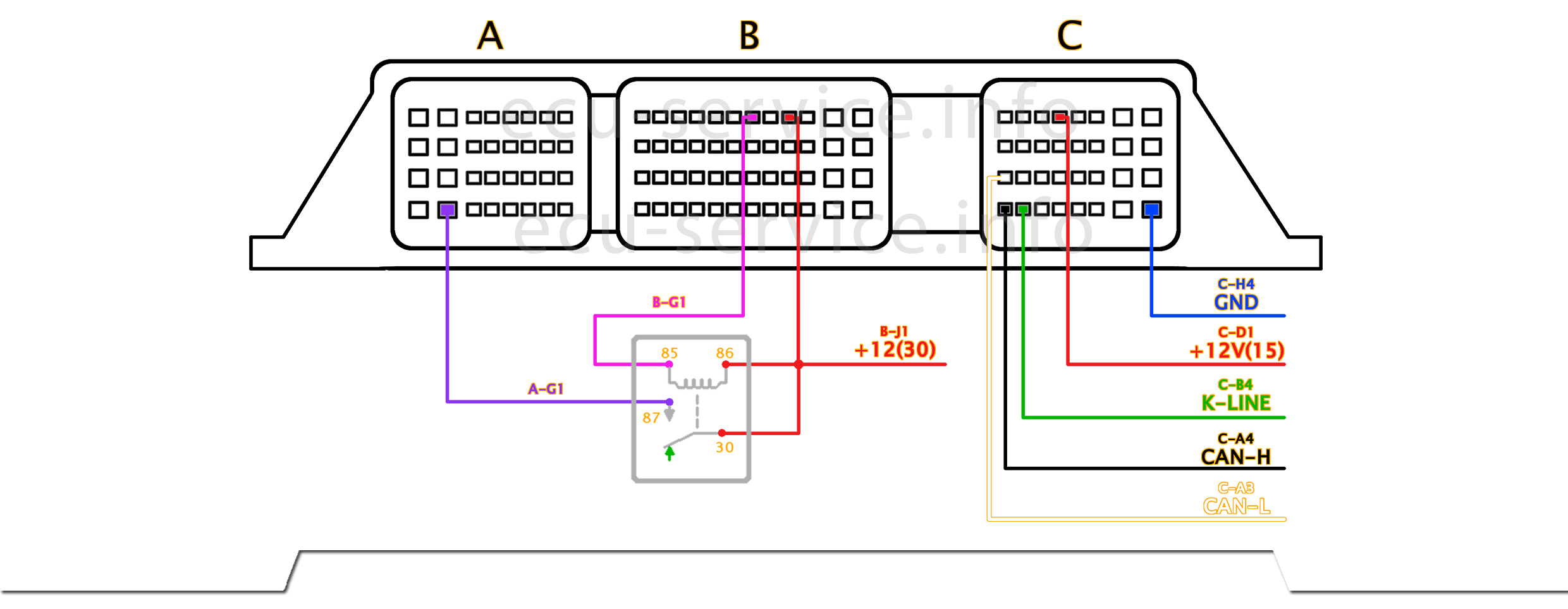
    Ten sterownik silnika nie ma tylko dwóch plusów. Sam dołączyłeś jakiś schemat z którego wynika że jest więcej niż myślisz.
    Jest stały plus na J1 brązowa wtyczka sterownika.
    Plus po stacyjce na D1 czarna wtyczka sterownika.
    Plus z przekaźnika zabezpieczającego na G1 szara wtyczka sterownika.
    Przekaźnik zabezpieczający jest w module UPC. Prawdopodobnie jest to przekaźnik nr 2 nazwany przekaźnikiem blokady wtrysku.
    Renault Clio 3 1.2 16V: Nie odpala po wymianie komputera SIM32 - poszukiwany pinout sterownika

    Wtyczka biała MN powinna zasilać sterownik silnika - pin 1 szara wtyczkę pin G1, pin 15 brązową wtyczkę pin J1.
    Wtyczka brązowa CN powinna zasilać sterownik silnika - pin 7czarną wtyczkę pin D1.
    Renault Clio 3 1.2 16V: Nie odpala po wymianie komputera SIM32 - poszukiwany pinout sterownika Renault Clio 3 1.2 16V: Nie odpala po wymianie komputera SIM32 - poszukiwany pinout sterownika

    Wpierw powinieneś zmierzyć zasilanie w tych trzech miejscach i masy. Wtedy byśmy wiedzieli czego brakuje i gdzie a tak trzeba wertować cały schemat by patrzeć skąd idzie i na co idzie zasilanie.
  • #11 20745794
    lowicz112
    Poziom 10  
    Masy pomierzone i wszystkie występują nie ma przerwanego obiegu nigdzie a pozostałe zasilania o których napisałeś jutro rano po mierzę mam nadzieję że któregoś nie będzie i jego dostarczenie usunie sprawę, chodzi z modułu kostki i kable które idą do sterownika sprawdziłem podczas przelutowywania kostek sterownika silnika. I wstępnie stwierdziłem że przejście między kostkami upc a sterownikiem jest, ale jutro po mierzę napięcia i będę miał pewność czy wszystkie występują

    Dzięki za foty wiele rozjaśniają w dalszych poszukiwaniach prądu
  • #12 20747725
    lowicz112
    Poziom 10  
    Witam sukces auto działa po części. Nie ma masy na przekaźnik nr2 po podaniu masy zewnętrznej auto odpala.

    Wtyczka brązowa CN powinna zasilać sterownik silnika - pin 7czarną wtyczkę pin D1.
    Tu nie było zasilania a tym steruje przekaźnik nr 2

    Teraz pytanie w tym module masa jest stała podawana przez piny bezpośrednio z kostki bo jak rozbierałem do lutowania UPC to właśnie płytka łącząca wszystkie masy jest. I pytanie dla czego nie ma masy na 2 przekaźnik piny wyczyszczone i nic a po podaniu zewnętrznej masy przekaźnik jest ciągle zadziałałany tak jak by przekaźniki były sterowane masa w tym module

    Dodano po 33 [minuty]:


    Biały kabel masowy idący od komputera do kostki MN białej do 5 pinu na wysokości akumulatora był przegnity w środku po jego połączeniu już wszystko działa prawidłowo masy wróciły

    Renault Clio 3 1.2 16V: Nie odpala po wymianie komputera SIM32 - poszukiwany pinout sterownika



    Renault Clio 3 1.2 16V: Nie odpala po wymianie komputera SIM32 - poszukiwany pinout sterownika


    Renault Clio 3 1.2 16V: Nie odpala po wymianie komputera SIM32 - poszukiwany pinout sterownika


    Renault Clio 3 1.2 16V: Nie odpala po wymianie komputera SIM32 - poszukiwany pinout sterownika
  • #13 20747772
    lowicz112
    Poziom 10  
    Usterka usunięta przegnity przewód masowy sterujący przekaźnikiem nr 2 w UPC od zasilania komputera silnika

Podsumowanie tematu

Użytkownik ma problem z Renault Clio 3 1.2 16V, który nie odpala po wymianie komputera SIM32. Po podłączeniu nowego komputera, który był klonem starego, auto nadal nie działa, a na desce rozdzielczej świeci się błąd elektroniki. Użytkownik wymienił moduł UCP, sprawdził zasilanie oraz przelutował kostki, ale problem nadal występuje. W trakcie dyskusji pojawiły się sugestie dotyczące sprawdzenia schematów zasilania oraz przekaźników. Ostatecznie, po zidentyfikowaniu przegnitego przewodu masowego sterującego przekaźnikiem nr 2 w module UPC, problem został rozwiązany, a auto zaczęło działać.
Podsumowanie wygenerowane przez model językowy.
REKLAMA