logo elektroda
logo elektroda
X
logo elektroda
REKLAMA
REKLAMA
Adblock/uBlockOrigin/AdGuard mogą powodować znikanie niektórych postów z powodu nowej reguły.

Peugeot 607 '01: Brak komunikacji z nawigacją, błąd wyświetlacza, zwarcie przycisku

mati_1107 05 Paź 2023 13:50 549 3
REKLAMA
  • #1 20759307
    mati_1107
    Poziom 14  
    Witam.
    PUG 607 01r nie zapala się wyświetlacz nawigacji, a ze sterownikiem nawigacji brak komunikacji. Bezpiecznik f19 ok. zasilanie na wtyczce żółtej 26pin 11-stały+, 25 po zapłonie i 12 masa. Może ma ktoś kawałek schematu? bo z mojego wynika że zasilanie na pinie 9 i masa na 10 co w ogóle się nie zgadza.
    We wyświetlaczu błąd: przycisk powtórzenia ostatniego komunikatu nawigacji, zwarcie, od ponad 1 min.
    sterownik od navi i wyświetlacz 2 kupiony i to samo.
    brak komunikacji także z telefonem.
    Proszę o jakieś wskazówki
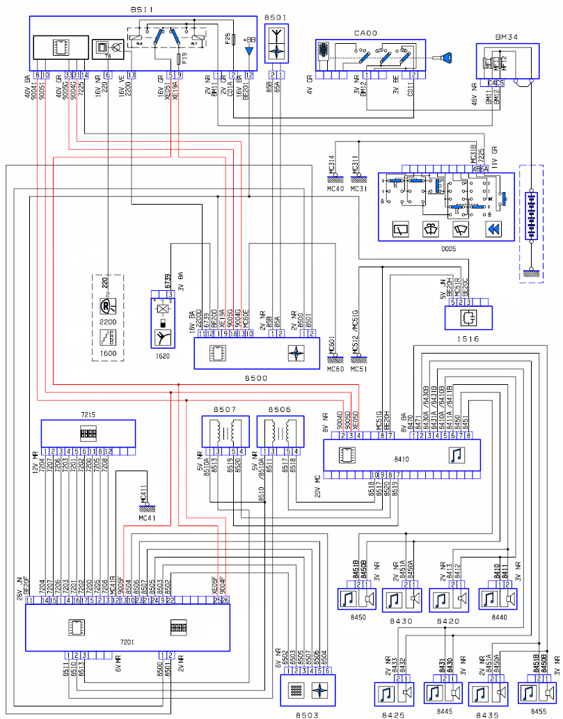
    Peugeot 607 '01: Brak komunikacji z nawigacją, błąd wyświetlacza, zwarcie przycisku11.JPG Download (174.62 kB) Peugeot 607 '01: Brak komunikacji z nawigacją, błąd wyświetlacza, zwarcie przycisku12.jpg Download (125.24 kB) Peugeot 607 '01: Brak komunikacji z nawigacją, błąd wyświetlacza, zwarcie przycisku13.jpg Download (125.66 kB) Peugeot 607 '01: Brak komunikacji z nawigacją, błąd wyświetlacza, zwarcie przycisku14.jpg Download (185.37 kB) Peugeot 607 '01: Brak komunikacji z nawigacją, błąd wyświetlacza, zwarcie przycisku15.jpg Download (194.3 kB)
  • REKLAMA
  • #2 20774906
    artur.heise
    Poziom 27  
    Peugeot 607 '01: Brak komunikacji z nawigacją, błąd wyświetlacza, zwarcie przycisku
  • REKLAMA
  • #3 20774908
    mati_1107
    Poziom 14  
    Tak to ten sam schemat
  • #4 20774912
    artur.heise
    Poziom 27  
    mati_1107 napisał:
    Tak to ten sam schemat


    Niezupełnie- Ty wkleiłeś ten:

    Peugeot 607 '01: Brak komunikacji z nawigacją, błąd wyświetlacza, zwarcie przycisku

    Szynę danych podłączyłeś? Bez tego się nie obudzi.

    Peugeot 607 '01: Brak komunikacji z nawigacją, błąd wyświetlacza, zwarcie przycisku

    mati_1107 napisał:
    zasilanie na wtyczce żółtej 26pin 11-stały+, 25 po zapłonie i 12 masa. Może ma ktoś kawałek schematu? bo z mojego wynika że zasilanie na pinie 9 i masa na 10 co w ogóle się nie zgadza.


    Zgadza się, tylko nie to urządzenie sprawdzasz na schemacie. :) Urządzenie na Twoim zdjęciu to sterownik ekranu.

    7201 : sterownik wyświetlacza kolorowego
    8410 : radioodtwarzacz
    8500 : kalkulator nawigacji
REKLAMA