logo elektroda
logo elektroda
X
logo elektroda
Adblock/uBlockOrigin/AdGuard mogą powodować znikanie niektórych postów z powodu nowej reguły.

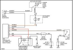
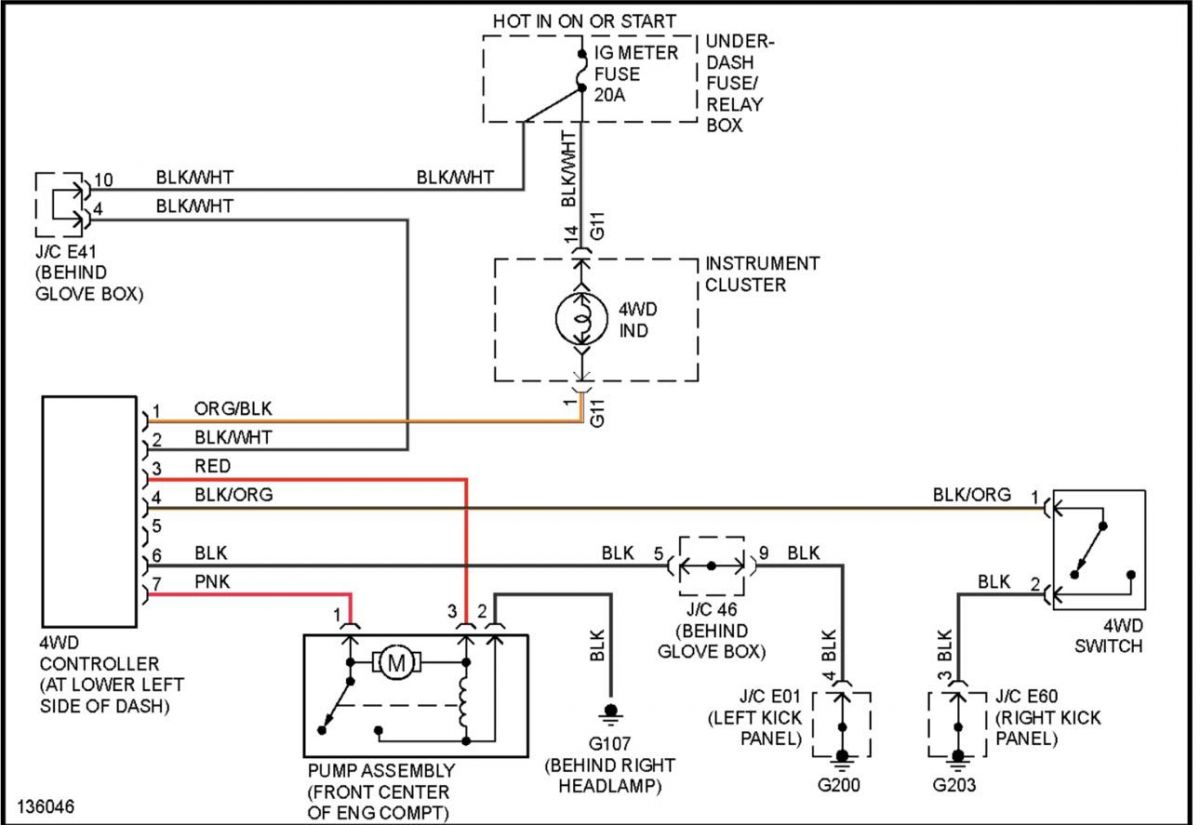
Suzuki Grand Vitara 2,5v6 1999r Nie mam połączenia reduktor-pompka łącząca przedni napęd.

andrzejolesik1 09 Paź 2023 21:49 264 1
  • #1 20764794
    andrzejolesik1
    Poziom 1  
    Potrzebuję schematu Suzuki Grand Vitara 2,5v6 1999r podłączenia przewodu od bezpiecznika do czujnika reduktora do pompki łączącej przedni napęd.

    Poprawiłem tytuł postu.
    Mod.[CameR]
REKLAMA