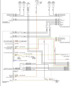
Witam. W moim aucie po zmianie radia jest słaby sygnał anteny, zanikają stacje itp. Chciałbym się dowiedzieć (bo znalazłem schemat), od czego jest biały kabel (A5 output antenna), bo przy tym radiu jest niepodłączony. Idzie on do modułu anten. Myślę, że może ten kabel odpowiadać za wzbudzenie tego modułu? I przez to, że jest niepodłączony, mam słaby sygnał?
Witam. W moim aucie po zmianie radia jest słaby sygnał anteny, zanikają stacje itp. Chciałbym się dowiedzieć (bo znalazłem schemat), od czego jest biały kabel (A5 output antenna), bo przy tym radiu jest niepodłączony. Idzie on do modułu anten. Myślę, że może ten kabel odpowiadać za wzbudzenie tego modułu? I przez to, że jest niepodłączony, mam słaby sygnał?
