logo elektroda
logo elektroda
X
logo elektroda
REKLAMA
REKLAMA
Adblock/uBlockOrigin/AdGuard mogą powodować znikanie niektórych postów z powodu nowej reguły.

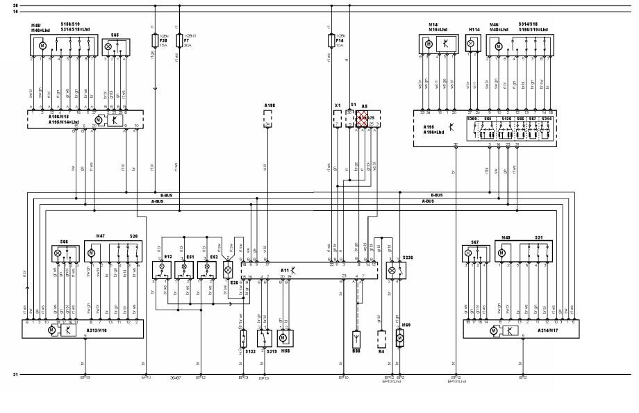
Śledzenie kabla od bezpiecznika 38 w Passacie B5 1.9 TDI 90KM 1999r - czerwono-żółty kabel

marszałekkom 25 Paź 2023 19:13 108 2
REKLAMA
  • #1 20785333
    marszałekkom
    Poziom 30  
    Witam.
    Dokąd leci kabel wychodzący z bezpiecznika 38 skrzynki obok kierowcy w Passacie B5 1999 r. 1.9 TDI 90 koni? Kabel jest czerwono-żółty. Nie chodzi mi dokąd leci na schemacie, tylko fizycznie gdzie mogę znaleźć jakiś jego koniec, albo rozgałęzienie. Coś kradnie prąd tym kablem, wiem że bezpiecznik odpowiada za centralny zamek, ale odłączenie wszystkich wtyczek zamków nic nie daje. Kabel znika pod deską i sprawdzanie go na piechotę zajmie trochę czasu i pracy.
  • REKLAMA
  • #2 20785421
    milejow
    Poziom 43  
    Zaraz za skrzynką zmienia kolor na czerwono/niebieski, to zasilanie modułów w drzwiach i komfortu w podłodze.
    Śledzenie kabla od bezpiecznika 38 w Passacie B5 1.9 TDI 90KM 1999r - czerwono-żółty kabel
  • #3 20785532
    Ireneo
    Poziom 42  
    Zobacz błędy, często to pomaga w diagnozie poboru prądu.
REKLAMA