logo elektroda
logo elektroda
X
logo elektroda
REKLAMA
REKLAMA
Adblock/uBlockOrigin/AdGuard mogą powodować znikanie niektórych postów z powodu nowej reguły.

VW Golf 3 1.6 1996 - Potrzebny opis pinów przełącznika szyb

krzysztofpierskalla 29 Paź 2023 21:42 159 1
REKLAMA
  • #1 20791400
    krzysztofpierskalla
    Poziom 2  
    Witam, poszukuję rozpiski pinów do dwóch przełączników szyby prawej przedniej.

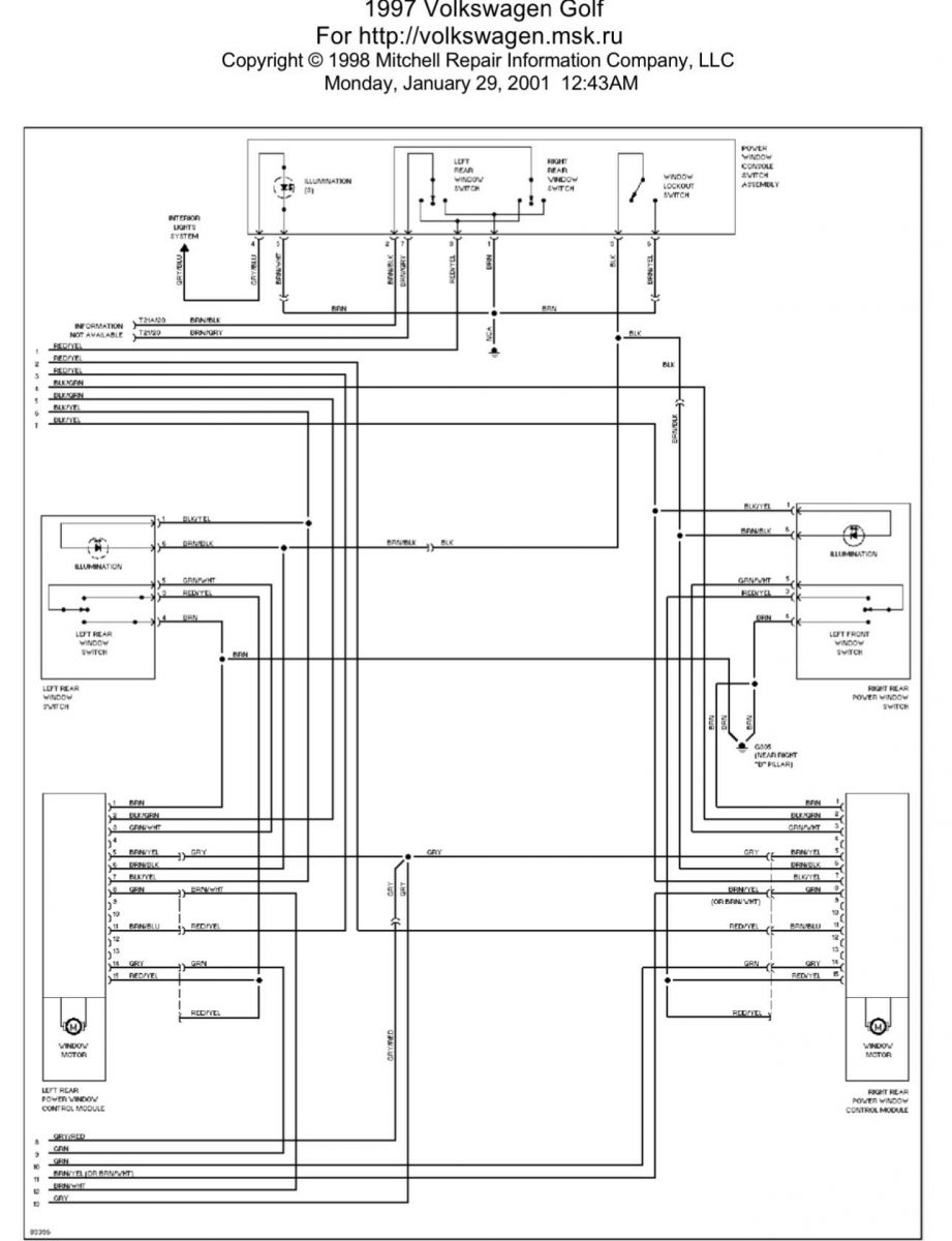
    VW Golf 3 1.6 1996 - Potrzebny opis pinów przełącznika szyb VW Golf 3 1.6 1996 - Potrzebny opis pinów przełącznika szyb VW Golf 3 1.6 1996 - Potrzebny opis pinów przełącznika szyb VW Golf 3 1.6 1996 - Potrzebny opis pinów przełącznika szyb

    Poszukuję także wtyczkę pasującą do przełącznika 1 H0 959 855 C, mam przełącznik brakuje mi wtyczki, żeby połączyć wiązkę.
  • REKLAMA
REKLAMA