logo elektroda
logo elektroda
X
logo elektroda
Adblock/uBlockOrigin/AdGuard mogą powodować znikanie niektórych postów z powodu nowej reguły.

[Rozwiązano] Witam. Gdzie mogę taki dostać lub jego zamiennik? DD 110W: KS 0611

wiktorjonasz55 05 Lis 2023 19:06 417 14
  • #1 20801169
    wiktorjonasz55
    Poziom 3  
    Eer3435 poszukuję taki transformator
  • #2 20801221
    sosarek

    Poziom 43  
    Podasz porządnie model tego czego poszukujesz, załączysz jakieś zdjecia, napiszesz w czym pracował itd.?
    Pomogłem? Kup mi kawę.
  • #3 20801358
    wiktorjonasz55
    Poziom 3  
    Jest to zasilacz Mini wieży LG XA102
    Symbole spisałem jakie są na nim
    A problem polega na tym że na wtórnym nie ma żadnego napięcia
    Witam. Gdzie mogę taki dostać lub jego zamiennik? DD 110W: KS 0611
    Witam. Gdzie mogę taki dostać lub jego zamiennik? DD 110W: KS 0611
  • #4 20805750
    Agentlos
    Poziom 25  
    Oryginalne trafko moim zdaniem raczej nie do dostania, zapewne robione na zamówienie przez producenta.
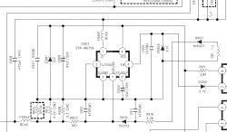
    Z service manuala urządzenia można zobaczyć jak rozłożone są uzwojenia:
    Witam. Gdzie mogę taki dostać lub jego zamiennik? DD 110W: KS 0611
    Rzut od dołu PCB:
    Witam. Gdzie mogę taki dostać lub jego zamiennik? DD 110W: KS 0611
    Pierwotne nawijane 2-ma drutami plus uzwojenie pomiarowe. Wtórne nawijane 3ma drutami. Sprobuj pomierzyć czy nie ma przebicia pomiędzy uzwojeniami i czy mają ciągłość.
  • #5 20807166
    wiktorjonasz55
    Poziom 3  
    Trafi jednak jest dobre.
    Problem jest prawdopodobnie po stronie pierwotnej. Na zaciskach 7 i 8 to uzwojenie chyba powino sterować tym transformatorem i zamieniać prąd stały na przemienny.
    Ale nie wiem czy napewno dobrze myślę?
  • #6 20807349
    Agentlos
    Poziom 25  
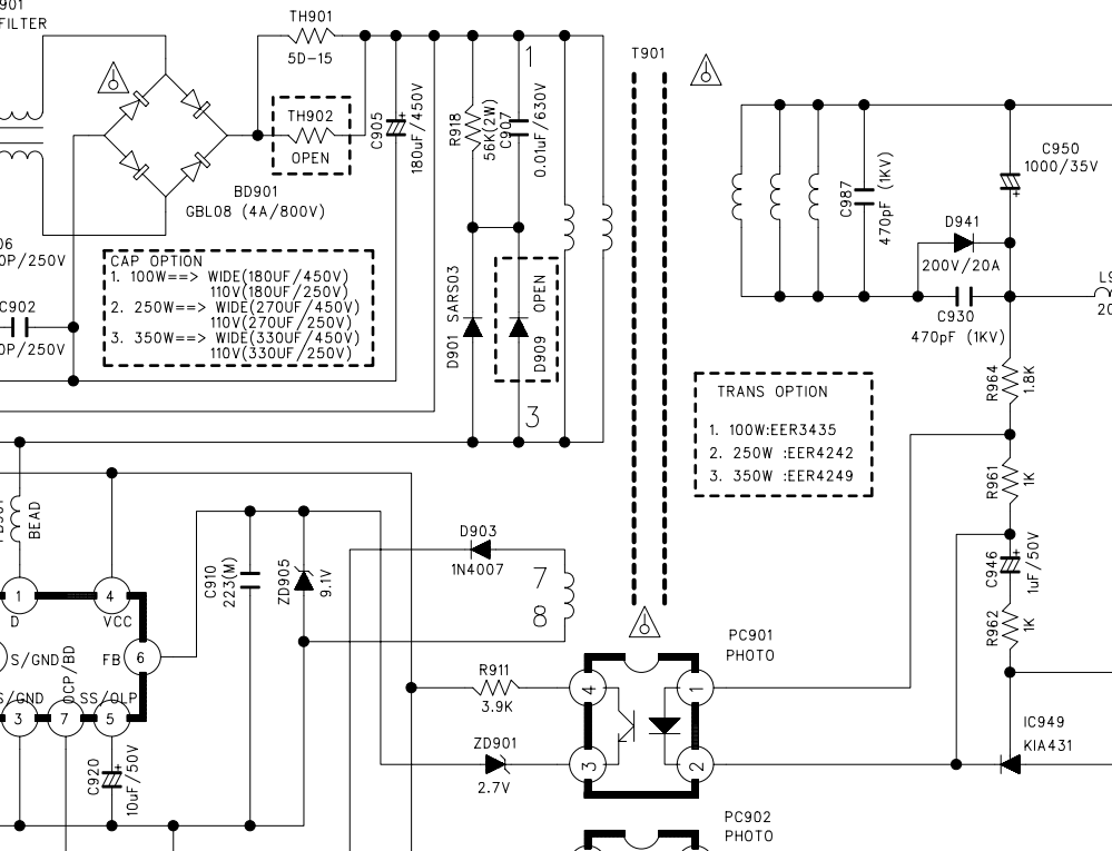
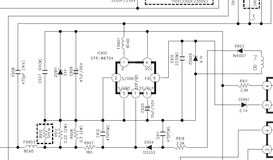
    Całą robotę w tym układzie robi IC901 (QuasiResonant Flyback Switching Regulator). Czy bezpiecznik w urządzeniu się uszkodził czy przestało po prostu działać? Jeśli transformator jest sprawny, sprawdziłym czy rezystor R912 (0.22R) nie jest uszkodzony (przerwa lub bardzo duża rezystancja). Jeśli jest to najpewniej sam IC901 także będzie miał uszkodzony wbydowany tranzystor przełączający.
    Witam. Gdzie mogę taki dostać lub jego zamiennik? DD 110W: KS 0611
  • #7 20810218
    wiktorjonasz55
    Poziom 3  
    Wymieniłem IC901 i opornik bo faktycznie miał przerwę.
    Ale nadal transoptor na diodę nie dostaje napięcia
  • #8 20810606
    Agentlos
    Poziom 25  
    Równolegle do R912 jest R908 (0,3R). Prawdopodobnie oba mogły się uszkodzić. Sprawdz także R907 na wejściu OCP IC901 oraz inne rezystory i diody wokół scalaka.
    Witam. Gdzie mogę taki dostać lub jego zamiennik? DD 110W: KS 0611
  • #9 20810705
    wiktorjonasz55
    Poziom 3  
    A zenerka DZ911 to jest na 33v czy na3.3v?
    Ją miałem zwartą i wymieniłem na 30v taką miałem pod ręką.
    Czy to to może stanowić problem?
  • #10 20810778
    Agentlos
    Poziom 25  
    DZ911 jest na 33V. STR-W6754 ma ABSOLUTE MAXIMUM RATINGS dla Control Supply Voltage, VCC . . . . 35 V także na 30V będzie w porządku.
    Jakie masz napiecie na nodze numer 4 układu?

    Jeśli przebiło zenerkę to mógł tam wystąpić dość duży skok napięcia.
    Powinieneś sprawdzić wszystkie elementy na tej gałęzi:
    Witam. Gdzie mogę taki dostać lub jego zamiennik? DD 110W: KS 0611
    I dalej w dół takie elementu jak Q904, oba optoizolatory i rezystory w ich obwodach.
    Dodatkowo przyjżałby się też IC902. Mógł także polec.
    Szczegóły co i jak znajdziesz na schemacie.
  • #11 20816451
    wiktorjonasz55
    Poziom 3  
    A może się orientujesz, w jakim jeszcze modelu wieży może występować ten zasilacz z LG XA102?
    Z LG XA42 jest trochę inny.
  • #12 20817104
    Agentlos
    Poziom 25  
    Cieżko powiedzieć, z tego co widzę na szybko w google przyjżyj się LG LM U1060, LMS U1060, LM U1360A, lm u360x i innym króre mają zasilacz z serii LM/X-k7960 (jednakże płyta może być ta sama ale obsada inna ze względu na osobnicze funkcje).
  • #13 20819093
    wiktorjonasz55
    Poziom 3  

    A może wiesz, jakie napięcia powinny być na tym IC901?
    Bo u mnie tylko przychodzi na nóżkę pierwszą 312V i nic poza tym nie wychodzi. Już sprawdziłem prawie wszystko i nic nie wykminiłem. Nie wiem, czy to trafo ma po stronie pierwotnej odczepy, bo może ja źle myślę.
  • #14 20819876
    Agentlos
    Poziom 25  
    W instrukcji serwisowej masz podana procedurę testową - czy to wszystko sprawdziłeś?.
    Dla pewności podaje ją poniżej:
    Witam. Gdzie mogę taki dostać lub jego zamiennik? DD 110W: KS 0611
    Cytat:
    Nie wiem, czy to trafo ma po stronie pierwotnej odczepy,

    Nie rozumiem co masz na myśli. Według schematu transformator w tej częsci przetwornicy ma 2 uzwojenia po stronie pierwotnej i jedno na wtórej.

    Jeśli uważasz że pomierzyłeś wszystko wokół IC901, skup się na IC902. To ta przetwornica powinna w pierwszej kolejności ruszyć, tworzy 3V3 oraz 5V. Jeśli ona nie ruszy, nie otworzy się tranzystor Q904 kluczowany PC902 i IC901 nie będzie miał zasilania na nodze 4.
  • #15 20916372
    wiktorjonasz55
    Poziom 3  
    Nigdzie nie dostałem i temat dołożyłem na potem

Podsumowanie tematu

Użytkownik poszukuje transformatora DD 110W: KS 0611, który był używany w zasilaczu mini wieży LG XA102. W trakcie dyskusji pojawiły się sugestie dotyczące problemów z napięciem na wtórnym uzwojeniu transformatora oraz możliwych uszkodzeń elementów, takich jak IC901 (QuasiResonant Flyback Switching Regulator) i rezystory. Użytkownik wymienił IC901 oraz rezystor R912, ale nadal występują problemy z napięciem na transoptorze. Wskazano również na inne modele wież LG, które mogą mieć podobne zasilacze, oraz na konieczność sprawdzenia napięć na nogach IC901 i IC902.
Podsumowanie wygenerowane przez model językowy.
REKLAMA