logo elektroda
logo elektroda
X
logo elektroda
REKLAMA
REKLAMA
Adblock/uBlockOrigin/AdGuard mogą powodować znikanie niektórych postów z powodu nowej reguły.

Peugeot 307sw 2004 - Podłączenie nawigacji rt3gsm, uszkodzona wtyczka 12 pinów

rmfbielawa 15 Lis 2023 18:50 132 1
REKLAMA
  • #1 20816786
    rmfbielawa
    Poziom 1  
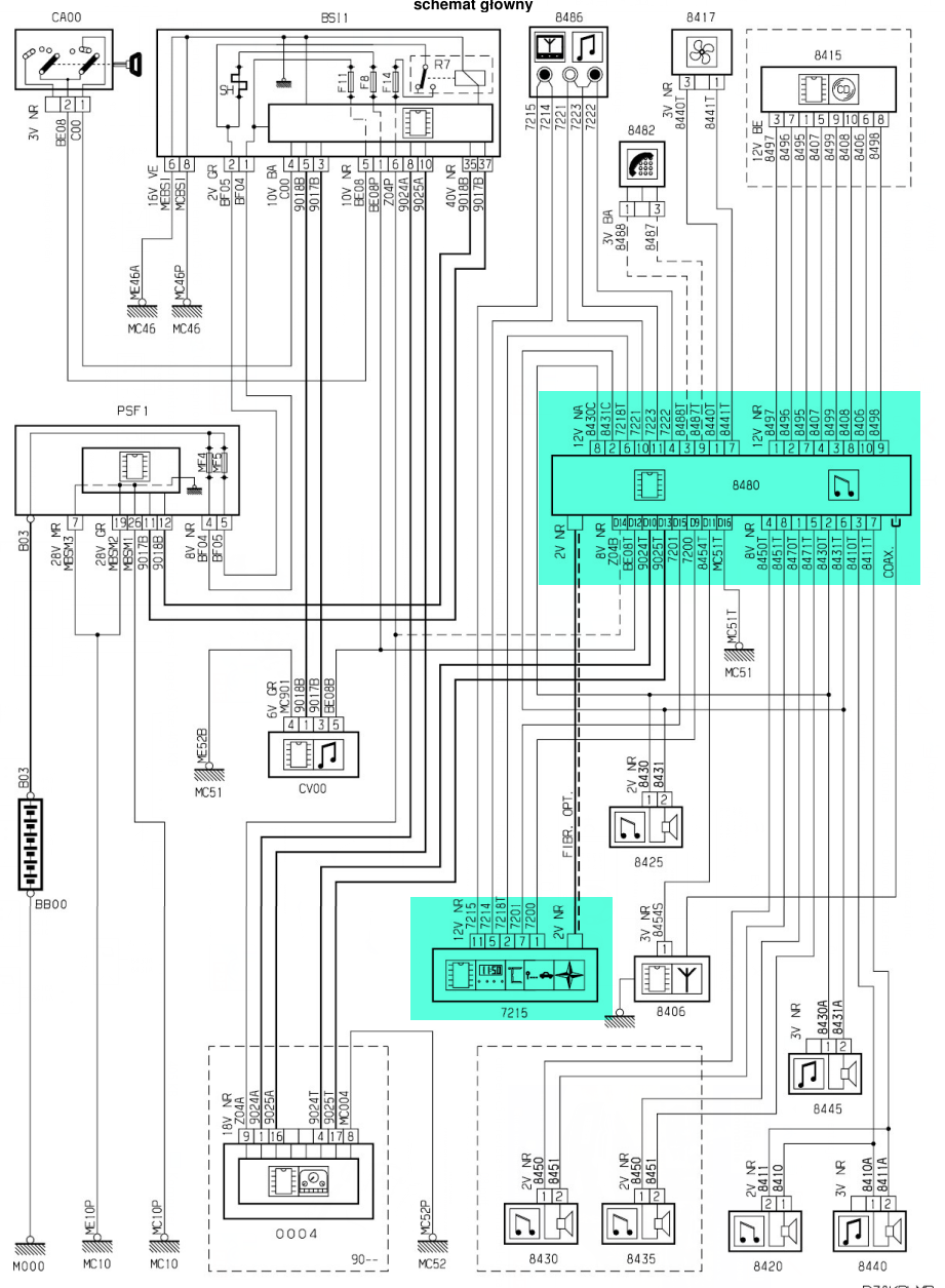
    Witam. Posiadam peugeota 307sw z 2004 roku i mam problem z elektroniką, konkretnie nawigacja. Samochód posiada, a właściwie posiadał fabryczna nawigacje rt3gsm, ale z jakiegoś powodu ktoś ją zdemontował, próbuje podłączyć ja spowrotem, ale wtyczka do wyświetlacza ta na 12 pinów jest uszkodzona, a konkretnie wyrwana i zostały mi same kable które nie wiem jak podpiąć, tzn który kabel pod który pin. Byłbym wdzięczny gdyby ktoś z forumowiczów znalazł chwilę i zajrzał w swoim samochodzie jak te kabelki są podpięte, bo nigdzie nie potrafię znaleźć żadnych informacji na ten temat. Z góry dziękuję
  • REKLAMA
  • #2 20819924
    artur.heise
    Poziom 27  
    Peugeot 307sw 2004 - Podłączenie nawigacji rt3gsm, uszkodzona wtyczka 12 pinów

    Peugeot 307sw 2004 - Podłączenie nawigacji rt3gsm, uszkodzona wtyczka 12 pinów

    7215 - wyświetlacz
    8480 - RT3
REKLAMA