logo elektroda
logo elektroda
X
logo elektroda
Adblock/uBlockOrigin/AdGuard mogą powodować znikanie niektórych postów z powodu nowej reguły.

[Zlecę] Wykonanie małej płytki PCB według dostarczonego schematu, elementy przewlekane

marian1981.02 28 Lis 2023 10:13 633 6
  • #1 20836772
    marian1981.02
    Spec od sprzętu Unitra
    Witam
    Podjąłby się ktoś zaprojektowania i wykonania prostej płytki w rozsądnej cenie?
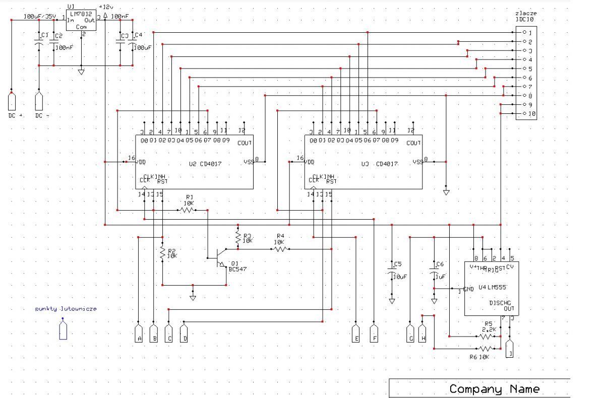
    Płytka według poniższego schematu bez opisów, wymiar mało istotny (ale czym mniejsza tym lepiej), elementy przewlekane.

    [Zlecę] Wykonanie małej płytki PCB według dostarczonego schematu, elementy przewlekane
  • #2 20836926
    simon71
    Poziom 20  
    A ten schemat jest poprawny? Bo połączone razem wyjścia układów 4017 nie wyglądają za dobrze.
  • #3 20838222
    FastProject
    Poziom 28  
    marian1981.02 napisał:
    Podjąłby się ktoś zaprojektowania i wykonania prostej płytki w rozsądnej cenie?

    A jaka to rozsądna cena? MIN MAX? Schemat Twój czy ściągnięty z internetów? Sprawdzony? Działajacy?
  • #4 20838765
    jvoytech
    Poziom 21  
    FastProject napisał:
    Schemat Twój czy ściągnięty z internetu? Sprawdzony? Działający?

    Jak poprawiłeś pozwierałeś wyjścia układów CMOS to nie ma szans, żeby to działało.
  • #6 20850809
    jvoytech
    Poziom 21  
    marian1981.02 napisał:
    Kolega, user
    https://www.elektroda.pl/rtvforum/uzytkownik3734379.html
    zaprojektował mi płytkę, za co mu serdecznie dziękuję.


    To fajnie, ale martwi nas pozwierane wyjścia układów CD4017. Wyjścia Q0-Q9 to para tranzystorów PMOS/NMOS, która zwiera wyjście do masy jak jest stan niski albo do VCC jak jest stan wysoki. Układ zrobiony według tego schematu nie ma prawa działać, po pierwszym podłączeniu uszkodzą się porty wyjściowe.
  • #7 20851106
    marian1981.02
    Spec od sprzętu Unitra
    Proszę się nie martwić. Schemat został poprawiony, dołożyłem diody.
REKLAMA