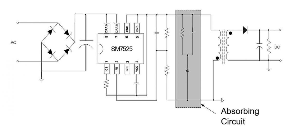
Typowo edukacyjnie rozebrałem sobie żarówkę LED. Znajduje się tam układ scalony SM7525, mostek Graetza i transformatorek.
Czy potrafi mi ktoś z grubsza wyjaśnić zasadę działania scalaka SM7525? Nota katalogowa nie rozjaśniła mi nic. Jak to działa, że transformator jest za mostkiem i scalakiem...
Dodaję link do noty http://s7detali.narod.ru/Other/Led_driver/SM7525.pdf
Czy potrafi mi ktoś z grubsza wyjaśnić zasadę działania scalaka SM7525? Nota katalogowa nie rozjaśniła mi nic. Jak to działa, że transformator jest za mostkiem i scalakiem...
Dodaję link do noty http://s7detali.narod.ru/Other/Led_driver/SM7525.pdf
