logo elektroda
logo elektroda
X
logo elektroda
REKLAMA
REKLAMA
Adblock/uBlockOrigin/AdGuard mogą powodować znikanie niektórych postów z powodu nowej reguły.

Podłączenie i sprawdzenie licznika zegarów Peugeot 308 T7 2009 - jak odczytać przebieg?

hennoh 30 Lis 2023 20:58 522 3
REKLAMA
  • #1 20840669
    hennoh
    Poziom 10  
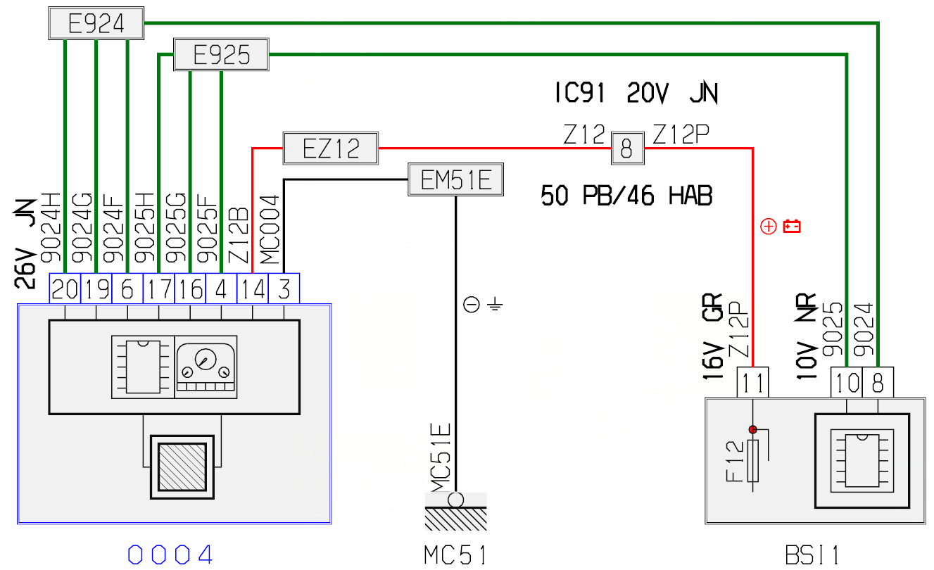
    Mam taki licznik chciałabym go podłączyć na "krótko" aby sprawdzić czy działa oraz wyświetlić zapisany przebieg. Na obudowie ma niby 195270 ale nie ma pewności czy to km i nie chce sobie wgrać wyższego przebiegu przypadkiem.
    Jakiś patent jak znaleźć Plus Minus ...?
    Podłączenie i sprawdzenie licznika zegarów Peugeot 308 T7 2009 - jak odczytać przebieg? Podłączenie i sprawdzenie licznika zegarów Peugeot 308 T7 2009 - jak odczytać przebieg? Podłączenie i sprawdzenie licznika zegarów Peugeot 308 T7 2009 - jak odczytać przebieg?
  • REKLAMA
  • Pomocny post
    #2 20841199
    artur.heise
    Poziom 27  
    hennoh napisał:
    Jakiś patent jak znaleźć Plus Minus ...?


    Plus i minus to bez problemu, ale nie wiem czy bez CAN w ogóle się obudzi.

    Podłączenie i sprawdzenie licznika zegarów Peugeot 308 T7 2009 - jak odczytać przebieg?
  • REKLAMA
  • #3 21005762
    krzys315
    Poziom 9  
    Także mam pytanie dotyczące tych zegarów.
    Chciałbym zmienić obecne zegary (ciemne) na białe i czy wystarczy tylko przylutowac eeproma z nowych do starych?
    Mam diagboxa więc dokonam konfiguracji w bsi co do zmiany tyłu wyświetlacza itp
  • #4 21005977
    melaswlkp
    Poziom 10  

    Jeśli będzie ta sama płyta i ten sam EEPROM to tak
REKLAMA