logo elektroda
logo elektroda
X
logo elektroda
REKLAMA
REKLAMA
Adblock/uBlockOrigin/AdGuard mogą powodować znikanie niektórych postów z powodu nowej reguły.

Fiat Tipo - Centralny zamek bluetooth

tomek34465 06 Gru 2023 04:48 591 13
REKLAMA
  • #1 20848547
    tomek34465
    Poziom 8  

    Witam, chcę podłączyć sterownik Bluetooth do zamka centralnego w Fiacie Tipo 2017r.
    Mój problem polega na tym, że sterownik pracuje i odpowiednio sygnalizuje to diodą, lecz nie zamyka ani nie otwiera drzwi.

    Przewód żółty, żółto-czarny oraz czarny podłączyłem razem do śruby, na której znalazłem masę.
    Przewód biały podłączyłem do pinu nr 1 wtyczki "E", a biało-czarny do pinu nr 3 wtyczki "E".
    Przewód czerwony podłączyłem do wolnego konektora męskiego, który znalazłem między bezpiecznikami.

    Wstawiam zdjęcie schematu centralnego zamka oraz sterownika, który chcę, aby zaczął działać. Bardzo proszę o pomoc oraz wytłumaczenie, co robię źle.
    Pozdrawiam. :)

    Fiat Tipo - Centralny zamek bluetoothFiat Tipo - Centralny zamek bluetooth
  • REKLAMA
  • Pomocny post
    #2 20848551
    piotrekwoj1
    Poziom 42  
    W sterowniku bluetooth wybierasz sterowanie "-" a sterowniku zamka tam gdzie chcesz się podłączyć masz sterowanie siłownikiem. Jeśli chcesz się podłączyć tak jak piszesz do pinu 1 i 3 to musisz wybrać sterowanie siłownikiem ale musisz wtedy sprawdzić na którym pinie 1 czy 3 pojawia się + a na którym - podczas zamykania żeby nie doszło do zwarcia bo ten układ działa na zasadzie zmiany polaryzacji. Raz na pinie 1 masz plus powiedzmy podczas otwierania to wtedy na 3 masz minus i odwrotnie podczas zamykania na 1 minus na 3 plus.
  • REKLAMA
  • #3 20848574
    tomek34465
    Poziom 8  

    piotrekwoj1 napisał:
    Musisz wtedy sprawdzić, na którym pinie 1 czy 3 pojawia się +, a na którym - podczas zamykania, żeby nie doszło do zwarcia.

    Dziękuję. Jeszcze jedna zagadka, która mi się nasunęła, gdy napisałeś o tym. Załóżmy, że podczas zamykania + pojawia się na pinie 1. Wtedy mam do niego podłączyć przewód biały, czy biało-czarny?
  • REKLAMA
  • Pomocny post
    #4 20848581
    piotrekwoj1
    Poziom 42  
    Sprawdź tak samo jak to sprawdzisz w aucie przed podłączeniem do samochodu.
  • #5 20848636
    karwo
    Poziom 30  
    A nie prościej centralką emulować przycisk w H090?
    Czy w H090 przycisk z kłódeczka rygluje/odrygluje zamki jak nie ma kluczyka w stacyjce?
    Czy oryginalna centralka na złączu E wystawia masę w stanie spoczynku na którymś pinie? Jeśli tak to będzie zonk z sterowaniem bezpośrednim silniczków w zamkach.
  • #6 20848653
    piotrekwoj1
    Poziom 42  
    Centralką można by emulować przycisk ale trzeba by odpowiednio podłączyć bo jak widać otwieranie i zamykanie jest na tym samym pinie więc ciężko by uzyskać sterowanie z dwóch guzików pilota.
  • #8 20848829
    CameR

    Moderator Zabezpieczeń Pojazdów
    karwo napisał:
    Czy oryginalna centralka na złączu E wystawia masę w stanie spoczynku na którymś pinie? Jeśli tak to będzie zonk z sterowaniem bezpośrednim silniczków w zamkach.

    W czasie "spoczynku" na obu przewodach podłączonych do mikrosilników w zamkach jest masa.
    Sterownik podczas zamykania/otwierania - na 0,5s zamienia jedną z "mas" na +12V.


    tomek34465 napisał:
    co robię źle

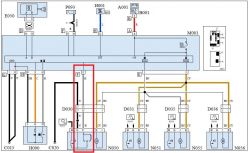
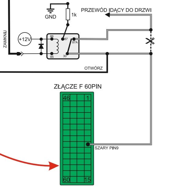
    W tym samochodzie sterowanie centralnym zamkiem jest tzw. parametryczne.
    Wszystko na jednym, szarym przewodzie przewodzie - pin nr 9 w zielonym, 60'pinowym złączu "F".
    Zamykanie masa, otwieranie masa z parametrem (opornik 1k).

    Fragment schematu w czerwonej ramce.
    Fiat Tipo - Centralny zamek bluetooth
    Pomogłem? Kup mi kawę.
  • #10 20849388
    tomek34465
    Poziom 8  

    Nie wiem dlaczego, pewnie temu że pracuję na nocne, ale przyćmiło mnie i po namierzeniu + oraz - mimo to podłączyłem przewody odwrotnie. Nastąpiło zwarcie, centralny nie działał wcale, wymieniłem bezpiecznik i mimo tego że sterownik bluetooth był odpięty od +12V to centralny tylko raz zadziałał i znów przepalił bezpiecznik. Czy to możliwe, że sterownik odpięty od źródła zasilania nadal zmieniał polaryzację? Czy powinienem najpierw go podpiąć poprawnie, zanim znów wymienię bezpiecznik i będę chciał użyć fabrycznego centralnego zamka?
  • #11 20849563
    CameR

    Moderator Zabezpieczeń Pojazdów
    tomek34465 napisał:
    Czy to możliwe, że sterownik odpięty od źródła zasilania nadal zmieniał polaryzację?

    On cały czas wystawia masę na pinach E1 , E3.
    Pomogłem? Kup mi kawę.
  • REKLAMA
  • #13 20849874
    tomek34465
    Poziom 8  
    Przy poprawnym podłączeniu dalej pali bezpiecznik. Fabryczny centralny działa jak należy. Ostatnie pytania, bo chyba zbyt zielony jestem żeby to ogarnąć.

    1. Centralny fabryczny ma bezpiecznik 20A, natomiast na sterowniku bluetooth jest 15A, czy to może być przyczyną? Ten pali się jako pierwszy, po chwili pali się 20A od fabrycznego.
    2. Nie ma żadnego oznaczenia które piny wybrać przy sterowaniu 0.5s elektrycznym. Aktualnie mostek na pinach jest od strony kostki z przewodami, czy należy go przełożyć na piny od strony diody? Czy tutaj może być przyczyna palenia bezpiecznika?
  • #14 20850195
    karwo
    Poziom 30  
    Przecież już dostałeś odpowiedź @carrier i @CameR
    Dalsze "zabawy" z Twojej strony mogą doprowadzić do uszkodzeń w pojeździe.
    Dziękuję, wychodzę.

Podsumowanie tematu

Użytkownik próbuje podłączyć sterownik Bluetooth do centralnego zamka w Fiacie Tipo z 2017 roku, jednak napotyka problemy z otwieraniem i zamykaniem drzwi. Podłączone przewody są nieprawidłowe, co prowadzi do zwarcia i przepalania bezpieczników. Uczestnicy dyskusji sugerują, aby sprawdzić polaryzację sygnałów na pinach oraz zwrócić uwagę na parametryczne sterowanie zamkiem. Wskazują również na możliwość emulacji przycisku oraz konieczność poprawnego podłączenia przewodów, aby uniknąć dalszych uszkodzeń. Użytkownik zadaje dodatkowe pytania dotyczące bezpieczników i podłączenia pinów.
Podsumowanie wygenerowane przez model językowy.
REKLAMA