logo elektroda
logo elektroda
X
logo elektroda
REKLAMA
REKLAMA
Adblock/uBlockOrigin/AdGuard mogą powodować znikanie niektórych postów z powodu nowej reguły.

Peugeot 308 1.6 vti - Problem z odpalaniem , błąd F527

gregklb 18 Gru 2023 23:22 1161 9
REKLAMA
  • #1 20868096
    gregklb
    Poziom 10  

    Witam. Trafił w moje ręce Peugeot 308 1.6 vti, w którym stracił moc w czasie zjazdu (podobno) i po zgaszeniu już nie odpalił. Wcześniejsi mechanicy stwierdzili, że powodem jest sterownik silnika, który podmienili, ale auto już im nie odpaliło. Stałem się szczęśliwym posiadaczem tego samochodu i w wolnym czasie zacząłem diagnozować. We wszystkich sterownikach pełno błędów, auto kręciło, ale nie odpalało.

    W sterowniku silnika było około 18 błędów i nie dało się nic skasować.
    W BSi jeden błąd ciągle się powtarzał - F527 usterka kodowanej blokady rozruchu.

    Po wielu próbach kasowania tego błędu w końcu znika i auto odpaliło. Pracuje równo, jeździ normalnie, słychać trochę rozrząd, po zgaszeniu odpala znowu, ale po chwili sytuacja się powtarza błąd F527. I tak w kółko...

    Ciekawostka jest taka, że jak uda się skasować błąd w BSi, to oprócz tego, że odpala przez parę minut, udało się skasować błędy w sterowniku silnika.

    Wiem, że błąd F527 pojawia się, gdy jest problem z komunikacją CAN BSI -> ABS -> sterownik silnika, ale mój przypadek jest dziwny, bo dlaczego co jakiś czas ta komunikacja miałaby się pojawiać i znikać po około 5 minut.

    Po wykasowaniu błędów żaden się już nie pojawia w silniku, jedynie ten w BSi.

    Może ktoś miał podobny przypadek albo podsunie jakiś pomysł, co sprawdzić :) Będę bardzo wdzięczny za wszystkie rady.
  • REKLAMA
  • #2 20868141
    paterek
    Poziom 12  
    Sprawdz zasilania sterownika silnika ,jak i też kostki
  • #3 20868183
    mrucze
    Poziom 16  
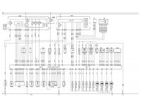
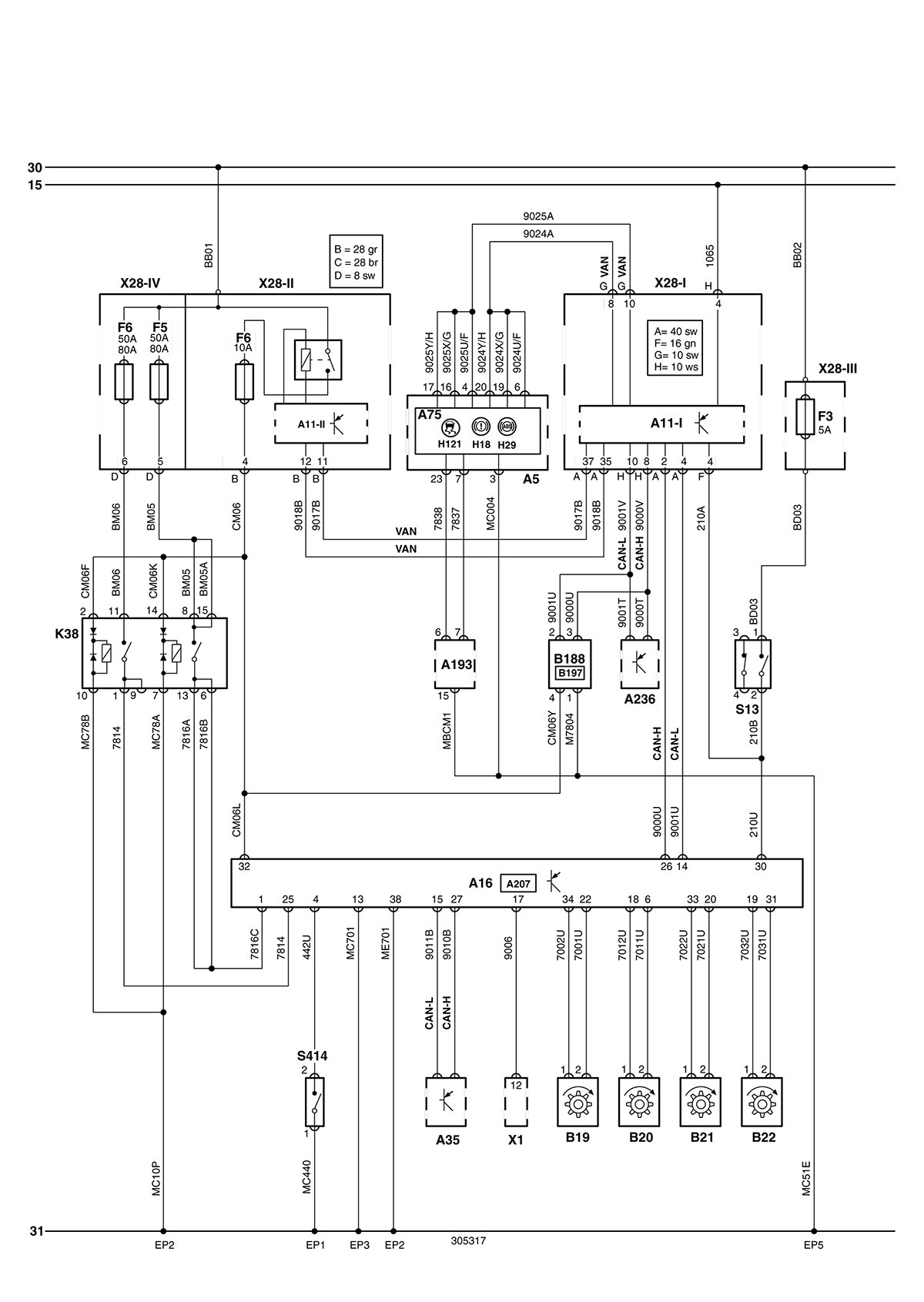
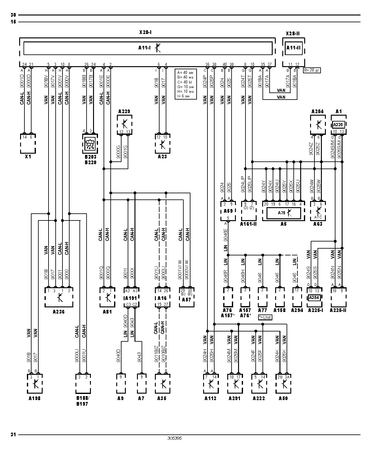
    Sygnał CAN połączony między BSI i ECU silnika po przez Sterownik ABS. Sprawdź wtyki - gniazda ABS-u i ECU no i oczywiście przewody.
    Na schemacie widać jak to jest połączone

    A16 - pompa ABS
    A35 - ECU
    A11-I - BSI
  • REKLAMA
  • #4 20869111
    gregklb
    Poziom 10  
    Wtyczki posprawdzam i wydaje sie wszystko ok…

    Jesli chodzi o zasilanie sterownika to nie znalazłem nigdzie schematu…

    Dziwi mnie to ze ten błąd co jakis czas jednak znika i wtedy w parametrach w sterowniku silnika widzi prawidłowy sygnał z immo i normalnie pali.

    Komputer diagnostyczny łączy sie ze stołowników silnika za każdym razem bez problemu, ale kodowanie ( czyli ustawienie czy ma abs, esp, tempomat itd ) moge zrobić tylko wtedy jak w Bsi nie ma błędu F527

    Juz bym chyba wolał żeby błąd był czaly czas a nie ze znika po 5,10 czasami 15 min.


    Mam jeszcze jedno pytanie , czy moge puścić can z bsi bezpośrednio do sterownika? W senie takim ze dopne dwa kabelki przy bsi i dopne je przy wejściu sterownika. Wykluczyłbym wtedy problemy z instalacja miedzy BSi abs sterownik silnika na 100%
  • REKLAMA
  • #6 20869262
    gregklb
    Poziom 10  
    Dzięki za schematy, rano je sprawdzam.

    Coś może być nie tak z tym zasilaniem albo modułem BSM, bo jak auto do mnie przyjechało, miało słaby akumulator i po wyjęciu kluczyka ze stacyjki i zamknięciu drzwi było takie dziwne tyknięcie w BSM i włączały się wycieraczki i światła. Po wydmuchaniu powietrzem i wyczyszczeniu wtyczek wszystkich, w tym module, wyczyszczeniu wszystkich bezpieczników, ten problem już się nie pojawia.
  • REKLAMA
  • #7 20869319
    paterek
    Poziom 12  

    Możesz tak połączyć, możesz też odpiąć wtyk ABS i zrobić mostek. Sprawdź bezpieczniki za pomocą żarówki.
  • #8 20869437
    PREDAT
    Poziom 24  
    Możesz sprawdzić wtedy jak nie pali czy na bezpiecznikach od ECU które są w BSM'ie jest prąd. Lubią padać w nich przekaźniki.
  • #9 20869820
    gregklb
    Poziom 10  
    Bezpieczniki sprawdzone i okazuje sie ze na F1 jest cały czas prąd a na pozostałych F5 F10 F19 i F20 pojawia sie po przekręceniu kluczyka po chwili slychac przekaźnik i prąd znika… troche to wyglada tak że pompka nabije ciśnienie i wyłącza sie a razem z nią znika prąd na bezpiecznikach ECU
  • #10 20891103
    gregklb
    Poziom 10  
    Po przerwie świątecznej postanowiłem wrócić do tematu. Can prześwietlone i jest wszystko ok. Na krótko tez sprawdzone. Zasilania jednak tak maja że pokazuje sie na chwile i znika( czy odpala czy nie jest tak samo)

    Chciałem znaleść moment kiedy auto odpala i od czego to jest zależne i wyglada to tak, Wsiadam do auta przekręcać stacyjkę i w parametrach BSi i sterownika silnika pokazuje ze Kalkulator silnika zablokowany jest TAK. Na włączonym zapłonie czekam około 5-6 min paramete Kalkulator silnika zablokowany wyskakuje NIE i auto odpala. Odpali 3 -4razy pod rząd i znowu zablokuje.
REKLAMA